电脑桌面
添加小米粒文库到电脑桌面
安装后可以在桌面快捷访问

污水处理离心脱水机日常保养及维修作业指导书

污水处理离心脱水机日常保养及维修作业指导书_第1页
1/4
污水处理离心脱水机日常保养及维修作业指导书_第2页
2/4
污水处理离心脱水机日常保养及维修作业指导书_第3页
3/4
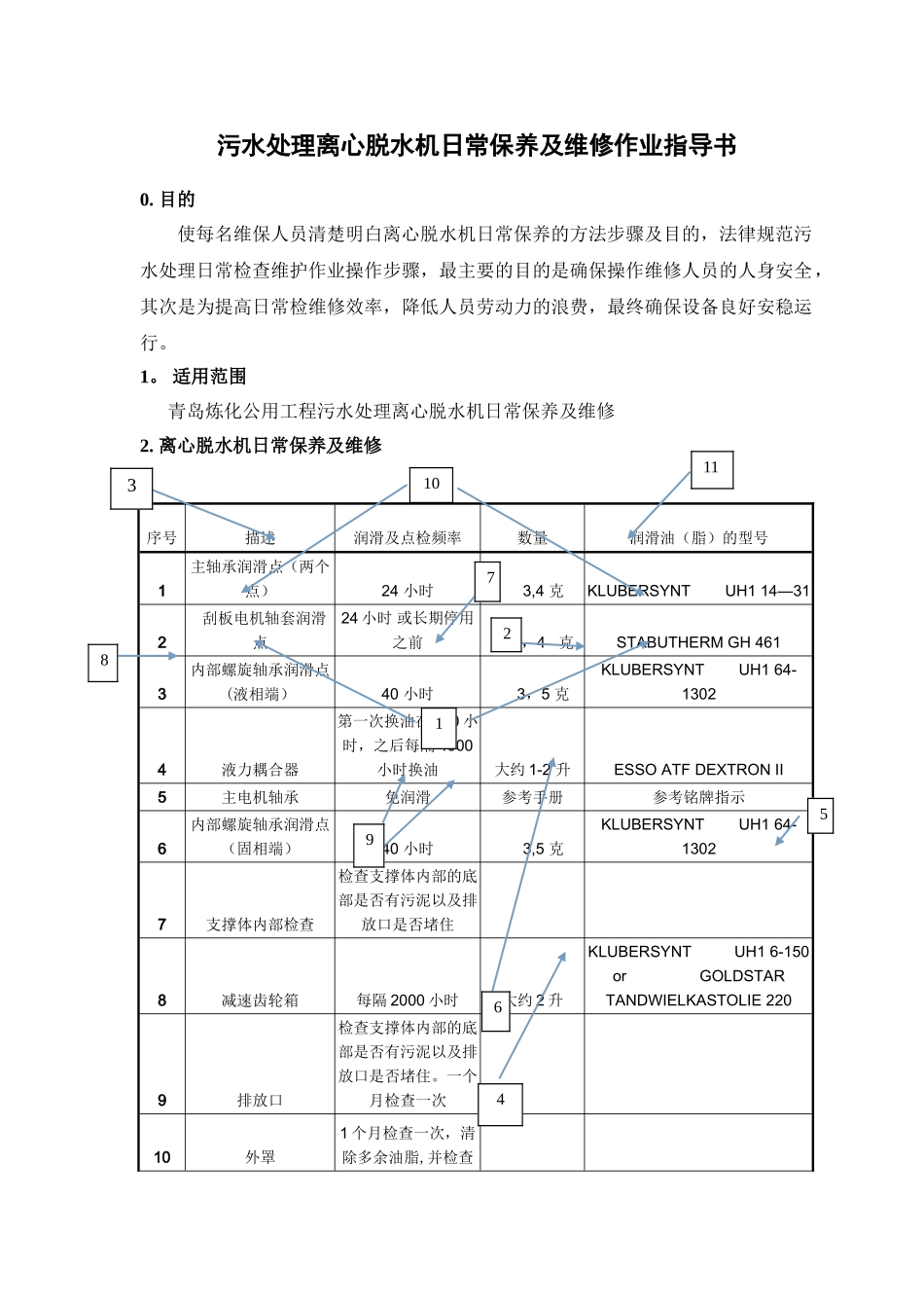
污水处理离心脱水机日常保养及维修作业指导书0. 目的使每名维保人员清楚明白离心脱水机日常保养的方法步骤及目的,法律规范污水处理日常检查维护作业操作步骤,最主要的目的是确保操作维修人员的人身安全,其次是为提高日常检维修效率,降低人员劳动力的浪费,最终确保设备良好安稳运行。1。 适用范围 青岛炼化公用工程污水处理离心脱水机日常保养及维修2. 离心脱水机日常保养及维修序号描述润滑及点检频率数量润滑油(脂)的型号1主轴承润滑点(两个点)24 小时 3,4 克 KLUBERSYNT UH1 14—312 刮板电机轴套润滑点24 小时 或长期停用之前 3,4 克 STABUTHERM GH 4613内部螺旋轴承润滑点(液相端)40 小时 3,5 克 KLUBERSYNT UH1 64-13024液力耦合器第一次换油在 400 小时,之后每隔 4000小时换油大约 1-2 升ESSO ATF DEXTRON II5主电机轴承免润滑参考手册 参考铭牌指示6内部螺旋轴承润滑点(固相端)40 小时 3,5 克 KLUBERSYNT UH1 64-13027支撑体内部检查检查支撑体内部的底部是否有污泥以及排放口是否堵住8减速齿轮箱每隔 2000 小时大约 2 升KLUBERSYNT UH1 6-150 or GOLDSTAR TANDWIELKASTOLIE 2209排放口 检查支撑体内部的底部是否有污泥以及排放口是否堵住。一个月检查一次 10外罩1 个月检查一次,清除多余油脂,并检查3101864257911皮带的松紧11刮板电机链条 一个月检查一次,去除多余油脂 一:施工前准备1.作业人员作业前必须先找到操作作好确认工作,并开具相关作业票证(检维修作业票,停电票、吊车、叉车进装置票)2.施工现场要先做好施工前 5 分钟安全隐患排查3.污水处理厂施工,必须佩戴硫化氢报警仪,劳保手套,并要求操作人员现场监护.4。吊装作业必须由起重专业人员现场指挥吊装,作业现场拉舍警戒绳,吊装臂下不能站人,无关人员不能擅自进入警戒区内。二:施工准备1.人员准备(必须是具有一定相关检修经验人员)序号姓名性别工种级别持证情况1李彬男钳工、工程师2王拥军男钳工、技师技师证、高级钳工证3李广云男钳工、技师高级钳工证4杨文波男钳工、高级工高级钳工证5王长河男钳工、高级工高级钳工证6贾珂男钳工、高级工高级钳工证7武杰斌男钳工、高级工高级钳工证8童宪程男吊车司机、高级工吊车司机证9吕春生男起重工、技师起重技师证10陈普男起重工、高级工起重高级工证2.工具准备序号名称数量安全检查情况备注1梅花、叉口各 2 套安全检查合格2内六角扳手2 套安全检查合...

1、当您付费下载文档后,您只拥有了使用权限,并不意味着购买了版权,文档只能用于自身使用,不得用于其他商业用途(如 [转卖]进行直接盈利或[编辑后售卖]进行间接盈利)。
2、本站所有内容均由合作方或网友上传,本站不对文档的完整性、权威性及其观点立场正确性做任何保证或承诺!文档内容仅供研究参考,付费前请自行鉴别。
3、如文档内容存在违规,或者侵犯商业秘密、侵犯著作权等,请点击“违规举报”。

碎片内容

污水处理离心脱水机日常保养及维修作业指导书

确认删除?
VIP
微信客服
  • 扫码咨询
会员Q群
  • 会员专属群点击这里加入QQ群
客服邮箱
回到顶部