电脑桌面
添加小米粒文库到电脑桌面
安装后可以在桌面快捷访问

消防检测收费标准

消防检测收费标准_第1页
1/5
消防检测收费标准_第2页
2/5
消防检测收费标准_第3页
3/5
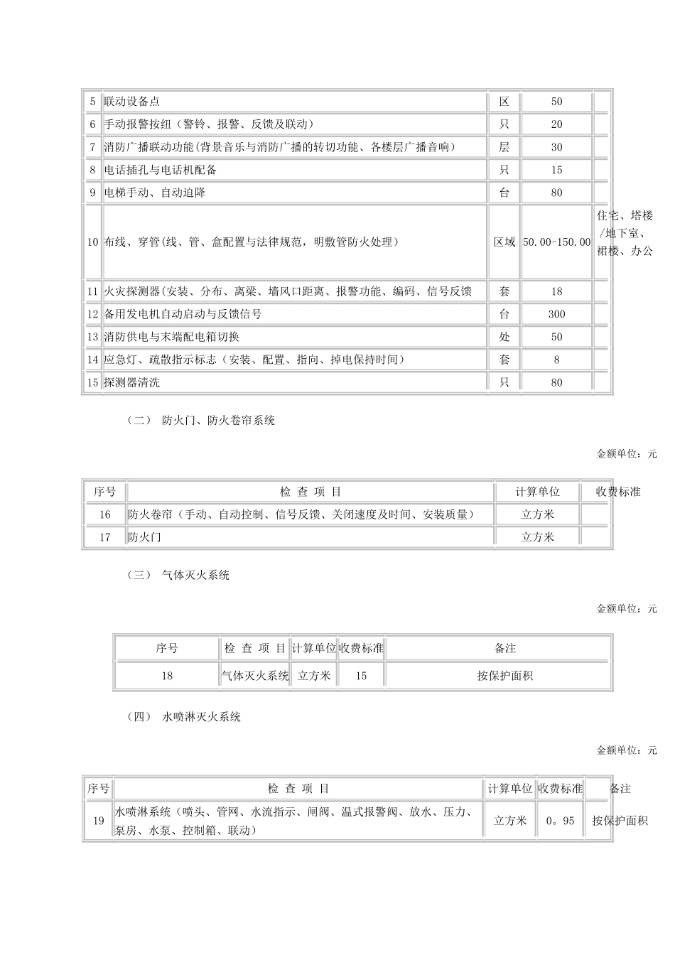
当前位置:首页〉〉政策法规〉>政策法规>〉建筑业类〉>工程造价管理 广东省物价局关于建筑消防设施检测收费有关问题的批复粤价[2001]340 号 发布日期:2001-12-31 文号:粤价[2001]340 号 广东建筑消防设施检测中心有限公司: 你公司《关于按单项收取消防设施检测费的请示》(粤消检〔2001〕42 号)悉。经讨论,现批复如下: 一、为提高建筑消防设施检测收费的透明度,减少价格纠纷。同意简化消防设施检测收费项目分类(详见附表),并改按附表的检测项目和收费标准收费。上述标准为最高收费标准,检测单位可在不超过此标准内,根据检测工作量的大小,与委托人协商确定具体的收费标准。 二、其余事项仍按我局粤价〔2000〕313 号文规定执行。 三、新的收费办法及收费标准自 2002 年 1 月 1 日起执行。 请到我局换领《广东省经营服务性收费许可证》。 附件:建筑消防设施检测项目收费标准 建筑消防设施检测项目收费标准 (一) 自动报警系统金额单位:元序号 检 查 项 目 名 称 计算单位 收费标准 1 火灾报警控制设备(安装、配线、供电、自检、记忆、显示、打印、故障报警、消音、复位、主备电源转换、火警优先) 套 1000 2 CRT(UPS 供电、显示检查每一保护区平面图的设置) 套 800 3 区域显示器或重复显示器(接线、报警、显示、消音、复位、二次火警功能) 套 300 4 联动控制器(自动、手动控制功能、反馈信号、主备电自动切换、功能标志) 台 600 5 联动设备点 区 50 6 手动报警按纽(警铃、报警、反馈及联动) 只 20 7 消防广播联动功能(背景音乐与消防广播的转切功能、各楼层广播音响) 层 30 8 电话插孔与电话机配备 只 15 9 电梯手动、自动迫降 台 80 10 布线、穿管(线、管、盒配置与法律规范,明敷管防火处理) 区域 50.00-150.00 住宅、塔楼/地下室、裙楼、办公11 火灾探测器(安装、分布、离梁、墙风口距离、报警功能、编码、信号反馈 套 18 12 备用发电机自动启动与反馈信号 台 300 13 消防供电与末端配电箱切换 处 50 14 应急灯、疏散指示标志(安装、配置、指向、掉电保持时间) 套 8 15 探测器清洗 只 80 (二) 防火门、防火卷帘系统 金额单位:元序号 检 查 项 目 计算单位 收费标准16 防火卷帘(手动、自动控制、信号反馈、关闭速度及时间、安装质量) 立方米 17 防火门 立方米 (三) 气体灭火系统金额单位:元序号 检 ...

1、当您付费下载文档后,您只拥有了使用权限,并不意味着购买了版权,文档只能用于自身使用,不得用于其他商业用途(如 [转卖]进行直接盈利或[编辑后售卖]进行间接盈利)。
2、本站所有内容均由合作方或网友上传,本站不对文档的完整性、权威性及其观点立场正确性做任何保证或承诺!文档内容仅供研究参考,付费前请自行鉴别。
3、如文档内容存在违规,或者侵犯商业秘密、侵犯著作权等,请点击“违规举报”。

碎片内容

消防检测收费标准

您可能关注的文档

一二三四传媒+ 关注
实名认证
内容提供者

大量资料供您选择,没有合适的可以联系小二。

确认删除?
VIP
微信客服
  • 扫码咨询
会员Q群
  • 会员专属群点击这里加入QQ群
客服邮箱
回到顶部