电脑桌面
添加小米粒文库到电脑桌面
安装后可以在桌面快捷访问

消防电气检测收费标准

消防电气检测收费标准_第1页
1/1
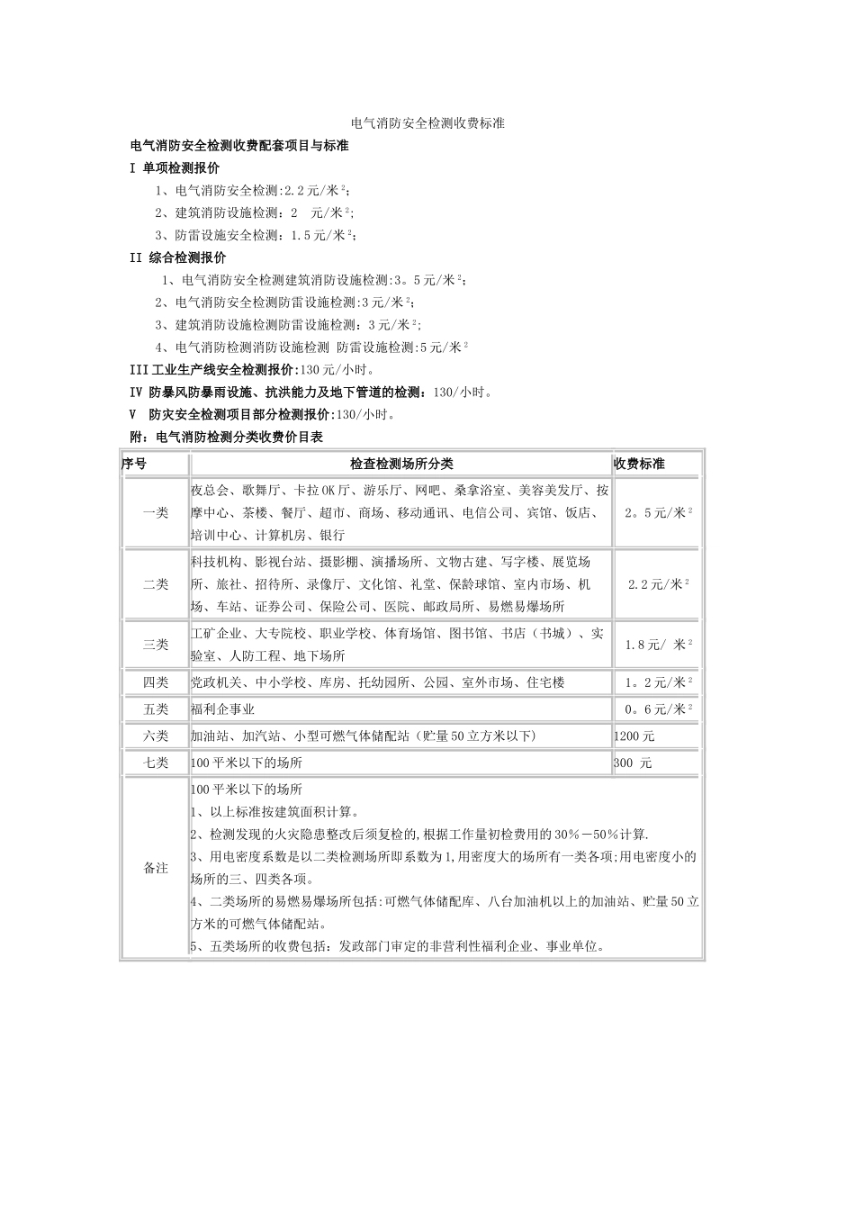
电气消防安全检测收费标准电气消防安全检测收费配套项目与标准I 单项检测报价 1、电气消防安全检测:2.2 元/米 2; 2、建筑消防设施检测:2 元/米 2; 3、防雷设施安全检测:1.5 元/米 2;II 综合检测报价 1、电气消防安全检测建筑消防设施检测:3。5 元/米 2; 2、电气消防安全检测防雷设施检测:3 元/米 2; 3、建筑消防设施检测防雷设施检测:3 元/米 2; 4、电气消防检测消防设施检测 防雷设施检测:5 元/米 2III 工业生产线安全检测报价:130 元/小时。IV 防暴风防暴雨设施、抗洪能力及地下管道的检测:130/小时。V 防灾安全检测项目部分检测报价:130/小时。附:电气消防检测分类收费价目表序号检查检测场所分类收费标准一类夜总会、歌舞厅、卡拉 OK 厅、游乐厅、网吧、桑拿浴室、美容美发厅、按摩中心、茶楼、餐厅、超市、商场、移动通讯、电信公司、宾馆、饭店、培训中心、计算机房、银行2。5 元/米 2二类科技机构、影视台站、摄影棚、演播场所、文物古建、写字楼、展览场所、旅社、招待所、录像厅、文化馆、礼堂、保龄球馆、室内市场、机场、车站、证券公司、保险公司、医院、邮政局所、易燃易爆场所2.2 元/米 2三类工矿企业、大专院校、职业学校、体育场馆、图书馆、书店(书城)、实验室、人防工程、地下场所1.8 元/ 米 2四类党政机关、中小学校、库房、托幼园所、公园、室外市场、住宅楼1。2 元/米 2五类福利企事业0。6 元/米 2六类加油站、加汽站、小型可燃气体储配站(贮量 50 立方米以下)1200 元七类100 平米以下的场所300 元备注100 平米以下的场所1、以上标准按建筑面积计算。2、检测发现的火灾隐患整改后须复检的,根据工作量初检费用的 30%-50%计算.3、用电密度系数是以二类检测场所即系数为 1,用密度大的场所有一类各项;用电密度小的场所的三、四类各项。4、二类场所的易燃易爆场所包括:可燃气体储配库、八台加油机以上的加油站、贮量 50 立方米的可燃气体储配站。5、五类场所的收费包括:发政部门审定的非营利性福利企业、事业单位。

1、当您付费下载文档后,您只拥有了使用权限,并不意味着购买了版权,文档只能用于自身使用,不得用于其他商业用途(如 [转卖]进行直接盈利或[编辑后售卖]进行间接盈利)。
2、本站所有内容均由合作方或网友上传,本站不对文档的完整性、权威性及其观点立场正确性做任何保证或承诺!文档内容仅供研究参考,付费前请自行鉴别。
3、如文档内容存在违规,或者侵犯商业秘密、侵犯著作权等,请点击“违规举报”。

碎片内容

消防电气检测收费标准

您可能关注的文档

确认删除?
VIP
微信客服
  • 扫码咨询
会员Q群
  • 会员专属群点击这里加入QQ群
客服邮箱
回到顶部