电脑桌面
添加小米粒文库到电脑桌面
安装后可以在桌面快捷访问

牵引管安全施工专项方案

牵引管安全施工专项方案_第1页
1/21
牵引管安全施工专项方案_第2页
2/21
牵引管安全施工专项方案_第3页
3/21
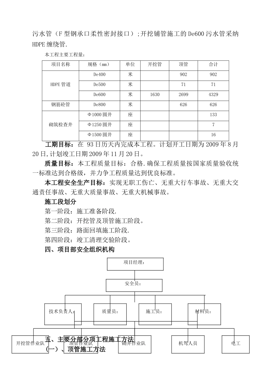
目 录一、编制目的……………………………………………………………2二、编制依据……………………………………………………………2三、工程概况……………………………………………………………2四、项目部安全组织机构………………………………………………4五、主要分部分项工程施工方法………………………………………4六、安全技术保证措施…………………………………………………10七、危险源及风险控制安全措施………………………………………11八、重大安全生产事故应急救预案……………………………………16九、安全文明施工措施…………………………………………………21一、编制目的严格执行国家、地方及企业的有关安全生产的法律、法规和各项规章制度,根据工程现场的施工要求,对工程施工的安全隐患和危险源进行预防控制,减少人员损害,保障施工安全生产和保护劳动者的身体健康.二、编制依据1、贯彻执行《中华人民共和国安全生产法》、《中华人民共和国建筑法》、《劳动法》及《建设工程安全生产管理条例》,严格遵守各项安全操作规程和企业的各项规章制度。2、根据尚湖镇 2024 年污水收集管网工程(一)(标四)施工招标文件、图纸及标前答疑书.3、根据我单位现场勘察情况。4、我公司机械、人员、技术的情况和资源的调配能力;5、我公司对施工各工种工序有关规定及操作标准、质量控制手册;三、工程概况本次招标某某工程(一),是某镇污水收集系统中的一个重要组成部分 。 工 程 分 为 四 个 标 段 , 其 中 四 标 段 包 含 ① 5# 泵 站 污 水 管 道 : 计De400HDPE 实壁管顶进 764 米,De500HDPE 实壁管顶进 40 米,De600HDPE实壁管顶进 844 米,De600HDPE 双壁波纹管铺设 1630 米;② 广州路-环镇南路污水管道:计 De400HDPE 实壁管顶进 129 米,De500HDPE 实壁管顶进 30米,De600HDPE 实壁管顶进 198 米,DN800 钢筋混凝土管泥水平衡顶进 630米.顶管施工的 De400、De500、De600 污水管采纳 PE100 级的埋地聚乙烯(HDPE)实壁管;泥水平衡顶进的 DN800 污水管采纳顶管专用Ⅱ级钢筋砼污水管(F 型钢承口柔性密封接口);开挖铺管施工的 De600 污水管采纳HDPE 缠绕管.本工程主要工程量:项目名称规格(mm)单位开挖管顶管合计HDPE 管道De400米902902De500米7171De600米163026994329钢筋砼管De800米626626砌筑检查井Φ1000 圆井座133Φ1250 圆井座7Φ1500 圆井座16...

1、当您付费下载文档后,您只拥有了使用权限,并不意味着购买了版权,文档只能用于自身使用,不得用于其他商业用途(如 [转卖]进行直接盈利或[编辑后售卖]进行间接盈利)。
2、本站所有内容均由合作方或网友上传,本站不对文档的完整性、权威性及其观点立场正确性做任何保证或承诺!文档内容仅供研究参考,付费前请自行鉴别。
3、如文档内容存在违规,或者侵犯商业秘密、侵犯著作权等,请点击“违规举报”。

碎片内容

牵引管安全施工专项方案

您可能关注的文档

确认删除?
VIP
微信客服
  • 扫码咨询
会员Q群
  • 会员专属群点击这里加入QQ群
客服邮箱
回到顶部