电脑桌面
添加小米粒文库到电脑桌面
安装后可以在桌面快捷访问

班前班中班后安全检查表

班前班中班后安全检查表_第1页
1/2
班前班中班后安全检查表_第2页
2/2
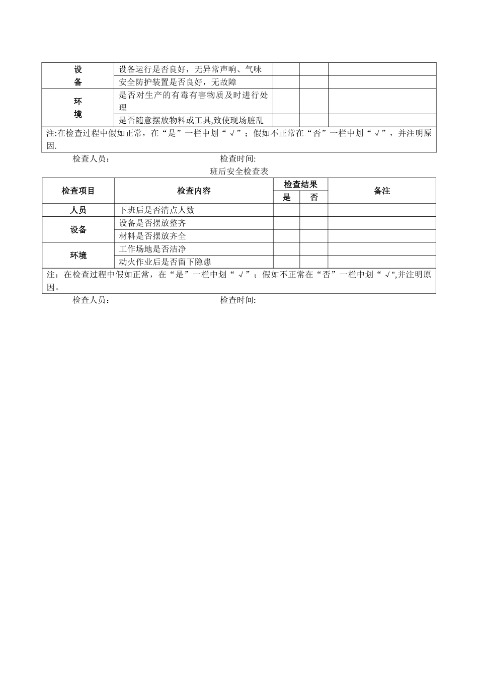
班前安全检查表检查项目检查内容检查结果备注是否人员身体状况是否良好精神状态是否良好劳动保护用品佩戴是否正确工作服是否穿戴齐全是否明确作业内容、步骤和方法,以及作业的关键和存在的危险源是否明确作业对下、下工序和整体生产运行情况的影响和变化是否明确发生意外情况时正确的处理方法是否需要其他人配合工作,协助人员是否明确其工作内容、流程、工作中的沟通方式工器具所有工具是否经过安全检查,无隐患使用梯子时,梯级是否有裂纹、缺失使用手电钻、电砂轮等手持式电动工具时,是否装设漏电保护器使用手锤时,锤头是否松动,是否有裂纹锤头上是否有卷边和毛刺易燃易爆场所是否使用防爆工具设备安全防护装置是否完好、无缺陷外漏明齿轮是否安装好防护罩检修设备之前,是否已切断电源,做好接地消防设施是否完好环境照明设备是否充足通风状态是否良好作业场地是否有烟雾尘屑弥漫,导致视线不清地面是否洁净,是否有油或其他液体注:在检查过程中假如正常,在“是”一栏划“√”;假如不正常,在“否”一栏划“√”,并注明原因.检查人员: 检查时间:班中安全检查表检查项目检查内容检查结果备注是否人员身体状况是否良好精神状态是否良好劳动保护用品是否佩戴正确作业时无分散注意力行为工作中是否有违章、违纪行为操作步骤是否严格根据操作规程执行与其他人员的配合是否准确无误,沟通无障碍设备设备运行是否良好,无异常声响、气味安全防护装置是否良好,无故障环境是否对生产的有毒有害物质及时进行处理是否随意摆放物料或工具,致使现场脏乱注:在检查过程中假如正常,在“是”一栏中划“√”;假如不正常在“否”一栏中划“√”,并注明原因.检查人员: 检查时间:班后安全检查表检查项目检查内容检查结果备注是否人员下班后是否清点人数设备设备是否摆放整齐材料是否摆放齐全环境工作场地是否洁净动火作业后是否留下隐患注:在检查过程中假如正常,在“是”一栏中划“√”;假如不正常在“否”一栏中划“√",并注明原因。检查人员: 检查时间:

1、当您付费下载文档后,您只拥有了使用权限,并不意味着购买了版权,文档只能用于自身使用,不得用于其他商业用途(如 [转卖]进行直接盈利或[编辑后售卖]进行间接盈利)。
2、本站所有内容均由合作方或网友上传,本站不对文档的完整性、权威性及其观点立场正确性做任何保证或承诺!文档内容仅供研究参考,付费前请自行鉴别。
3、如文档内容存在违规,或者侵犯商业秘密、侵犯著作权等,请点击“违规举报”。

碎片内容

班前班中班后安全检查表

确认删除?
VIP
微信客服
  • 扫码咨询
会员Q群
  • 会员专属群点击这里加入QQ群
客服邮箱
回到顶部