电脑桌面
添加小米粒文库到电脑桌面
安装后可以在桌面快捷访问

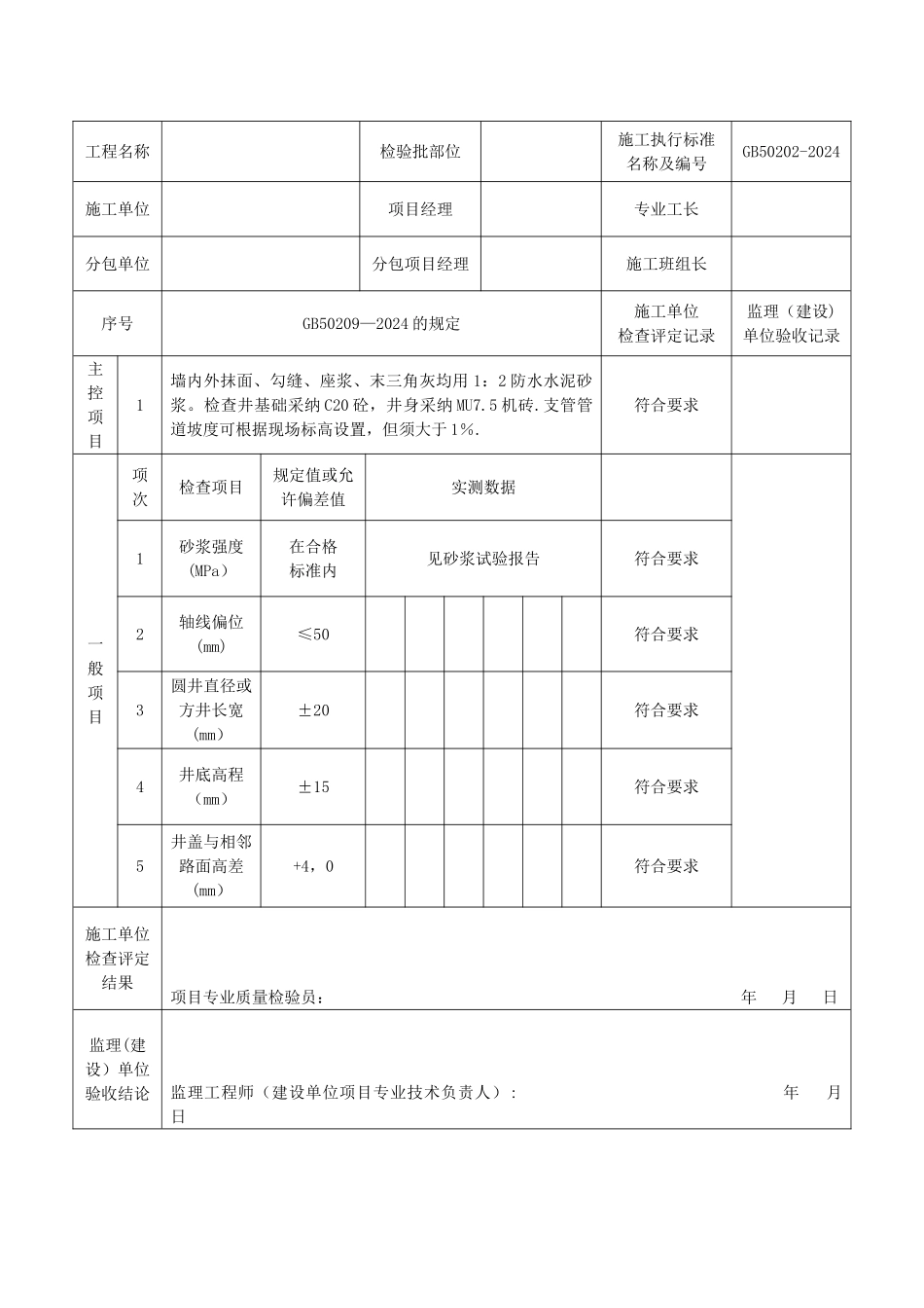
电力电缆井检验批质量验收记录表

电力电缆井检验批质量验收记录表_第1页
1/2
电力电缆井检验批质量验收记录表_第2页
2/2
B。1。4 工序质量报验单工程名称: 编号:B.1。4 - 致: (监理单位) 我方已完成 工作,经自检合格,请予以验收。 附件: □ 隐蔽工程质量检验资料 □ 检验批质量检验资料 □ 分项工程质量检验资料 □ 测量放线资料 施工项目经理部(章): 项目经理: 日期: 项目监理机构签收人姓名及时间 施工项目经理部签收人姓名及时间 监理验收及平行检验情况: 1、收到施工单位自检资料和验收记录表共 页,该项报验内容系 第 次报验 检查人: 日期: 监理验收意见: □ 验收合格,可进行后续施工。 □ 验收不合格,不得不进入下道工序施工,应 月 日前整改完毕自检合格后重新报验。 项目监理机构(章): 专业监理工程师(签字): 日期: 注:本报验表分为隐蔽工程质量报验(B。1.41)、检验批质量报验(B。1。4 2 )、分项工程质量报验(B。1.4 3 )、测量放线报验(B。1。4 4 )及其他报验(B.1.4 ) 第五版 江苏省住房和城乡建设厅监制电力电缆井检验批质量验收记录工程名称检验批部位施工执行标准名称及编号GB50202-2024施工单位项目经理专业工长分包单位分包项目经理施工班组长序号GB50209—2024 的规定施工单位检查评定记录监理(建设)单位验收记录主控项目1墙内外抹面、勾缝、座浆、末三角灰均用 1:2 防水水泥砂浆。检查井基础采纳 C20 砼,井身采纳 MU7.5 机砖.支管管道坡度可根据现场标高设置,但须大于 1%.符合要求一般项目项次检查项目规定值或允许偏差值实测数据1砂浆强度(MPa)在合格标准内见砂浆试验报告符合要求2轴线偏位(mm)≤50符合要求3圆井直径或方井长宽(mm)±20符合要求4井底高程(mm)±15符合要求5井盖与相邻路面高差(mm)+4,0符合要求施工单位检查评定结果项目专业质量检验员: 年 月 日监理(建设)单位验收结论监理工程师(建设单位项目专业技术负责人): 年 月 日

1、当您付费下载文档后,您只拥有了使用权限,并不意味着购买了版权,文档只能用于自身使用,不得用于其他商业用途(如 [转卖]进行直接盈利或[编辑后售卖]进行间接盈利)。
2、本站所有内容均由合作方或网友上传,本站不对文档的完整性、权威性及其观点立场正确性做任何保证或承诺!文档内容仅供研究参考,付费前请自行鉴别。
3、如文档内容存在违规,或者侵犯商业秘密、侵犯著作权等,请点击“违规举报”。

碎片内容

电力电缆井检验批质量验收记录表

确认删除?
VIP
微信客服
  • 扫码咨询
会员Q群
  • 会员专属群点击这里加入QQ群
客服邮箱
回到顶部