电脑桌面
添加小米粒文库到电脑桌面
安装后可以在桌面快捷访问

粘钢加固检验批质量验收记录

粘钢加固检验批质量验收记录_第1页
1/1
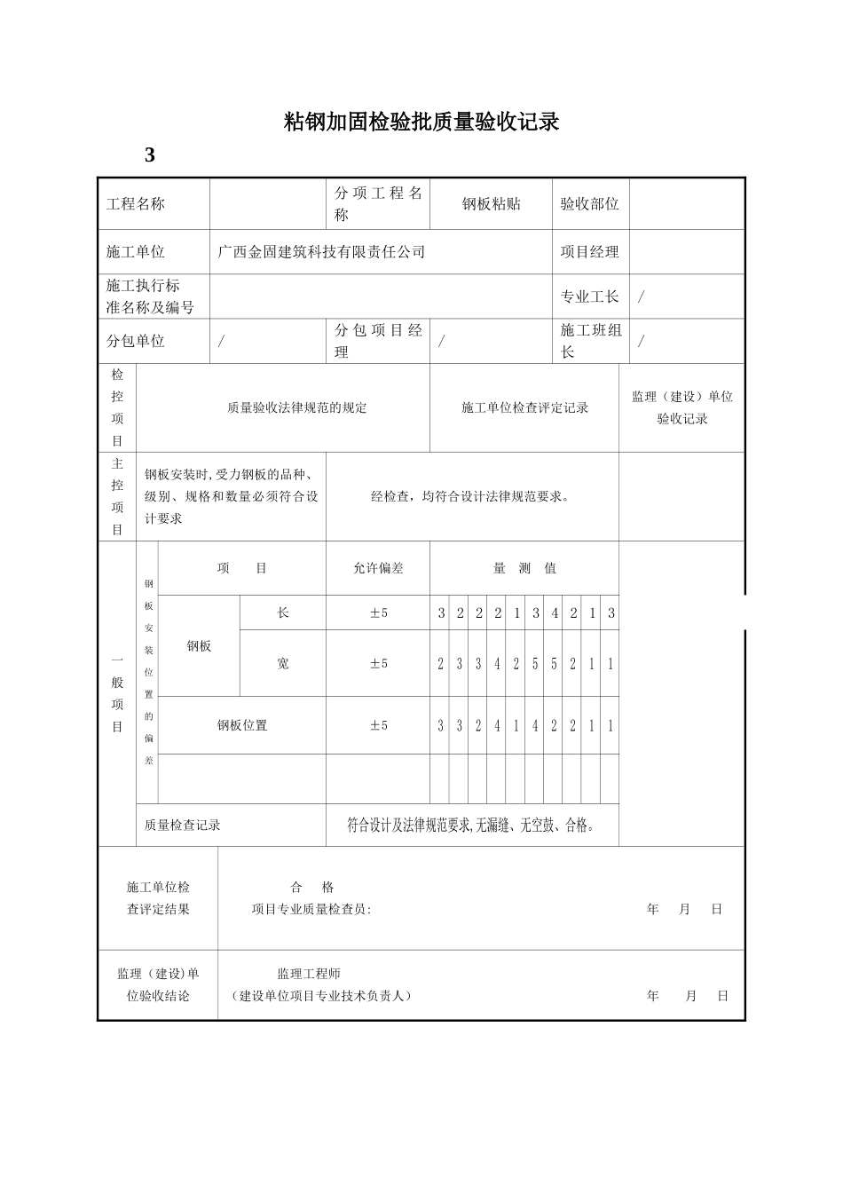
粘钢加固检验批质量验收记录3工程名称分 项 工 程 名称钢板粘贴验收部位施工单位广西金固建筑科技有限责任公司项目经理施工执行标准名称及编号专业工长/分包单位/分 包 项 目 经理/施工班组长/检控项目质量验收法律规范的规定施工单位检查评定记录监理(建设)单位验收记录主控项目钢板安装时,受力钢板的品种、级别、规格和数量必须符合设计要求经检查,均符合设计法律规范要求。一般项目钢板安装位置的偏差项 目允许偏差量 测 值钢板长±53 2 2 2 1 3 4 2 1 3宽±52334255211钢板位置±53324142211质量检查记录符合设计及法律规范要求,无漏缝、无空鼓、合格。施工单位检查评定结果合 格项目专业质量检查员: 年 月 日监理(建设)单位验收结论监理工程师(建设单位项目专业技术负责人) 年 月 日

1、当您付费下载文档后,您只拥有了使用权限,并不意味着购买了版权,文档只能用于自身使用,不得用于其他商业用途(如 [转卖]进行直接盈利或[编辑后售卖]进行间接盈利)。
2、本站所有内容均由合作方或网友上传,本站不对文档的完整性、权威性及其观点立场正确性做任何保证或承诺!文档内容仅供研究参考,付费前请自行鉴别。
3、如文档内容存在违规,或者侵犯商业秘密、侵犯著作权等,请点击“违规举报”。

碎片内容

粘钢加固检验批质量验收记录

确认删除?
VIP
微信客服
  • 扫码咨询
会员Q群
  • 会员专属群点击这里加入QQ群
客服邮箱
回到顶部