电脑桌面
添加小米粒文库到电脑桌面
安装后可以在桌面快捷访问

肉鸡宰杀线项目可行性分析报告

肉鸡宰杀线项目可行性分析报告_第1页
1/10
肉鸡宰杀线项目可行性分析报告_第2页
2/10
肉鸡宰杀线项目可行性分析报告_第3页
3/10
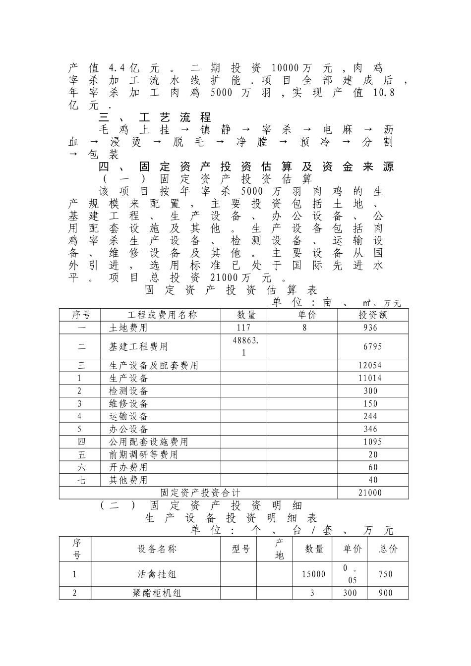
年 5000 万 羽 肉 鸡 宰 杀 加 工 流 水 线项 目 可 行 性 报 告一、项目概况1 、项目名称: 年5000 万羽肉鸡宰杀加工流水线项目2 、项目承办单位:洪泽九牧现代农业进展有限公司3 、法人代表:刘玉柱4 、注册资本:500 万元人民币5 、项目总投资:21000 万元人民币,其中一期投资11000 万元人民币6 、投资地址:洪泽县经济开发区7 、生产规模: 年宰杀加工5000 万羽肉鸡8 、年产值:10亿元人民币二、项目背景及市场分析1 、项目投资背景南京九牧食品进展有限公司于2024年9 月批准注册成立,注册资本金1000万元人民币,是一家专业生产和销售生鲜、冷冻、调理及各种肉类深加工产品、保健食品、休闲食品、禽畜养殖的科技型农产品加工龙头企业。公司严格根据国际标准进行生产基地的建设和管理,先后通过QS认证、ISO22000 质量保证体系认证及HACCP 认证。公司拥有员工近130 人, 其中大中专毕业生35人, 讨论生以上8 名,同时联合江南大学、南京农业大学等高等院校和科研机构,进行产学研结合, 保证技术上的先进性和科学性。公司自2024 年11月投产以来,坚持“养加销一条龙, 贸工农一体化”的进展之路, 实行“公司+ 基地+ 协会+ 农户”的经营模式,使企业得以迅速进展。2024 年实现产值6200 万元,利润700多万元。现企业总资产12000 万元,其中净资产8700 万元,资产负债率27.5% ,银行信用等级AA。2 、项目投资理由洪泽县水域辽阔, 物产丰富, 气候温柔,是著名的鱼米之乡、国家级无公害生态农业示范园,具备了生态循环农业经济和良好的养殖基础。现全县年批量饲养各类家禽已达到1600 多万羽。加之洪泽县党委、政府坚持科学进展观,坚决贯彻落实党中央、国务院农村工作会议精神, 大力扶持高效农业进展。因此,南京九牧食品进展有限公司在洪泽县经济开发区新上年5000 万羽肉鸡宰杀流水线项目,既可以增加地方的财政收入, 又可以增加农民的收入,社会效益和经济效益俱佳,具有投资的必要性和可行性。3 、市场分析( 一)国内市场中国传统的消费习惯正在逐渐发生变化. 年轻一代讲究快速、方便、营养、卫生、注重用餐环境气氛,“ 肯德基”、“麦当劳" 等洋快餐深受青少年消费者欢迎,国内市场进展空间巨大.江苏是中国人口密度最大的地区之一,肉鸡消费潜力巨大。根据需求量测算, 仅南京地区每月不少于10000 吨,全省禽类制品月消费达数10万吨之多。而全省禽肉冻品月可供量只有3 万多吨,缺...

1、当您付费下载文档后,您只拥有了使用权限,并不意味着购买了版权,文档只能用于自身使用,不得用于其他商业用途(如 [转卖]进行直接盈利或[编辑后售卖]进行间接盈利)。
2、本站所有内容均由合作方或网友上传,本站不对文档的完整性、权威性及其观点立场正确性做任何保证或承诺!文档内容仅供研究参考,付费前请自行鉴别。
3、如文档内容存在违规,或者侵犯商业秘密、侵犯著作权等,请点击“违规举报”。

碎片内容

肉鸡宰杀线项目可行性分析报告

确认删除?
VIP
微信客服
  • 扫码咨询
会员Q群
  • 会员专属群点击这里加入QQ群
客服邮箱
回到顶部