电脑桌面
添加小米粒文库到电脑桌面
安装后可以在桌面快捷访问

节后复工质量检查表

节后复工质量检查表_第1页
1/2
节后复工质量检查表_第2页
2/2
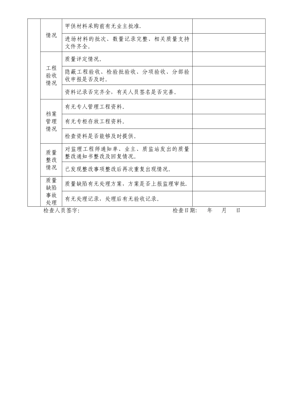
建筑工程节后复工施工质量检查表工程名称项目经理工程进度检查部门工程地址检查情况检查情况检查项目检查内容检查结论节后复工组织有无按规定开展节后复工前的质量自查自纠工作,并做好相关记录。质量管理体系及质量管理人员主要管理人员到位履职情况,项目经理、总工更换是否得到监理、业主批准。有无建立项目质量管理体系。质量管理人员是否符合资质要求的。质量管理文件有无制定质量管理目标。有无建立工程技术交底台帐。有无建立进场材料报验台帐。有无建立实验台帐。冬施是否根据有关规定进行专项施工方案编制,并经有关部门审批,施工组织设计中有无质量措施,有无施工方案报审台帐。冬季施工施工资料真实、完整情况。冬施部位实体检测情况,装饰工程保护情况。水暖电消防工程保护情况。材料使用现场材料存储保护情况。情况甲供材料采购前有无业主批准.进场材料的批次、数量记录完整、相关质量支持文件齐全。工程验收情况质量评定情况。隐蔽工程验收、检验批验收、分项验收、分部验收申报是否及时。资料记录否完齐全,有关人员签名是否完善。档案管理情况有无专人管理工程资料。有无专柜存放工程资料。检查资料是否能够及时提供。质量整改情况对监理工程师通知单、业主、质监站发出的质量整改通知书整改及回复情况。已发现整改事项整改后再次重复出现情况。质量缺陷事故处理质量缺陷有无处理方案,方案是否上报监理审批.有无处理记录,处理后有无验收记录。检查人员签字: 检查日期: 年 月 日

1、当您付费下载文档后,您只拥有了使用权限,并不意味着购买了版权,文档只能用于自身使用,不得用于其他商业用途(如 [转卖]进行直接盈利或[编辑后售卖]进行间接盈利)。
2、本站所有内容均由合作方或网友上传,本站不对文档的完整性、权威性及其观点立场正确性做任何保证或承诺!文档内容仅供研究参考,付费前请自行鉴别。
3、如文档内容存在违规,或者侵犯商业秘密、侵犯著作权等,请点击“违规举报”。

碎片内容

节后复工质量检查表

您可能关注的文档

确认删除?
VIP
微信客服
  • 扫码咨询
会员Q群
  • 会员专属群点击这里加入QQ群
客服邮箱
回到顶部