电脑桌面
添加小米粒文库到电脑桌面
安装后可以在桌面快捷访问

机械设计及其自动化专业 基于PLC垂直升降式立体车库控制系统的设计 任务书

机械设计及其自动化专业  基于PLC垂直升降式立体车库控制系统的设计 任务书_第1页
1/1
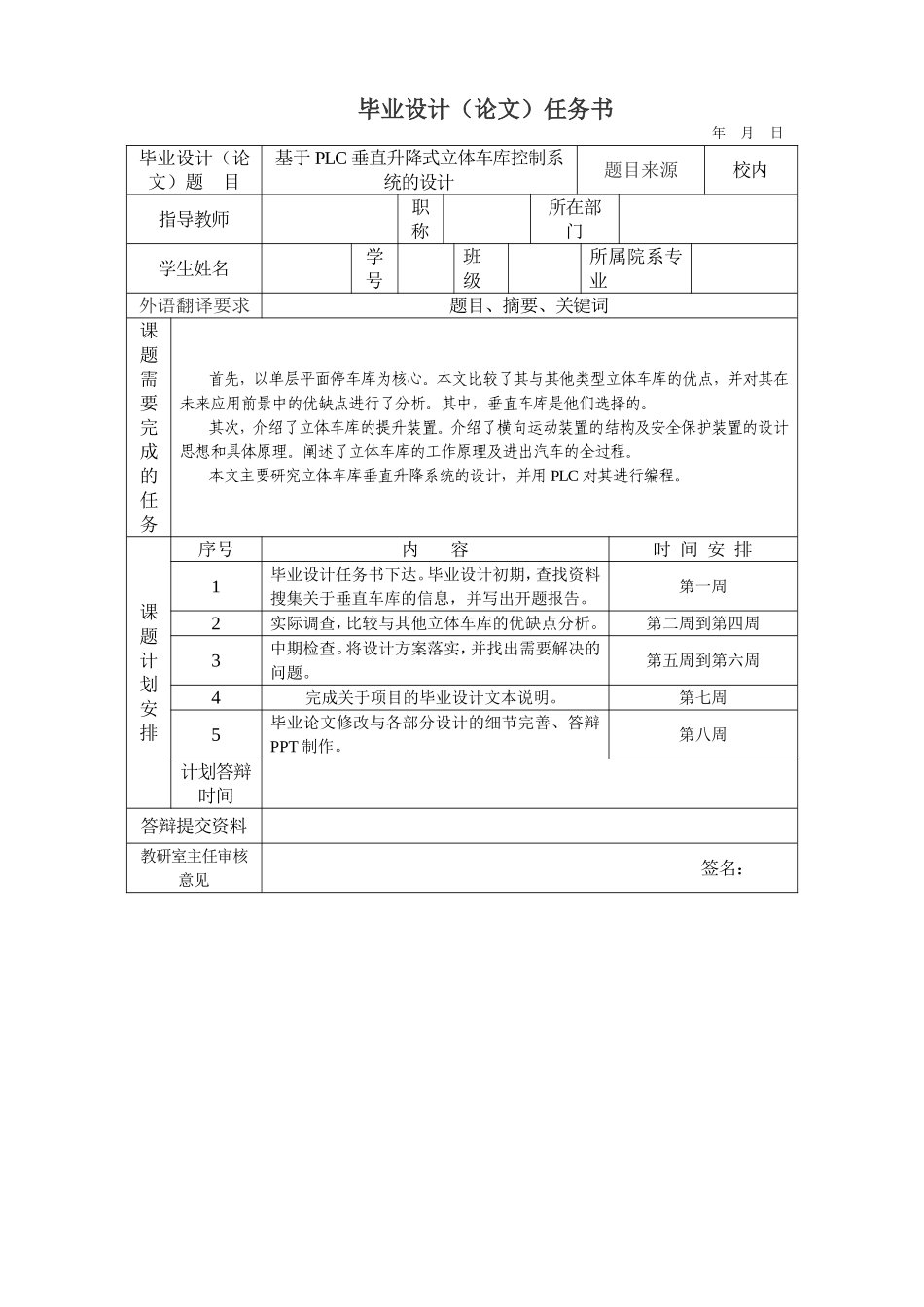
毕业设计(论文)任务书年 月 日毕业设计(论文)题 目基于 PLC 垂直升降式立体车库控制系统的设计题目来源校内指导教师职称所在部门学生姓名学号班 级所属院系专业外语翻译要求题目、摘要、关键词课题需要完成的任务首先,以单层平面停车库为核心。本文比较了其与其他类型立体车库的优点,并对其在未来应用前景中的优缺点进行了分析。其中,垂直车库是他们选择的。其次,介绍了立体车库的提升装置。介绍了横向运动装置的结构及安全保护装置的设计思想和具体原理。阐述了立体车库的工作原理及进出汽车的全过程。本文主要研究立体车库垂直升降系统的设计,并用 PLC 对其进行编程。课题计 划 安 排序号内 容时 间 安 排1毕业设计任务书下达。毕业设计初期,查找资料搜集关于垂直车库的信息,并写出开题报告。第一周2实际调查,比较与其他立体车库的优缺点分析。第二周到第四周3中期检查。将设计方案落实,并找出需要解决的问题。第五周到第六周4完成关于项目的毕业设计文本说明。第七周5毕业论文修改与各部分设计的细节完善、答辩PPT 制作。第八周计划答辩时间答辩提交资料教研室主任审核意见签名:

1、当您付费下载文档后,您只拥有了使用权限,并不意味着购买了版权,文档只能用于自身使用,不得用于其他商业用途(如 [转卖]进行直接盈利或[编辑后售卖]进行间接盈利)。
2、本站所有内容均由合作方或网友上传,本站不对文档的完整性、权威性及其观点立场正确性做任何保证或承诺!文档内容仅供研究参考,付费前请自行鉴别。
3、如文档内容存在违规,或者侵犯商业秘密、侵犯著作权等,请点击“违规举报”。

碎片内容

机械设计及其自动化专业 基于PLC垂直升降式立体车库控制系统的设计 任务书

文章天下+ 关注
实名认证
内容提供者

各种文档应有尽有

相关文档

确认删除?
VIP
微信客服
  • 扫码咨询
会员Q群
  • 会员专属群点击这里加入QQ群
客服邮箱
回到顶部