电脑桌面
添加小米粒文库到电脑桌面
安装后可以在桌面快捷访问

布料检验标准(1)

布料检验标准(1)_第1页
1/11
布料检验标准(1)_第2页
2/11
布料检验标准(1)_第3页
3/11
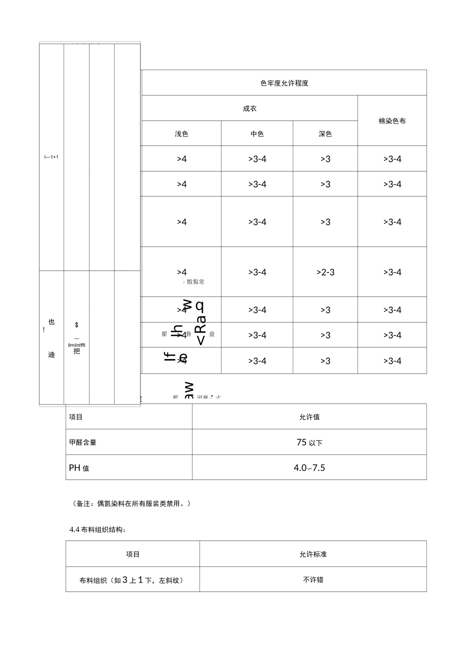
1.目的:提高验布水平,确保布料质量,为检布提供作业标准。2.内容与适用范围:本标准规定了梭织及各种面料的基本质量要求。本标准适用于各类染色面料的质量检验。3.验布要求:3.1一般情况下采用十分制各四分制布料评定法。3.2 随机抽样的形式进行,从整批来布中任意挑一定数量的样本,能过视觉审查决定整批布料的品质。3.3对布料大货10%进行抽查,当大货数量少于1000 码时做100 全检。3.4 检验布料时,验布人保持约92 厘米的距离,以3 至4 盏40 加罩日光灯。光源与布面的距离为1-1.2 米。3.5面料背面应有照明设施的验布台,拉伸时无张力。3.6 布的走动速度须适合验布人的检验和记录,以便验布人员的检查面料瑕疵,然后另一端将滑过验布台的布料重新卷上。3.7填写检验记录。检验记录包括(布料款号、来源、染缸号、检验者签名及疵点数量等。4.质量要求:质量要求分为内在质量和外观质量两个方面。内在质量包括经纬密度、断裂强力、缩水率、色牢度、组织结构、缝子疵裂、起毛、起球等。外观质量按四分制评分。内在质量:缩水率(因洗水方法不同,缩水率也有所不同,下表缩水率为仿实际生产洗水后,布料缩水率的最高要求。)织物类别洗水缩水率(%)经向(直缩)纬向(横缩)梭织布-3.5-3.5弹力布-3-8针织布棉单卫布-8-940S+40D 拉架平纹-1-4单珠地-10-726S/11*1 罗纹-8-840S/1 双面布-9-8纯棉平纹-8-9织物类别洗水缩水率(%)经向(直缩)纬向(横缩)丝织品-8-3毛织品(绒面)-4-5棉布斜纹/线呢/贡呢-4.5-3.5灯芯绒-5.5-5帆布-8-4牛仔布-3-4绲纺布/纯棉-5-5横纹/平纹、提花-3-44.2 色牢度项目色牢度允许程度成衣棉染色布浅色中色深色耐洗变色>4>3-4>3>3-4沾色>4>3-4>3>3-4耐干摩擦沾色>4>3-4>3>3-4耐湿摩擦沾色>4>3-4>2-3>3-4耐光变色>4>3-4>3>3-4耐汗渍变色>4>3-4>3>3-4沾色>4>3-4>3>3-44.3 甲醛含量、PH 限定项目允许值甲醛含量75 以下PH 值4.0〜7.5(备注:偶氮染料在所有服装类禁用。)4.4 布料组织结构:项目允许标准布料组织(如3 上1 下,左斜纹)不许错-骰髯常wq翟lh鲁

1、当您付费下载文档后,您只拥有了使用权限,并不意味着购买了版权,文档只能用于自身使用,不得用于其他商业用途(如 [转卖]进行直接盈利或[编辑后售卖]进行间接盈利)。
2、本站所有内容均由合作方或网友上传,本站不对文档的完整性、权威性及其观点立场正确性做任何保证或承诺!文档内容仅供研究参考,付费前请自行鉴别。
3、如文档内容存在违规,或者侵犯商业秘密、侵犯著作权等,请点击“违规举报”。

碎片内容

布料检验标准(1)

确认删除?
微信客服
  • 扫码咨询
会员Q群
  • 会员专属群点击这里加入QQ群