电脑桌面
添加小米粒文库到电脑桌面
安装后可以在桌面快捷访问

接地电阻测试记录填写范本

接地电阻测试记录填写范本_第1页
1/2
接地电阻测试记录填写范本_第2页
2/2
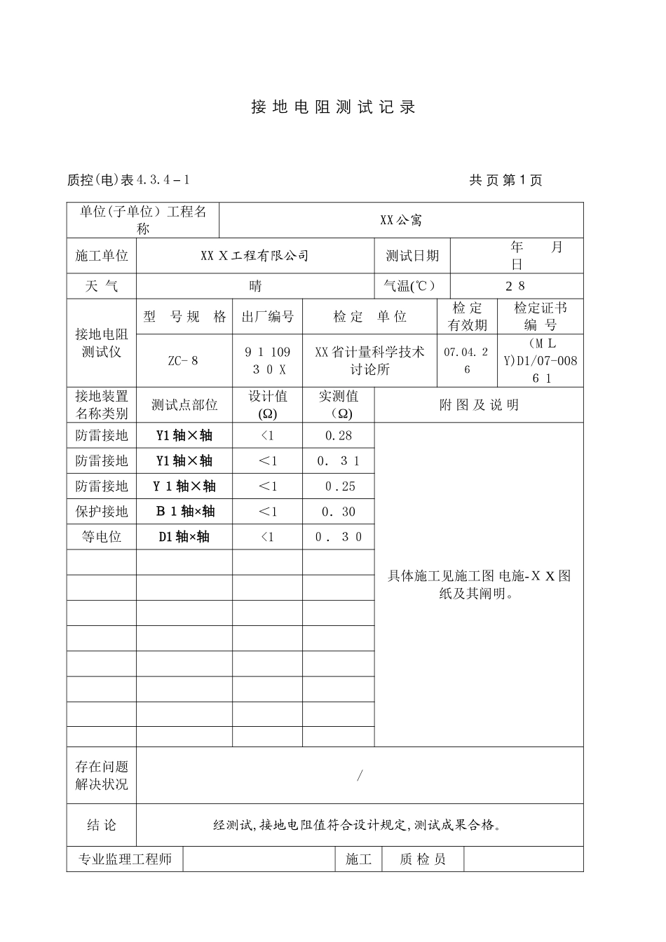
接 地 电 阻 测 试 记 录质控(电)表 4.3.4-1 共 页 第1页单位(子单位)工程名称XX 公寓施工单位XX X工程有限公司测试日期 年 月 日天 气晴气温(℃)2 8接地电阻 测试仪型 号 规 格出厂编号检 定 单 位检 定 有效期检定证书 编 号ZC-89 1 10930 XXX 省计量科学技术讨论所07.04.26(M LY)D1/07-0086 1接地装置 名称类别测试点部位设计值(Ω)实测值 (Ω)附 图 及 说 明防雷接地Y1 轴×轴<10.28具体施工见施工图 电施-X X 图纸及其阐明。防雷接地Y1 轴×轴<10.3 1防雷接地Y 1轴×轴<10.25保护接地B1轴×轴<10.30等电位D1 轴×轴<10.30存在问题解决状况/结 论经测试,接地电阻值符合设计规定,测试成果合格。专业监理工程师施工质 检 员(建设单位项目专业技术负责人)单位施 工 员测 试 员

1、当您付费下载文档后,您只拥有了使用权限,并不意味着购买了版权,文档只能用于自身使用,不得用于其他商业用途(如 [转卖]进行直接盈利或[编辑后售卖]进行间接盈利)。
2、本站所有内容均由合作方或网友上传,本站不对文档的完整性、权威性及其观点立场正确性做任何保证或承诺!文档内容仅供研究参考,付费前请自行鉴别。
3、如文档内容存在违规,或者侵犯商业秘密、侵犯著作权等,请点击“违规举报”。

碎片内容

接地电阻测试记录填写范本

文旅传媒+ 关注
实名认证
内容提供者

传播文化,成就未来

确认删除?
VIP
微信客服
  • 扫码咨询
会员Q群
  • 会员专属群点击这里加入QQ群
客服邮箱
回到顶部