电脑桌面
添加小米粒文库到电脑桌面
安装后可以在桌面快捷访问

水处理技术手册VIP免费

水处理技术手册_第1页
1/17
水处理技术手册_第2页
2/17
水处理技术手册_第3页
3/17
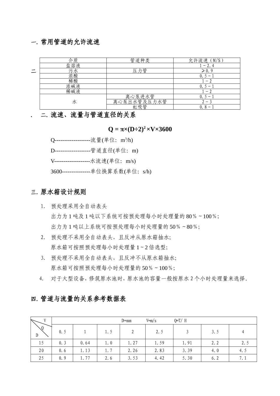
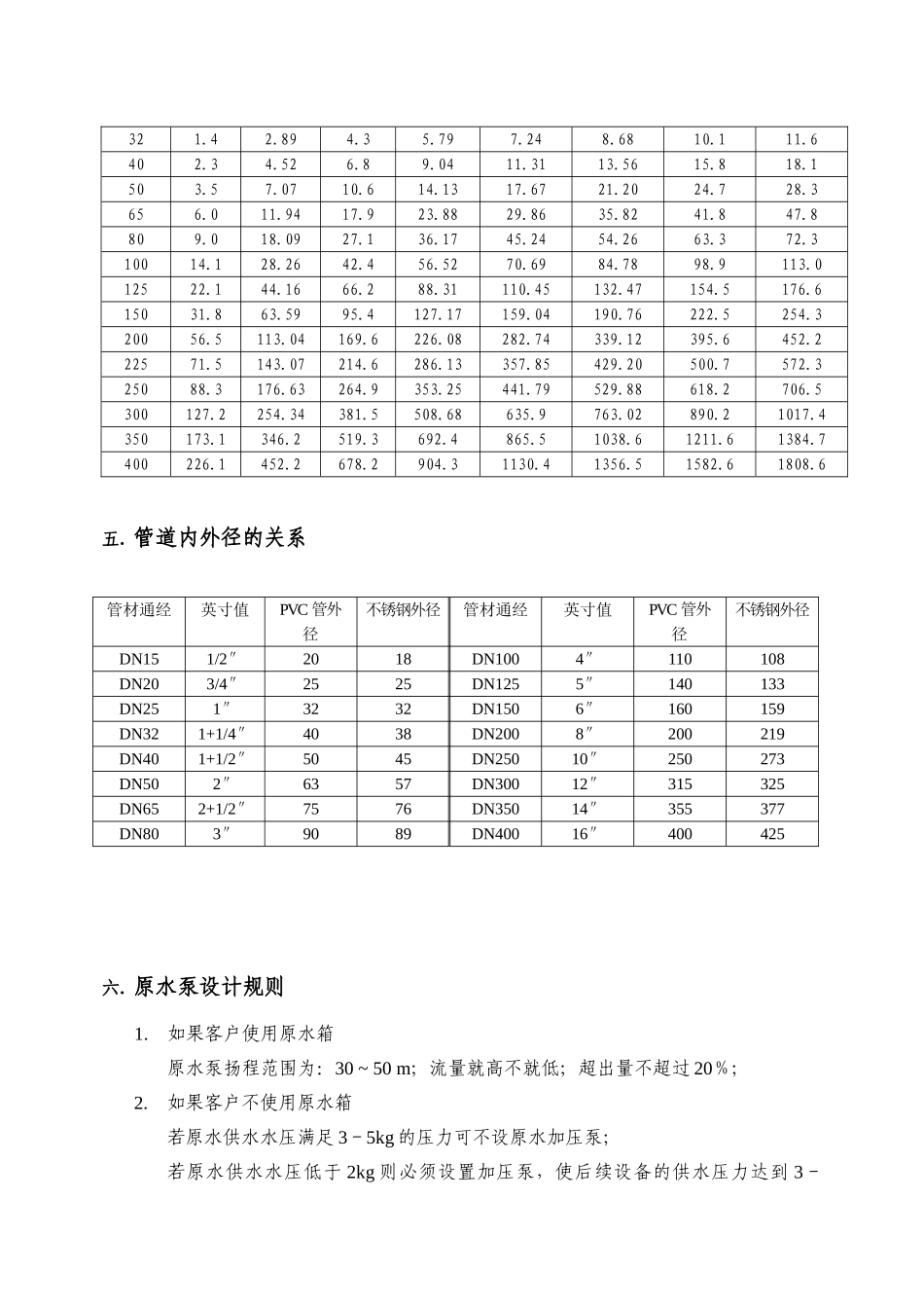
水处理技术手册目录一.常用管道的允许流速...................................................2二.流速、流量与管道直径的关系...........................................2三.原水箱设计规则.......................................................2四.管道与流量的关系参考数据表...........................................2五.管道内外径的关系.....................................................2六.原水泵设计规则.......................................................2七.絮凝剂、助凝剂加药设计规则(可参照exsell表格)......................2八.机械过滤器设计规则...................................................2九.活性炭过滤器设计参数.................................................2十.反洗水泵设计规则.....................................................2十一.罗茨鼓风机的选择.....................................................2十二.5um精密过滤器的参考数据..............................................2十三.阻垢加药的设计.......................................................2十四.反渗透系统的设计.....................................................2十五.反渗透清洗系统的选择.................................................2十六.中间水箱的有效容量设计规则...........................................2十七.鼓风填料式除碳器的设计...............................................2十八.混床的运行设计及再生工艺过程技术数据.................................2十九.混床再生周期及耗酸碱量的计算.........................................2二十.各类交换床常用运行流速...............................................2二十一.树脂再生周期及耗盐量的计算.......................................2二十二.过滤器滤料填充计算公式及参考数据.................................2二十三.无油空压机的选择.................................................2二十四.换热器的设计原理.................................................2二十五.超滤系统.........................................................2二十六.EDI装置..........................................................2一.常用管道的允许流速二.二.流速、流量与管道直径的关系Q=π×(D÷2)2×V×3600Q-------------------流量(单位:m3/h)D-------------------管道直径(单位:m)V-------------------水流速(单位:m/s)3600---------------单位换算系数(单位:s/h)三.原水箱设计规则1.预处理采用全自动表头出力为1吨及1吨以下系统可按预处理每小时处理量的80%~100%;出力为1吨以上系统可按预处理每小时处理量的50%~80%;2.预处理不采用全自动表头,且反冲从原水箱抽水;原水箱可按照预处理每小时处理量1~2倍选型;3.预处理不采用全自动表头,且反冲不从原水箱抽水;原水箱可按照预处理每小时处理量的50%~100%;4.对于大型设备,修筑原水池时,原水池的容量一般按原水2个小时处理量来选择。四.管道与流量的关系参考数据表VQDD=mmV=m/sQ=T/H0.511.522.533.54150.30.641.01.271.591.912.22.5200.61.131.72.262.833.394.04.5250.91.772.63.534.425.306.27.1介质管道种类允许流速(M/S)盐溶液1-2.4污水压力管≥0.9浓酸0.5-1稀酸1-2浓碱液0.5-1稀碱液1-2水离心泵进水管0.5-1离心泵出水管及压力水管2-3虹吸管0.8-1321.42.894.35.797.248.6810.111.6402.34.526.89.0411.3113.5615.818.1503.57.0710.614.1317.6721.2024.728.3656.011.9417.923.8829.8635.8241.847.8809.018.0927.136.1745.2454.2663.372.310014.128.2642.456.5270.6984.7898.9113.012522.144.1666.288.31110.45132.47154.5176.615031.863.5995.4127.17159.04190.76222.5254.320056.5113.04169.6226.08282.74339.12395.6452.222571.5143.07214.6286.13357.85429.20500.7572.325088.3176.63264.9353.25441.79529.88618.2706.5300127.2254.34381.55...

1、当您付费下载文档后,您只拥有了使用权限,并不意味着购买了版权,文档只能用于自身使用,不得用于其他商业用途(如 [转卖]进行直接盈利或[编辑后售卖]进行间接盈利)。
2、本站所有内容均由合作方或网友上传,本站不对文档的完整性、权威性及其观点立场正确性做任何保证或承诺!文档内容仅供研究参考,付费前请自行鉴别。
3、如文档内容存在违规,或者侵犯商业秘密、侵犯著作权等,请点击“违规举报”。

碎片内容

水处理技术手册

确认删除?
VIP
微信客服
  • 扫码咨询
会员Q群
  • 会员专属群点击这里加入QQ群
客服邮箱
回到顶部