电脑桌面
添加小米粒文库到电脑桌面
安装后可以在桌面快捷访问

项目一 起动机检修

项目一 起动机检修_第1页
1/8
项目一 起动机检修_第2页
2/8
项目一 起动机检修_第3页
3/8
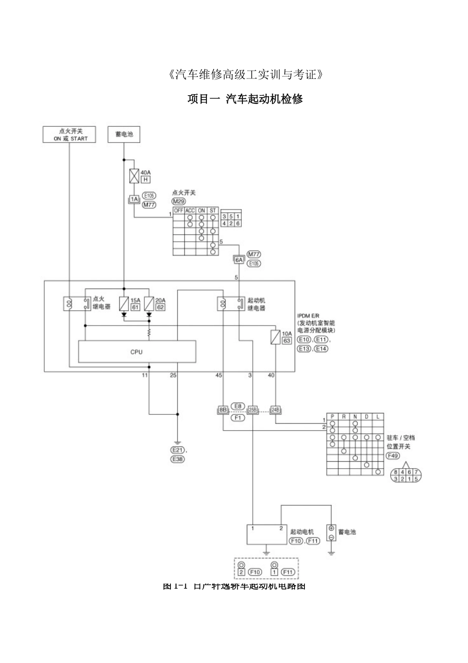
《汽车维修高级工实训与考证》项目一 汽车起动机检修图 1-1 日产轩逸轿车起动机电路图1.起动机的分解(1)拆下磁极框架和电枢。(2)拆下起动机壳体、离合器总成和齿轮。(3)拆下电刷座。(4)从磁极框架上取下电枢。总成分解后如图 1-2 所示。2.起动机的作用和组成起动机的作用:利用起动机将蓄电池的电能转换为机械能,再通过传动机构将发动机拖转起动。起动机的组成:由直流电动机、传动机构(啮合机构)和操纵机构(电磁开关)三部分组成。3.检修(1)电枢绕组检修:常见的故障是短路、断路或换向器铜片脱落。1)电枢绕组线圈短路检测,将其放在感应仪上,接通感应仪的电源,并将钢片放在电枢铁心上方,若电枢中有短路,则在电枢绕组中将产生感应电流,钢片在交流磁场的作用下振动。由此可判断电枢绕组中的线圈短路,则需更换。如果转动电枢一圈,钢片不振动,刚说明电枢绕组中的线圈良好。2)换向器的检修:用万用表测量任二个铜片之间应该导通状态,如果不导通说明线圈处于断路,应更换。铜片与轴之间应绝缘,如图 1-3。检查换向器的表面是否烧蚀、云母片是否突出。烧蚀应用用 00 号砂纸轻轻打磨。云母片如果高于铜片时应用锉刀修整。确保云母片低于铜片 0.5~0.8mm,如图 1-4。 图 1-3 换向器检查 图 1-4 换向器凹槽深度的检查 图 1-5 换向器径向摆差的检查(2)检查换向器的径向摆差。如图 1-5 所示将电枢放在 V 型铁块上,用百分表测量径向摆差。最大径向摆差小于 0.05mm,如径向摆差超过标准值,在车床上加工校正。用游标卡尺检查检查换向器直径。换向器最小直径为 28mm,图 1-6 所示。 图 1-6 换向器直径检查(3)励磁绕组的检修:励磁绕组的常见故障有接头脱焊、断路或搭铁。用万用表测量励磁绕组是否导通,如果导通则说明线圈没断路。将励磁绕组放在电枢感应仪,感应仪通电后若绕组发热,则说明励磁绕组短路,则更换。(4)电刷与电刷架的检修检查电刷的高度,一般不应低于标准的 2/3,电刷的接触面积不应小于 75%,如图 1-7 所示。并且电刷在电刷架内无卡滞现象。用万用表测量同名电刷应导通,正电刷与电刷架无导通,负电刷与电刷架应导通,如图 1-8 所示。电刷弹簧应无拆断、变软现象,否则应更换,图 1-9。图 1-7 电刷长度检查 图 1-8 电刷与电刷座的检查(如,轩逸轿车电刷磨损长度为 10.5mm)(5)单向离合器检修(图 1-10 所示):检查其单向性,一方向可以转动,另一方向用 25N 力检...

1、当您付费下载文档后,您只拥有了使用权限,并不意味着购买了版权,文档只能用于自身使用,不得用于其他商业用途(如 [转卖]进行直接盈利或[编辑后售卖]进行间接盈利)。
2、本站所有内容均由合作方或网友上传,本站不对文档的完整性、权威性及其观点立场正确性做任何保证或承诺!文档内容仅供研究参考,付费前请自行鉴别。
3、如文档内容存在违规,或者侵犯商业秘密、侵犯著作权等,请点击“违规举报”。

碎片内容

项目一 起动机检修

确认删除?
VIP
微信客服
  • 扫码咨询
会员Q群
  • 会员专属群点击这里加入QQ群
客服邮箱
回到顶部