电脑桌面
添加小米粒文库到电脑桌面
安装后可以在桌面快捷访问

侧石缘石施工方案

侧石缘石施工方案_第1页
1/4
侧石缘石施工方案_第2页
2/4
侧石缘石施工方案_第3页
3/4
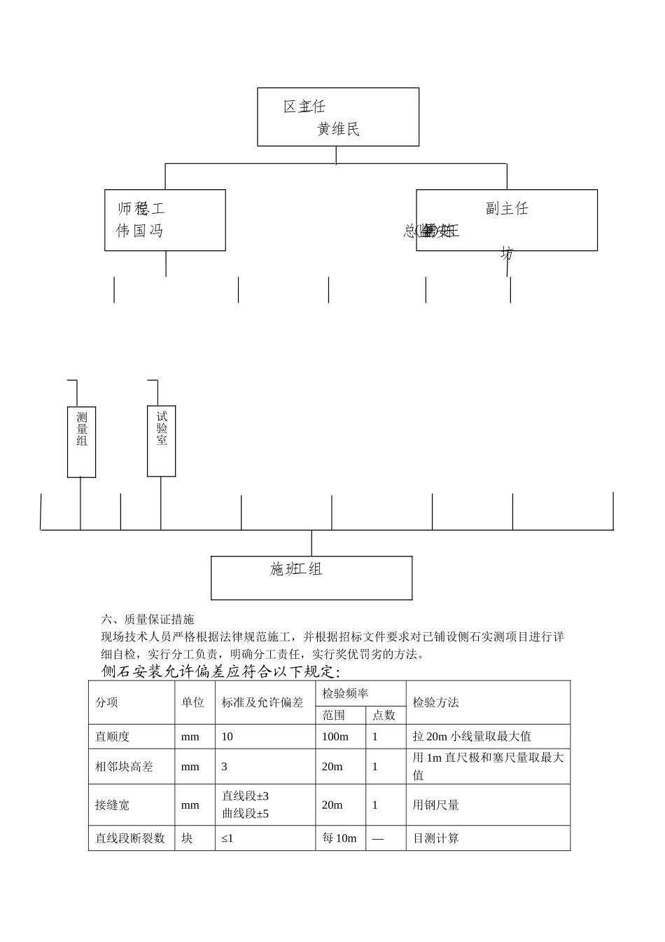
目录一、工程概况11、主要工程量: 1二、施工工艺流程1三、施工方案11、材料要求:12、测量放线:13、刨槽 24、安装 2四、施工进度计划2五、施工人员及设备配置:3六、质量保证措施4七、质量通病及预防措施:5八、安全保证措施:5一、工程概况本工程车行道与人行道相接处设置侧石,侧石外露 17cm。车行道一侧倒圆角。1、主要工程量:快车道侧石长度:8277m;中央分隔带侧石长度:7157m。二、施工工艺流程侧石施工工艺流程:施工放样→刨槽→铺垫层→安装→浇筑后戗。三、施工方案1、材料要求:1) 花岗石的品种、规格应符合设计要求,技术等级、光泽度、外观质量要求,应符合法律规范要求。2) 福源道两侧的侧石尺寸为:90~100cm,宽 20cm,高 30cm。隔离带的侧石尺寸为:长90~100cm。宽 12cm,高 30cm。3)隔离带端头所采纳的侧石高应为 45cm,且为圆弧型。4)路口八字范围内所用侧石高度应为 45cm。5)侧石材质为花岗岩,所有侧石内侧倒角,倒角大小应一致。6)所有侧石颜色应一致,并应六面加工,平整光滑。2、测量放线:根据设计核对道路中心线无误后,放出路面边线定出边桩及高程、直线部位设 10 米桩,曲线部位边桩应加密,保证曲线圆弧尺寸。3、刨槽使用刨槽机刨槽,刀具宽度应较侧石宽出约 1~2cm,深度应比设计加深 1~2cm。刨槽结束后,对下基层表面进行清理,清除表面的碎石、砂、土等杂物,使表面洁净洁净,并在侧石安装之前对其洒水润湿。4、安装(1)铺垫层:安装时先拌制 1:3 水泥砂浆做垫层,铺于侧石底部,快车道侧底部水泥砂浆铺筑厚度为 3cm。(2)安装:按桩橛线及侧石顶面标高拉线绷紧码砌侧石。每段长度应为侧石的块数(含缝宽)的整数倍,以防多处砌筑出现较大空档。曲线处应注意侧石外型圆滑,侧石要安正,忌前倾后仰。成活侧石顶角线圆滑平顺无凹进凸出,高低错牙现象,符合标准要求。(3)还填:侧石外侧后背可用基层剩余混合料回填夯实,应两侧同时分层还填夯实,回填过程中要不断调整侧石线,使之顺直圆滑。侧石外侧根据设计增加水泥混凝土后戗。(即在侧石后直接使用 C15 混凝土,现场浇筑振实成后戗)以稳固侧石。四、施工进度计划5.28~6.2:完成工业四路至工业五路段、工业五路东侧桩号 K3+600 至 K4+000 段侧石施工;6.3~6.4:完成工业一路至工业二路段侧石施工;6.5~6.8:完成 K4+000 至终点段侧石施工;6.9~6.10:完成起点至工业一路段侧石施工。五、施工人员及设备配置:1、根...

1、当您付费下载文档后,您只拥有了使用权限,并不意味着购买了版权,文档只能用于自身使用,不得用于其他商业用途(如 [转卖]进行直接盈利或[编辑后售卖]进行间接盈利)。
2、本站所有内容均由合作方或网友上传,本站不对文档的完整性、权威性及其观点立场正确性做任何保证或承诺!文档内容仅供研究参考,付费前请自行鉴别。
3、如文档内容存在违规,或者侵犯商业秘密、侵犯著作权等,请点击“违规举报”。

碎片内容

侧石缘石施工方案

您可能关注的文档

确认删除?
VIP
微信客服
  • 扫码咨询
会员Q群
  • 会员专属群点击这里加入QQ群
客服邮箱
回到顶部