电脑桌面
添加小米粒文库到电脑桌面
安装后可以在桌面快捷访问

门架升降机施工方案

门架升降机施工方案_第1页
1/7
门架升降机施工方案_第2页
2/7
门架升降机施工方案_第3页
3/7
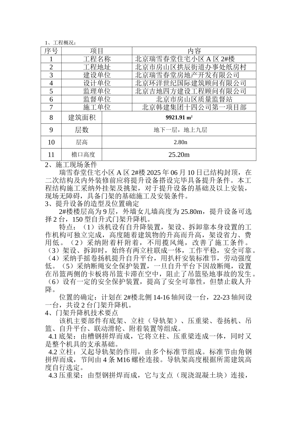
1、工程概况:序号项目内容1工程名称北京瑞雪春堂住宅小区 A 区 2#楼2工程地址北京市房山区拱辰街道办事处纸房村3建设单位北京瑞雪春堂房地产开发有限公司4设计单位北京环洋世纪国际建筑顾问有限公司5监理单位北京吉地四方建设工程顾问有限公司6监督单位北京市房山区质量监督站7施工单位北京韩建集团十四公司第一项目部8建筑面积9921.91 m29层数地下一层,地上九层10层高2.80n11檐口高度25.20m2、施工现场条件瑞雪春堂住宅小区 A 区 2#楼 2025 年 06 月 10 日已结构封顶,在二次结构及内外装修前应将提升设备搭设完毕具备提升条件。本工程结构施工采纳外挂架及挑架,对于提升设备的基础及以上安装,现场无障碍,具备门架的基础施工及安装条件。3、提升设备的造型及位置确定2#楼楼层高为 9 层,外墙女儿墙高度为 25.80m,提升设备可选择 2 台,150 型自升式门架升降机。特点:(1)该机设有自升降装置,架设、拆卸靠本身设置的工作机构可独立完成,高度随着建筑物的升高而升高,架设省力、费用低。(2)采纳附着杆附着,不用揽风绳,改善了施工条件。(3)架设、拆卸时,始终有两立柱联成一体,工作平稳,安全可靠。(4)采纳手摇卷扬机提升自升平台,用扒杆安装标准节,劳动强度低。(5)采纳断绳安全保护装置,一旦自升平台下因故断绳,设置在吊篮两侧的卡板将吊篮卡滞在空中,阻止了吊篮坠地事故的发生。(6)设有一定的安全保护装置,提高了安全可靠性,但禁止载人升降。位置的确定:计划在 2#楼北侧 14-16 轴间设一台,22-23 轴间设一台,共设 2 台门架升降机。4、门架升降机技术要点该机主要部件有底架、立柱(导轨架)、压重梁、卷扬机、吊篮、自升平台、联动滑轮、附着装置等组成。4.1 底架:由槽钢拼焊而成,它将立柱、压重梁连成一体,同时又是整个机具的支承基础。4.2 立柱:又起导轨架的作用,由多个标准节组成。标准节由角钢拼焊而成,节间由 4 条 M16 螺栓连接。导轨架高度根据所需建筑高度自行选定。4.3 压重梁:由型钢拼焊而成,它与支点(现浇混凝土块)连接,亦可在压重梁上压配重块,但每个支点不少于 1.5t(每侧不少于3t)。4.4 吊篮:是提升物料的主要工作机构,由型钢组成焊接牢固。侧柱上有滚轮,可沿立柱主弦滚动,起导向作用。下有用弹簧连接的两根钢管,可以自动搭在支架上,以便在空中停留时起支撑作用。4.5 自升平台:是改变门架起升高度的主要机构。平常又起提升横梁作用,上装起...

1、当您付费下载文档后,您只拥有了使用权限,并不意味着购买了版权,文档只能用于自身使用,不得用于其他商业用途(如 [转卖]进行直接盈利或[编辑后售卖]进行间接盈利)。
2、本站所有内容均由合作方或网友上传,本站不对文档的完整性、权威性及其观点立场正确性做任何保证或承诺!文档内容仅供研究参考,付费前请自行鉴别。
3、如文档内容存在违规,或者侵犯商业秘密、侵犯著作权等,请点击“违规举报”。

碎片内容

门架升降机施工方案

元素商铺+ 关注
实名认证
内容提供者

欢迎挑选合适的文档

确认删除?
VIP
微信客服
  • 扫码咨询
会员Q群
  • 会员专属群点击这里加入QQ群
客服邮箱
回到顶部