电脑桌面
添加小米粒文库到电脑桌面
安装后可以在桌面快捷访问

隧道量测方案汇总

隧道量测方案汇总_第1页
1/13
隧道量测方案汇总_第2页
2/13
隧道量测方案汇总_第3页
3/13
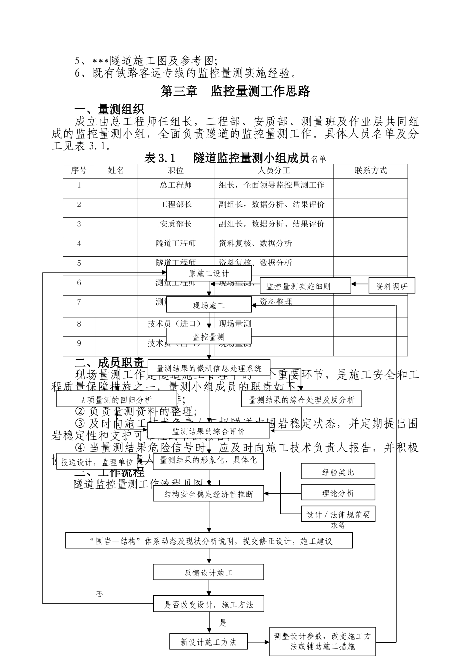
隧道监控量测实施方案第一章 工程概况1、线路概况**隧道位于**与**之间,隧道起讫里程为***2、地形地貌隧道通过部位为低山丘陵区。地势为中部高,南、北低,地形起伏较大,山坡自然坡度多为 10-30° 。3、地层岩性沿 隧 道 洞 身 出 露 地 层 主 要 为 第 四 系 全 新 统 坡 残 积 粉 质 粘 土 、 厚1.0m~8.5m,沟谷地段厚达 15.1m;下为中元古界龟山组石英绢云母片岩,强风化层厚大于 7.95m,隧道进出口未见弱风化。4、地质构造(1)隧道位于桐柏~大别山造山带中段,区内主要构造有翟家沟韧性剪切带,其顺层流劈理化发育,倾向线路右侧,节理产状较杂乱。隧道左侧约500m 处有一性质不明断层,走向北东向,对隧址区开挖有一定的影响,可能会有涌水现象。5、不良地质及特别岩土隧址区未见特别岩土,山体斜坡风化的岩碎石易松动形成落石。6、岩爆本隧道的最大埋深 100 多米,未超过发生岩爆的经验临界深度,预测岩爆的可能性较小。7、地温沿热附近无温泉出露和地温异常区,预测围岩原始温度不会超过 19℃。8、水文地质条件地下水主要为基岩裂隙水,主要补给来源为大气降水及坳沟中季节性地表水。由于隧道岩性为石英绢云母片岩,富水性较弱。预测每延米涌水量为0.86(T/m.d),应加强排水防渗及堵漏处理。第二章 监控量测目的及依据一、监控量测目的1、确保施工安全及结构的长期稳定性;2、验证支护结构效果,确认支护参数和施工方法的准确性或为调整支护参数和施工方法提供依据; 3、确认二次衬砌施做时间; 4、监控工程对周围环境影响;5、积累量测数据,为信息化设计与施工提供依据。二、监控量测依据1、《铁路隧道喷锚构筑法技术法律规范》(TB10108-2025 J159-2025);2、《铁路隧道监控量测技术规程》(TB10121-2025 J721-2025);3、《精密工程测量法律规范》(GB/T 15314-94)4、《工程测量法律规范》(GB0026-93)5、***隧道施工图及参考图;6、既有铁路客运专线的监控量测实施经验。第三章 监控量测工作思路一、量测组织成立由总工程师任组长,工程部、安质部、测量班及作业层共同组成的监控量测小组,全面负责隧道的监控量测工作。具体人员名单及分工见表 3.1。表 3.1 隧道监控量测小组成员名单序号姓名职位人员分工联系方式1总工程师组长,全面领导监控量测工作2工程部长副组长,数据分析、结果评价3安质部长副组长,数据分析、结果评价4隧道工程师资料复核、数据分析5隧道工程师资料复核、数据分...

1、当您付费下载文档后,您只拥有了使用权限,并不意味着购买了版权,文档只能用于自身使用,不得用于其他商业用途(如 [转卖]进行直接盈利或[编辑后售卖]进行间接盈利)。
2、本站所有内容均由合作方或网友上传,本站不对文档的完整性、权威性及其观点立场正确性做任何保证或承诺!文档内容仅供研究参考,付费前请自行鉴别。
3、如文档内容存在违规,或者侵犯商业秘密、侵犯著作权等,请点击“违规举报”。

碎片内容

隧道量测方案汇总

您可能关注的文档

确认删除?
VIP
微信客服
  • 扫码咨询
会员Q群
  • 会员专属群点击这里加入QQ群
客服邮箱
回到顶部