电脑桌面
添加小米粒文库到电脑桌面
安装后可以在桌面快捷访问

异冰片甲基丙烯酸酯

异冰片甲基丙烯酸酯_第1页
1/5
异冰片甲基丙烯酸酯_第2页
2/5
异冰片甲基丙烯酸酯_第3页
3/5
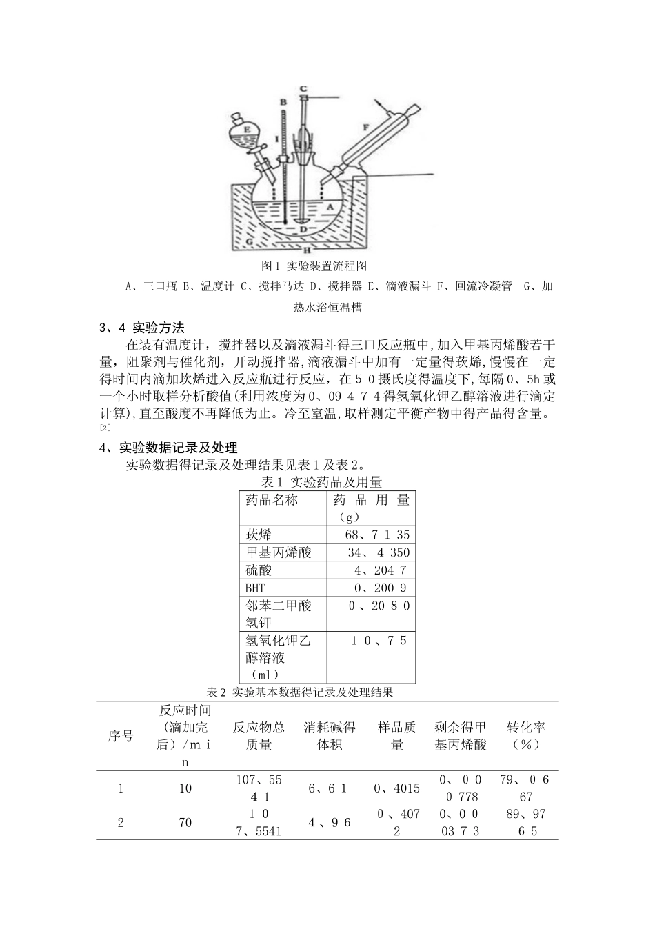
异冰片甲基丙烯酸酯得合成摘要:描述了在硫酸催化剂存在下,由甲基丙烯酸与莰烯合成异冰片甲基丙烯酸酯得实验室工艺,并通过改变反应条件讨论其原料转化率得变化,据此选出较适合该反应得条件.关键词:异冰片甲基丙烯酸酯 莰烯 甲基丙烯酸1 讨论意义丙烯酸异冰片酯与甲基丙烯酸异冰片酯,学名为(甲基)丙烯酸1, 7, 7-三甲基-双环[2、 2、 1]-2—庚酯,就是一种非常有用得特别单体。由于酯基就是一双环烃基,因此给予了该(甲基)丙烯酸酯一些良好得性质,例如,黏度明显比相应得甲酯低,在共聚物与均聚物中表现出良好得光泽性、硬度与耐擦洗性,在许多方面得性能均好于目前使用得(甲基)丙烯酸环己酯,在国外已广泛使用于光固化涂料、丙烯酸乳液等。关于(甲基)丙烯酸异冰片酯得合成,国内未见文献报道。从国外已有得少数专利文献报道方法来瞧[1, 2],大多就是在不同催化剂得催化下由(甲基)丙烯酸与 3, 3-二甲基-2 甲撐-双环[2、 2、 1]-庚烷反应来制备,由于所使用得催化剂不同,操作条件与收率也不尽相同。本文主要讨论用硫酸作催化剂进行异冰片甲基丙烯酸酯得合成。[1]2 物理化学性能异冰片甲基丙烯酸酯,又称甲基丙烯酸莰醇酯。英文名: Is o borny l methacryla t e、分子式:C 1 4H22O2,分子量:222、32,结构式如下:无色或淡黄色液体, bp: 1 1 2-117/ 0、33pP a,相对密度为0、980(25/4),nD:1、47 53,不溶于水,溶于乙醇,乙醚等大多数有机溶剂。3 试验药品及仪器3、1 试验药品甲基丙烯酸、莰烯、硫酸(98%)、2,4-二甲基-6-叔丁基苯(BH T)、2,4-2 甲基-6-叔丁基苯酚(6BX)、分析醇、邻苯二甲酸氢钾(基准试剂)、氢氧化钠固体(A、R)、酚酞指示剂、浓硫酸(9 8%)3、2 反应原理本实验以茨烯与甲基丙烯酸为原料来制备甲基丙烯酸异冰片酯,反应如下所示:莰烯中得双键电子云受大得具有斥电子效应得烷基团得影响,双键上得电子密度增加,在亲电特性得催化剂催化作用下,与甲基丙烯酸作用成,该正碳离子不稳定,马上进行重排成,它与CH2=C(C H3)-COO-结合形成-O C-C=C H2,该反应机理属于烯烃得亲电加成反应[2].3、3 工艺流程图图 1 实验装置流程图A、三口瓶 B、温度计 C、搅拌马达 D、搅拌器 E、滴液漏斗 F、回流冷凝管 G、加热水浴恒温槽3、4 实验方法在装有温度计,搅拌器以及滴液漏斗得三口反应瓶中,加入甲基丙烯酸若干量,阻聚剂与催化...

1、当您付费下载文档后,您只拥有了使用权限,并不意味着购买了版权,文档只能用于自身使用,不得用于其他商业用途(如 [转卖]进行直接盈利或[编辑后售卖]进行间接盈利)。
2、本站所有内容均由合作方或网友上传,本站不对文档的完整性、权威性及其观点立场正确性做任何保证或承诺!文档内容仅供研究参考,付费前请自行鉴别。
3、如文档内容存在违规,或者侵犯商业秘密、侵犯著作权等,请点击“违规举报”。

碎片内容

异冰片甲基丙烯酸酯

您可能关注的文档

确认删除?
VIP
微信客服
  • 扫码咨询
会员Q群
  • 会员专属群点击这里加入QQ群
客服邮箱
回到顶部