电脑桌面
添加小米粒文库到电脑桌面
安装后可以在桌面快捷访问

木栈道施工方案

木栈道施工方案_第1页
1/10
木栈道施工方案_第2页
2/10
木栈道施工方案_第3页
3/10
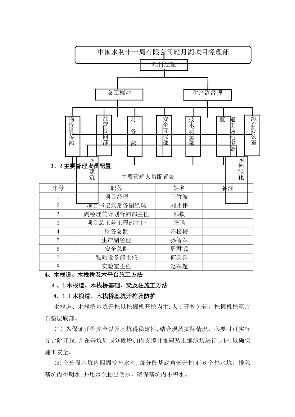
木栈道、木栈桥及木平台施工方案1、工程概况1、1工程简介木栈桥,木栈道及木平台施工属于园林建筑工程。其中木栈桥及木栈道总长度为1 14 8、4 m,面积约为 4500m 2;木平台总长度约 59 4m,面积约为 20 00㎡。木栈桥、木栈道及木平台分属于芦笛鸣晚、芦渚怄鸣等 2 0个不同得景观点。1、2 工期目标2013 年 9 月 1 0日开工,20 14年 3 月 20 日竣工,总工期:122 日历天。2、施工准备2、1 技术准备开工前,完成导线点、原地面复测及开工项目放样工作;做好原材料试验;做好技术、安全等交底工作。2、2 施工场地准备2.2.1清除施工区域内遗留得垃圾、废渣及其它各种障碍物。2.2.2 根据施工需要在适当得位置修筑临时便道,与原有施工便道顺接,满足材料、机械设备及施工车辆得进场需要。2.2.3 施工用水、电接至施工现场。2、3 材料准备木栈桥(道)基础、柱及板砼采纳商品砼。2、4 施工放样准备2.4.1 施工前,用全站仪或 GP S仪放出木栈道、木栈桥桩位布设轴线,并根据桩位平面图,用钢尺量距,确定基础位置。2.4.2根据设计要求,确定各部位标高,并进行编号,以利于施工管理及资料整理。3、施工总体安排木栈桥、木栈道及木平台属于景观建筑工程,追求外观美等,根据项目特点,结合工程美感、工期、质量、安全、环保等方面得要求,建立一支高效、精干强有力得领导机构。3、1 项目经理部组织机构框图3、2 主要管理人员配置主要管理人员配置表序号职务姓名备注1项目经理王竹波2项目书记兼常务副经理刘团伟3副经理兼计划合同部主任邵钦3项目总工兼工程部主任张强4财务总监陈松梅5生产副经理孙智军6安全总监周君武7物质设备部主任何兵兵8实验室主任赵军超4、木栈道、木栈桥及木平台施工方法4、1 木栈道、木栈桥基础、梁及柱施工方法4.1.1 木栈道、木栈桥基坑开挖及防护 木栈道、木栈桥基坑开挖以挖掘机开挖为主,人工开挖为辅。挖掘机挖至片石垫层底部。(1)为保证开挖安全以及基坑得稳定性,结合现场实际情况,必要时可实行分台阶开挖,并在基坑周围分段增加内支撑并堆码装土编织袋进行围护,以确保施工安全。(2)在分段基坑内四周挖排水沟,每分段基底角部开挖 4~6个集水坑,排除基坑内得明水,并用水泵抽出明水,确保基坑内不积水。中国水利十一局有限公司雁月湖项目经理部物资设备部园林建筑园林绿化项目经理经营合同部财 务 部安全环保部技术质量部施工场地实验室综合办公室总工程师生产副经理4.1.2木栈...

1、当您付费下载文档后,您只拥有了使用权限,并不意味着购买了版权,文档只能用于自身使用,不得用于其他商业用途(如 [转卖]进行直接盈利或[编辑后售卖]进行间接盈利)。
2、本站所有内容均由合作方或网友上传,本站不对文档的完整性、权威性及其观点立场正确性做任何保证或承诺!文档内容仅供研究参考,付费前请自行鉴别。
3、如文档内容存在违规,或者侵犯商业秘密、侵犯著作权等,请点击“违规举报”。

碎片内容

木栈道施工方案

您可能关注的文档

确认删除?
VIP
微信客服
  • 扫码咨询
会员Q群
  • 会员专属群点击这里加入QQ群
客服邮箱
回到顶部