电脑桌面
添加小米粒文库到电脑桌面
安装后可以在桌面快捷访问

系杆拱桥专项施工方案

系杆拱桥专项施工方案_第1页
1/44
系杆拱桥专项施工方案_第2页
2/44
系杆拱桥专项施工方案_第3页
3/44
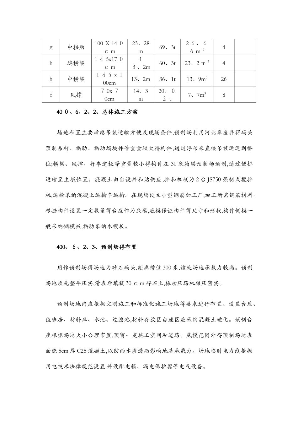
钢筋混凝土系杆拱桥施工专项方案中铁二十三局一公司南京江北沿江项目部40 0、6、1、工程概况沿江开发高等级公路(南京江北段)工程滁河大桥全长 7 09、4m,包括主桥及引桥工程,双向四车道,分为左右两幅。其中主桥上部采纳 72m 单跨预应力混凝土系杆拱,计算跨径7 0 米,拱轴线为二次抛物线,矢跨比为 1/5,矢高为 1 4米。拱肋采纳等截面工字型截面,系杆采纳等截面箱型截面。每片拱片设间距为 5、0m 得吊杆 13 根,采纳7-55 柔性吊索。每幅桥由两个拱片组成,拱片之间有 4 道风撑联结。拱肋、风撑为钢筋混凝土结构,系杆、横梁为预应力混凝土结构,吊杆为柔性吊索。400、6、2、钢筋混凝土系杆拱预制方案40 0、6、2、1、构件分段情况预制件得分段长度和重量见下表。编号构件名称断面尺寸长度重量混凝土数量根数备注G拱肋端块6 06 x100 cm7、4 7m6 2、7t2 4、1m38x边系杆1 0 0 x180 c m17、02m59、4t22、84m38x中系杆1 00X180cm2 3、02m78、3t30、12m34g边拱肋100X1 40cm18、8m55、98t21、53m38g中拱肋100 X 14 0c m23、28m69、3t2 6、66 m 34h端横梁1 4 5x17 0c m13、2m60、3t23、2 m 34h中横梁145 x 100cm13、2m36、1t13、9m326f风撑7 0x 70cm14、3m20、02t7、7m3840 0、6、2、2、总体施工方案场地布置主要考虑吊装运输方便及现场条件,预制场利用河北岸废弃得码头预制系杆、拱肋、拱肋端块件等重量较大得构件,通过浮吊来直接吊装运送到桥位;横梁、风撑、行车道板等重量较小得构件在 30 米箱梁预制场预制,通过便桥运输至主墩位置。混凝土由自设拌和站供应,拌和机械为 2 台 JS750 强制式搅拌机,运输采纳混凝土运输车运输。在现场设立小型钢筋加工厂,加工所需钢筋材料。根据构件设置一定数量得台座作为底模,底模保证构件得尺寸和形状,构件侧模一般采纳钢模板,拱肋采纳木模板。400、6、2、3、预制场得布置用作预制场得场地为砂石码头,距离桥位 300 米,该处场地承载力较高。预制场地须先整平压实,清表后填筑 30 c m 碎石土,振动压路机碾压密实。预制场地内应根据文明施工和标准化施工场地得要求进行布置。设置台座、值班房、材料库、水池、过滤池,材料存放区台座区应采纳混凝土硬化。预制台座根据场地大小合理布置,预留一定施工空间和道路。底模范围外得预制场地表面浇 5cm 厚 C25 混凝土,以防雨水渗透而影响地基承载力。场地临...

1、当您付费下载文档后,您只拥有了使用权限,并不意味着购买了版权,文档只能用于自身使用,不得用于其他商业用途(如 [转卖]进行直接盈利或[编辑后售卖]进行间接盈利)。
2、本站所有内容均由合作方或网友上传,本站不对文档的完整性、权威性及其观点立场正确性做任何保证或承诺!文档内容仅供研究参考,付费前请自行鉴别。
3、如文档内容存在违规,或者侵犯商业秘密、侵犯著作权等,请点击“违规举报”。

碎片内容

系杆拱桥专项施工方案

领读文化+ 关注
实名认证
内容提供者

传播文化,铸就未来

确认删除?
VIP
微信客服
  • 扫码咨询
会员Q群
  • 会员专属群点击这里加入QQ群
客服邮箱
回到顶部