电脑桌面
添加小米粒文库到电脑桌面
安装后可以在桌面快捷访问

自密实混凝土施工方案

自密实混凝土施工方案_第1页
1/4
自密实混凝土施工方案_第2页
2/4
自密实混凝土施工方案_第3页
3/4
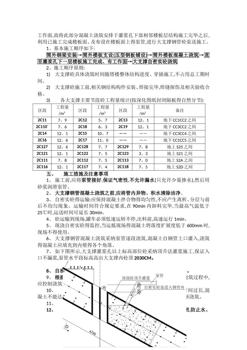
大连中心·裕景(公建)ST2 塔楼 大支撑钢管混凝土 施工方案编 制: 审 核: 批 准: 大支撑钢管混凝土施工方案一、工程概况大连中心•裕景 ST2 塔楼为巨型框架核心筒结构,核心筒为钢筋混凝土剪力墙结构,核心筒外框架竖向结构由 5 根钢混巨型柱、10 根普通型钢柱及与其斜向联系 得 矩 形 钢 管 大 支 撑 组 成 。 其 中 大 支 撑 截 面 尺 寸 (H*B*t1*t2) 最 大 为2300*700*100*35,最小为 900*700*35*35。钢结构深化设计在大支撑上开设灌浆圆孔,如下图共两种形式,其中 A 位于矩形大支撑上翼缘板靠近筒外钢柱处,直径 230mm;B 位于 K 形节点大支撑内侧腹板靠近组合巨柱处,直径 250mm。由于大支撑内有隔板结构形状复杂,且相邻孔之间间距一般跨越 23 层、砼振捣困难,拟采纳具有高流动度、不离析、均匀性与稳定性好得自密实混凝土进行此大支撑钢管混凝土施工,混凝土强度等级 C40。二、编制依据1、 《矩形钢管混凝土结构技术规程》CECS 159:20252、 《钢管混凝土结构设计与施工规程》CECS 28:903、 《自密实混凝土应用技术规程》CECS203:2025 等4、 东北院施工蓝图、中建钢构施工深化设计图三、基本技术特性自密实混凝土就是具有高流动度、不离析、均匀性与稳定性,浇筑时依靠其自重流动,无需振捣而达到密实得混凝土。应用于本工程得自密实砼基本技术性能指标及注意事项如下:1)自密实性能等级三级,Tso(s)控制在 3~20s 之间,V 漏斗通过时间在 4~25s之间;2)粗骨料最大粒径不大于 20mm;3)砂子采纳中偏粗砂,含泥量≤1、5%,细度模度 2、7~2、9;4)外加剂采纳大连市建科院聚羧酸 DKPC。5)采纳大连水泥厂水泥。6)掺少量矿粉,水粉比控制在法律规范要求范围内。7)到场得砼扩展度>600mm,在 650mm 左右为佳,具体测坍落度时,将砼坍开后,垂直方向量砼直径,两方向平均值即为扩展度,两方向平均值不允许超过2cm。8)到场砼测坍落度时,高度差(中心与边缘)不允许大于 2cm。四、施工部署及施工顺序由于大支撑钢管混凝土工程量较小,且现场浇筑需要在灌浆孔部位提供施工工作面,故将此部分混凝土浇筑安排于灌浆孔下部相邻楼板层结构施工完毕之后,利用已施工完成楼板面、及布设在楼板面上得泵管,进行大支撑钢管砼泵送施工。1、基本施工顺序如下:筒外钢梁安装→筒外楼板支设(压型钢板铺设)→筒外楼板混凝土浇筑→直至灌浆孔下一层楼板施工完成、有工作面→大支撑自密实砼浇筑2、施工顺序原则:1)大支撑砼具体浇筑时间...

1、当您付费下载文档后,您只拥有了使用权限,并不意味着购买了版权,文档只能用于自身使用,不得用于其他商业用途(如 [转卖]进行直接盈利或[编辑后售卖]进行间接盈利)。
2、本站所有内容均由合作方或网友上传,本站不对文档的完整性、权威性及其观点立场正确性做任何保证或承诺!文档内容仅供研究参考,付费前请自行鉴别。
3、如文档内容存在违规,或者侵犯商业秘密、侵犯著作权等,请点击“违规举报”。

碎片内容

自密实混凝土施工方案

您可能关注的文档

确认删除?
VIP
微信客服
  • 扫码咨询
会员Q群
  • 会员专属群点击这里加入QQ群
客服邮箱
回到顶部