电脑桌面
添加小米粒文库到电脑桌面
安装后可以在桌面快捷访问

T梁张拉计算公式

T梁张拉计算公式_第1页
1/9
T梁张拉计算公式_第2页
2/9
T梁张拉计算公式_第3页
3/9
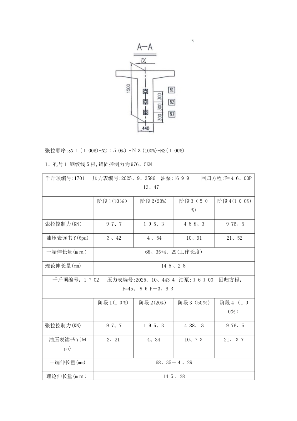
张拉顺序:ﻩN 1(1 00%)-N2(5 0%)-N3(100%)-N2(1 00%)1、孔号 1 钢绞线5根,锚固控制力为 976、5KN千斤顶编号:1701 压力表编号:2025、9、3586 油泵:16 99 回归方程:F=4 6、00P-13、47阶段 1(10%)阶段 2(20%)阶段 3(50%)阶段 4(1 0 0%)张拉控制力(KN)9 7、71 9 5、34 8 8、39 76、5油压表读书 Y(Mpa)2、424、5410、9121、52一端伸长量(m m)68、35+4、29(工作长度)理论伸长量(mm)14 5、2 8千斤顶编号:1 7 02 压力表编号:2025、10、443 4 油泵:1 6 1 00 回归方程:F=45、86 P-3、6 3阶段 1(1 0%)阶段 2(20%)阶段 3(50%)阶段4(1 00%)张拉控制力(KN)9 7、71 9 5、34 88、39 76、5油压表读书 Y(Mpa)2、214、3410、7 321、37一端伸长量(mm)68、35+4、29理论伸长量(m m)14 5、282、孔号2钢绞线 6 根,锚固控制力为 1171、8K N千斤顶编号:1 7 01 压力表编号:2 016、9、35 8 6 油泵:16 9 9 回归方程:F=46、0 0 P-1 3、47阶段 1(10%)阶段 2(2 0%)阶段3(50%)阶段 4(100%)张拉控制力(K N)1 1 7、18234、365 85、91 1 71、8油压表读书 Y(Mpa)2、8 45、3 91 32 5、7 7一端伸长量(mm)6 8、54+4、2 9理论伸长量(mm)1 45、66千斤顶编号:1 702 压力表编号:20 1 6、1 0、443 4 油泵:1 6100 回归方程:F=45、86P-3、6 3阶段 1(10%)阶段 2(20%)阶段 3(100%)阶段 4(100%)张拉控制力(KN)1 1 7、182 3 4、3 65 8 5、91171、8油压表读书 Y(Mpa)2、635、191 2、8 525、63一端伸长量(mm)68、5 4+4、29理论伸长量(mm)1 4 5、663、孔号 3 钢绞线 6 根,锚固控制力为 1 1 71、8KN千斤顶编号:1 7 0 1 压力表编号:201 6、9、35 8 6 油泵:1 6 99 回归方程:F=46、0 0 P-13、47阶段1(10%)阶段2(2 0%)阶段 3(50%)阶段4(10 0%)张拉控制力(KN)117、1 8234、3 65 85、91 17 1、8油压表读书 Y(Mpa)2、845、3 91 32 5、7 7一端伸长量(m m)68、37+4、29理论伸长量(m m)145、31千斤顶编号:17 0 2 压力表编号:2 01 6、1 0、4 4 34 油泵:16 100 回归方程:F=4 5、8 6 P-3、6 3阶段 1(10%)阶段 2(2 0%)阶段3(1 00%)...

1、当您付费下载文档后,您只拥有了使用权限,并不意味着购买了版权,文档只能用于自身使用,不得用于其他商业用途(如 [转卖]进行直接盈利或[编辑后售卖]进行间接盈利)。
2、本站所有内容均由合作方或网友上传,本站不对文档的完整性、权威性及其观点立场正确性做任何保证或承诺!文档内容仅供研究参考,付费前请自行鉴别。
3、如文档内容存在违规,或者侵犯商业秘密、侵犯著作权等,请点击“违规举报”。

碎片内容

T梁张拉计算公式

您可能关注的文档

津创媒+ 关注
实名认证
内容提供者

欢迎交流文创,小店资料希望满足您的需要。

相关文档

确认删除?
VIP
微信客服
  • 扫码咨询
会员Q群
  • 会员专属群点击这里加入QQ群
客服邮箱
回到顶部