电脑桌面
添加小米粒文库到电脑桌面
安装后可以在桌面快捷访问

XX水电站工程概况

XX水电站工程概况_第1页
1/9
XX水电站工程概况_第2页
2/9
XX水电站工程概况_第3页
3/9
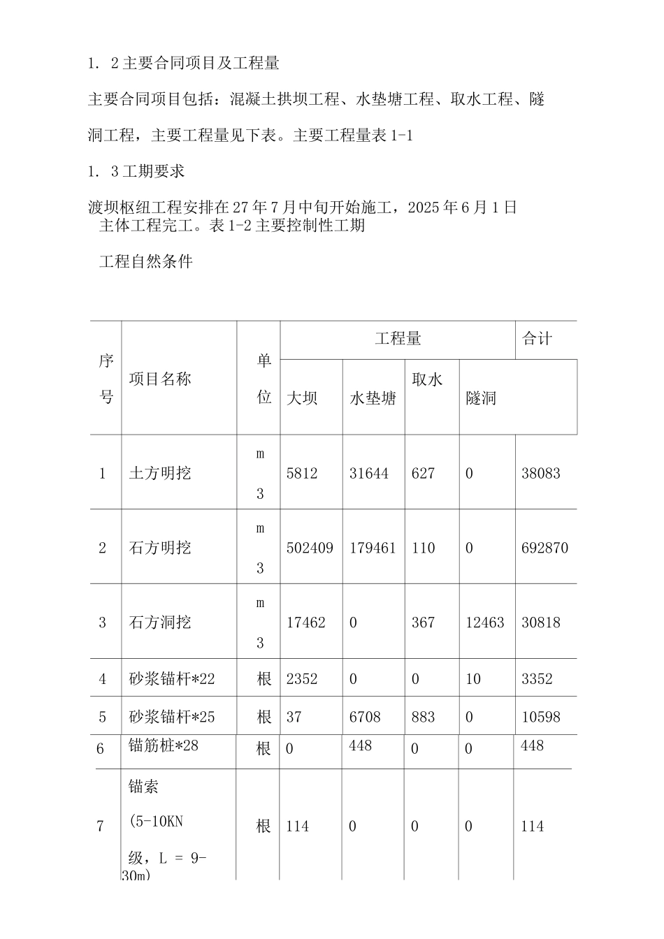
XX 水电站工程概况1. 1 工程概况渡坝水电站为混合式电站,位于重庆市奉节县新政乡 XX 河上游河段,是XX 河梯级规划的第一级,坝址区控制流域面积 765km2,多年平均流量18.2m3/s。该电站是一座以发电为主、兼有旅游、防洪等综合效益的 III 等中型工程。水库总库容 9854 万 m3,有效库容 7011 万 m,属年调节水库。坝址位于奉节县新政乡上游 7km 处,距奉节县城 90km;厂址位于公平镇打烂沟处,距奉节县城 54km。渡坝水电站工程主要建筑物包括挡(泄)水建筑物、取水建筑物、引水建筑物和电站厂房,电站共装机容量 129MW (2x64.5MW)。混凝土拱坝为 3 级建筑物。建基面高程 470.m,坝顶高程 578.50m,最大坝高 108.5m。体型采纳抛物线型变厚双曲拱坝,顶拱中心角 98°,最大半中心角 46.76°,最小半中心角 26.88°,拱冠梁处拱圈中心线最大曲率半径 120.6m,最小曲率半径53.4m,坝轴线长 284.123m,共分 16 个坝段。坝顶厚 4.5m,底厚 20.0m,厚高比 0.18。坝体内设灌浆廊道、交通廊道、集水井、抽水泵和放空管等,坝外设灌浆平洞、排水洞、交通桥、坝后桥和电梯井等。泄洪建筑物位于大坝中间,溢流堰中心、线与大坝中心线重合,由 3 个溢流表孔组成,孔尺寸为 12mx12m(宽 x 高),每孔装有弧形工作门控制,由液压启闭机启闭。堰体采纳 WES 型堰面曲线,堰顶高程563.m。堰顶前部采纳 1/4 椭圆曲线,堰顶后部为曲线方程,出采纳跌流,最大下泄流量为 3840m3/s,相应单宽流量为 116.4m3/(s - m )。水垫塘作为消能建筑物是 3 级建筑物,包括水垫塘、二道坝和护坦。水垫塘为阶梯形,长 165.53m,底宽 44m,顶宽 79.44m,最低底高程 469.0m。水垫塘末端设壅高水位的二道坝,轴线长 66m,高 17.5m,顶宽 2.7m,底宽27.2m,底高程 474.5m,坝内设排水廊道和抽水泵,二道坝后设长 20m 的护坦,并设齿墙。进水采纳岸塔式,分为上部结构和下部结构两部分。下部结构包括进水流道、拦污栅、拦污栅胸墙及检修闸门井;上部结构包括进水操作及检修平台、拦污栅启闭机室、启闭机工作桥、检修闸门启闭机室及交通桥。进水底板高程 525.80m,检修平台高程 578.50m。引水隧洞沿左岸布置,长 6m,圆形,洞径 4.2m,采纳全断面混凝土衬砌。围堰型式上游为过水围堰,下游为不过水围堰。上游围堰迎水面抛填块石护坡,背水面钢筋块石笼压坡结合 C20 砼面板防渗的结构型式。下游围堰采纳土石填筑,复合土工膜防渗的...

1、当您付费下载文档后,您只拥有了使用权限,并不意味着购买了版权,文档只能用于自身使用,不得用于其他商业用途(如 [转卖]进行直接盈利或[编辑后售卖]进行间接盈利)。
2、本站所有内容均由合作方或网友上传,本站不对文档的完整性、权威性及其观点立场正确性做任何保证或承诺!文档内容仅供研究参考,付费前请自行鉴别。
3、如文档内容存在违规,或者侵犯商业秘密、侵犯著作权等,请点击“违规举报”。

碎片内容

XX水电站工程概况

您可能关注的文档

MY shop+ 关注
实名认证
内容提供者

欢迎挑选适合自己的材料。

确认删除?
VIP
微信客服
  • 扫码咨询
会员Q群
  • 会员专属群点击这里加入QQ群
客服邮箱
回到顶部