电脑桌面
添加小米粒文库到电脑桌面
安装后可以在桌面快捷访问

分部分项工程质量控制内容和控制要点

分部分项工程质量控制内容和控制要点_第1页
1/7
分部分项工程质量控制内容和控制要点_第2页
2/7
分部分项工程质量控制内容和控制要点_第3页
3/7
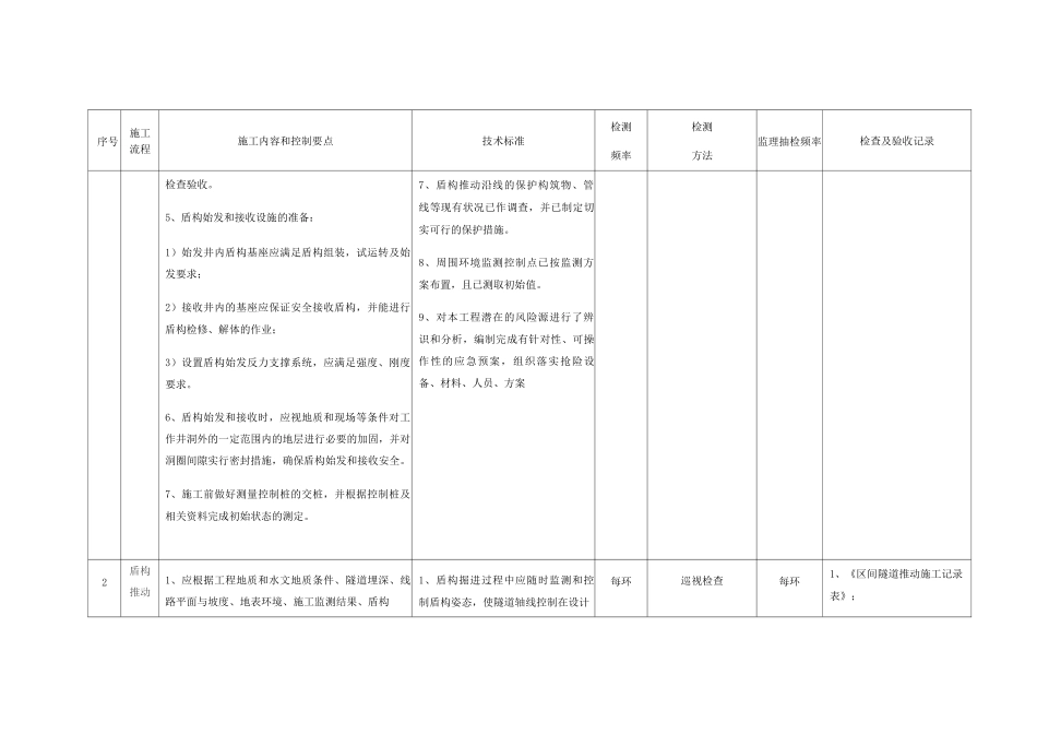
(盾构法施工)分部分项工程质量控制内容和控制要点序号 施工流程施工内容和控制要点技术标准检测频率检测方法监理抽检频率检查及验收记录1盾构进出洞施工准备1、工程地质和水文地质勘查报告.2、施工沿线的环境、构筑物、地下管线和障碍物等的调查报告。3、施工所需的设计图纸资料和工程技术要求文件。4、盾构掘进施工前完成如下准备工作:1)复核洞圈标高和坐标;2)进行盾构掘进前的组装、调试与验收;3)始发基座、负环管片、反力架等设施的检查验收;4)检查预制管片的质量;5)准备盾构推动施工的各类报表;6)洞前土体加固改良情况和洞圈密封止水装置1、施工现场已完成设计、勘察交底。2、工作井已通过结构验收、其结构尺寸,洞门中心、轴线、结构强度等各项技术参数符合设计和法律规范要求,并满足盾构施工各阶段受力要求。3、盾构进洞、测量、监测等施工组织设计和监理实施细则已审批.4、设计要求的出洞加固措施已经完成,各项加固指标已经达到设计要求并有检测报告。5、洞门探孔后未发现异常情况。6、发射架、接收架安装已经完成,且强度满足要求。1、《盾构验收记录表》;2、《盾构进、出洞条件验收检查表》;归档)3、《监理巡视检查记录表》;4、《监理日志》;5、《盾构进、出洞条件验收检查表》。序号施工流程施工内容和控制要点技术标准检测频率检测方法监理抽检频率检查及验收记录检查验收。5、盾构始发和接收设施的准备:1)始发井内盾构基座应满足盾构组装,试运转及始发要求;2)接收井内的基座应保证安全接收盾构,并能进行盾构检修、解体的作业;3)设置盾构始发反力支撑系统,应满足强度、刚度要求。6、盾构始发和接收时,应视地质和现场等条件对工作井洞外的一定范围内的地层进行必要的加固,并对洞圈间隙实行密封措施,确保盾构始发和接收安全。7、施工前做好测量控制桩的交桩,并根据控制桩及相关资料完成初始状态的测定。7、盾构推动沿线的保护构筑物、管线等现有状况已作调查,并已制定切实可行的保护措施。8、周围环境监测控制点已按监测方案布置,且已测取初始值。9、对本工程潜在的风险源进行了辨识和分析,编制完成有针对性、可操作性的应急预案,组织落实抢险设备、材料、人员、方案2盾构推动1、应根据工程地质和水文地质条件、隧道埋深、线路平面与坡度、地表环境、施工监测结果、盾构1、盾构掘进过程中应随时监测和控制盾构姿态,使隧道轴线控制在设计每环巡视检查每环1、《区间隧道推动施工记录表》;序号施工...

1、当您付费下载文档后,您只拥有了使用权限,并不意味着购买了版权,文档只能用于自身使用,不得用于其他商业用途(如 [转卖]进行直接盈利或[编辑后售卖]进行间接盈利)。
2、本站所有内容均由合作方或网友上传,本站不对文档的完整性、权威性及其观点立场正确性做任何保证或承诺!文档内容仅供研究参考,付费前请自行鉴别。
3、如文档内容存在违规,或者侵犯商业秘密、侵犯著作权等,请点击“违规举报”。

碎片内容

分部分项工程质量控制内容和控制要点

确认删除?
VIP
微信客服
  • 扫码咨询
会员Q群
  • 会员专属群点击这里加入QQ群
客服邮箱
回到顶部