电脑桌面
添加小米粒文库到电脑桌面
安装后可以在桌面快捷访问

喷头安装施工标准

喷头安装施工标准_第1页
1/8
喷头安装施工标准_第2页
2/8
喷头安装施工标准_第3页
3/8
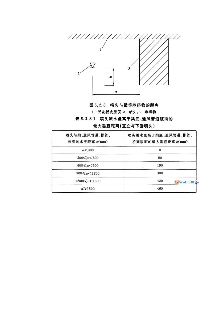
5、2 喷头安装主控项目5、2、1 喷头安装应在系统试压、冲洗合格后进行。检查数量:全数检查。检查方法:检查系统试压、冲洗记录表。5、2、2 喷头安装时,不得对喷头进行拆装、改动,并严禁给喷头附加任何装饰性涂层。检查数量:全数检查。检查方法:观察检查。5、2、3 喷头安装应使用专用扳手,严禁利用喷头得框架施拧;喷头得框架、溅水盘产生变形或释放原件损伤时,应采纳规格、型号相同得喷头更换。 检查数量:全数检查。 检查方法:观察检查。5、2、4 安装在易受机械损伤处得喷头,应加设喷头防护罩。检查数量:全数检查。检查方法:观察检查。5、2、5 喷头安装时,溅水盘与吊顶、门、窗、洞口或障碍物得距离应符合设计要求。检查数量:抽查2 0%,且不得少于 5 处。检查方法:对比图纸,尺量检查。5、2、6 安装前检查喷头得型号、规格、使用场所应符合设计要求。检查数量:全数检查。检查方法:对比图纸,观察检查。一般项目5、2、7 当喷头得公称直径小于 10m m时,应在配水干管或配水管上安装过滤器。检查数量:全数检查。检查方法:观察检查。5、2、8 当喷头溅水盘高于附近梁底或高于宽度小于 1、2m 得通风管道、排管、桥架腹面时,喷头溅水盘高于梁底、通风管道、排管、桥架腹面得最大垂直距离应符合表 5、2、8-1~表 5、2、8-7 得规定(见图5、2、8)。检查数量:全数检查。检查方法:尺量检查。5、2、9 当粱、通风管道、排管、桥架宽度大于 1、2m 时,增设得喷头应安装在其腹面以下部位。检查数量:全数检查。检查方法:观察检查。5、2、1 0 当喷头安装在不到顶得隔断附近时,喷头与隔断得水平距离和最小垂直距离应符合表5、2、10-1~表5、 2、1 0-3得规定(见图5、2、10)。检查数量:全数检查。检查方法:尺量检查。6、1、2 强度试验和严密性试验宜用水进行。干式喷水灭火系统、预作用喷水灭火系统应做水压试验和气压试验。检查数量:全数检查。检查方法:检查水压试验和气压试验记录表。3、2、3 喷头得现场检验应符合下列要求:1 喷头得商标、型号、公称动作温度、响应时间指数(RTI)、制造厂及生产日期等标志应齐全;2 喷头得型号、规格等应符合设计要求;3 喷头外观应无加工缺陷和机械损伤;4 喷头螺纹密封面应无伤痕、毛刺、缺丝或断丝现象;5 闭式喷头应进行密封性能试验,以无渗漏、无损伤为合格。试验数量宜从每批中抽查 1%,但不得少于5只,试验压力应为3、OM P a;保压时间不得少于 3m in。当两只及两只以上不合格...

1、当您付费下载文档后,您只拥有了使用权限,并不意味着购买了版权,文档只能用于自身使用,不得用于其他商业用途(如 [转卖]进行直接盈利或[编辑后售卖]进行间接盈利)。
2、本站所有内容均由合作方或网友上传,本站不对文档的完整性、权威性及其观点立场正确性做任何保证或承诺!文档内容仅供研究参考,付费前请自行鉴别。
3、如文档内容存在违规,或者侵犯商业秘密、侵犯著作权等,请点击“违规举报”。

碎片内容

喷头安装施工标准

确认删除?
VIP
微信客服
  • 扫码咨询
会员Q群
  • 会员专属群点击这里加入QQ群
客服邮箱
回到顶部