电脑桌面
添加小米粒文库到电脑桌面
安装后可以在桌面快捷访问

埋地管道施工方案

埋地管道施工方案_第1页
1/14
埋地管道施工方案_第2页
2/14
埋地管道施工方案_第3页
3/14
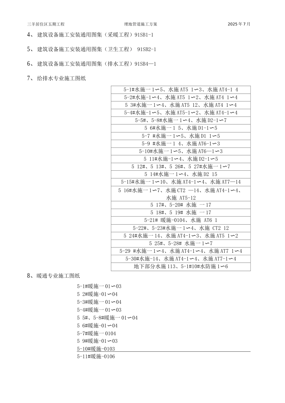
一、工程概况:1、本工程为北京亦庄三羊居住区五期 5 1#住宅楼等十一项、三羊居住区五期 5 11#住宅楼等二十项工程,位于北京市大兴区 (五环路大羊坊桥东南角)亦庄镇三羊地区。南至小羊坊中路,北至天成花园,东至天成花园东路,西至羊坊东路,场地平整,较为宽阔.建设规划总用地 158034.02 平方米。2、专业概况:(1) 。给水系统给水水源为市政水,由南北各引入一条 DN2 的市政水管.在小区内成环状布置。埋地给水管采纳带阻氧层的无规共聚聚丙烯(PP-R )管,热熔连接;明装给水管采纳内涂塑钢塑复合管,丝扣连接;卫生器具采纳节水型产品.(2) 。热水系统厨房预留燃气热水器,卫生间预留电热水器。埋地生活热水管采纳带阻氧层的无规共聚聚丙烯(PP—R)管,热熔连接。(3).采暖系统热源为设置在三期代征绿地北侧的自建锅炉房,经地下车库的热交换站换热为二次热水供暖。住宅楼采暖系统为双管同程系统,户内埋地采暖管采纳带阻氧层的 PB 管,热熔连接;明装采暖管采纳热镀锌钢管,丝扣连接。(4) 。中水系统中水水源为市政中水,住宅设中水配水管用于冲厕。埋地中水管采纳带阻氧层的无规共聚聚丙烯(PP—R)管,热熔连接;明装中水管采纳镀锌钢管,丝扣连接。(5) .排水系统排水系统采纳污废合流,首层及以上排水直接排向室外污水井,地下室排水汇合至污水坑,车库内废水经暗沟汇至集水坑,然后由污水泵排至室外,经化粪池处理后排至市政排水管.有压排水管采纳焊接钢管,排水立管及埋地管采纳 UPVC 管,地下室出户和埋地排水管及人防维护重力排水采纳机制排水铸铁管;洗衣机设专用排水地漏.二、编制依据L 结构长城杯评审标准;2、建筑给排水及采暖工程施工质量验收法律规范 GB50242-223、 建筑设备施工安装通用图集(给水工程)91SB3—1三羊居住区五期工程埋地管道施工方案2025 年 7 月4、建筑设备施工安装通用图集(采暖工程)91SB1-15、建筑设备施工安装通用图集(卫生工程) 91SB2-16、建筑设备施工安装通用图集(排水工程)91SB4—17、给排水专业施工图纸5-1#水施一 1〜5、水施 AT5 1〜3、水施 AT4-1 45-2#水施-1〜4、水施 AT5 1〜2、水施 AT4 1〜45 3#水施一 1〜4、水施 AT5 12、水施 AT4 1〜45-4#水施-1〜5、水施 AT5-1〜2、水施 AT4-1〜45-5#、5-8#水施一 1〜4、水施 D2-1〜75 6#水施一 1 5、水施 D1-1〜55-7 #水施一 1〜5、水施 D1 1〜55-9 #水施一 1 4、水施 AT6-1〜35-10#水施一 1〜5、水施...

1、当您付费下载文档后,您只拥有了使用权限,并不意味着购买了版权,文档只能用于自身使用,不得用于其他商业用途(如 [转卖]进行直接盈利或[编辑后售卖]进行间接盈利)。
2、本站所有内容均由合作方或网友上传,本站不对文档的完整性、权威性及其观点立场正确性做任何保证或承诺!文档内容仅供研究参考,付费前请自行鉴别。
3、如文档内容存在违规,或者侵犯商业秘密、侵犯著作权等,请点击“违规举报”。

碎片内容

埋地管道施工方案

确认删除?
VIP
微信客服
  • 扫码咨询
会员Q群
  • 会员专属群点击这里加入QQ群
客服邮箱
回到顶部