电脑桌面
添加小米粒文库到电脑桌面
安装后可以在桌面快捷访问

大钢模施工工艺在施工中的应用

大钢模施工工艺在施工中的应用_第1页
1/14
大钢模施工工艺在施工中的应用_第2页
2/14
大钢模施工工艺在施工中的应用_第3页
3/14
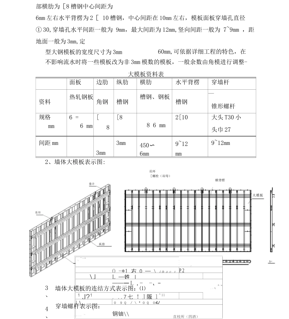
大钢模施工工艺在施工中的应用(一)一、大钢模的市场远景及优胜性1、新式大钢模施工工艺是国家推行的“十项新技术 ”内容。2、大钢模施工工艺是一项自成系统的成套技术,适应建筑业工业化、机械化、高效、快捷、文明、节能、可连续进展的现代化建设要求.3、大钢模可使混凝土达到清水混凝土成效,大大降低后期建筑装修成本.4、大钢模还拥有周转率高、低消耗、长久经济效益高等长处。综上所述推行大钢模施工工艺拥有较好的社会基础和市场远景。二、大钢模设计、制作1、高层建筑标准层竖向结构大钢模的设计、制作,一般由大钢模专业企业进行设计、制作,包含墙体大模板、阴角和阳角模、墙体堵头板、穿墙螺杆此中穿墙螺杆采纳 T30 锥形螺栓,大头 T30,小头?27,设钢楔孔,每套穿墙螺栓由螺栓、1 个螺母、2 块垫片和 1 个钢楔构成,该螺栓砼内无需用 PVC 套管,拆掉方便,拆掉时只要将钢楔先拆掉即可拆掉螺栓,操作简单方便。大钢模设计需切合 JGJ74-23《建筑工程大模板技术规程》要求.2、一般采纳大钢模施工工艺的主体结构施工均采纳流水段作业,根据施工进度要求,能够配置 1— 2 个流水段竖向结构大钢模,当模板流水施工不可以知足使用时,增配部分角模及片模。标准层流水段区分应尽量防止施工缝地点留置在厨房或卫生易漏水部位。二、模板结构1、模板结构:模板采纳 BY — 86 系列主龙骨定型模板,大钢模面板使用 6mm热轧钢板周围边肋为[8,内部纵肋 通长)使用[8 槽钢,中心间距一般为 3mm,内部横肋为[8 槽钢中心间距为6mm 左右水平背楞为 2[ 10 槽钢,中心间距在 10mm 左右,模板面板穿墙孔直径① 30,穿墙孔水平间距一般为 9mm,最大间距为 12mm,竖向间距一般为 7~9mm ,距地面一般为 3mm,定不影响流水时将一些模板改为非 3mm 模数的模板,一般余数由角模进行调整-大模板资料表面板边肋纵肋横肋水平背楞穿墙杆资料热轧钢板角钢槽钢槽钢、钢板槽钢—锥形螺杆规格mm6 =6 mm[8[88 6 mm2[10大头 T30 小头巾 27间距 mm3mm3mm450〜6mm9~12mm9~12mm2、墙体大模板表示图:型大钢模板的宽度尺寸为 3mm60mm,可依据详细工程的特色,在3、吊环[螺栓(双母)横背楞"" — ir\:/O -*1 右 0 — \ j 争 Q O V P 2\」L — 姓 」 ---了广--. 〃 J .、 ——一 L ,- -、-,牛.-u, : 气,一」_・T1 J?1. ..7 七 !J 阪 l^11i \O 9 Q / \ * O Q O4J\钢铀\\直枝所(四酒)墙体...

1、当您付费下载文档后,您只拥有了使用权限,并不意味着购买了版权,文档只能用于自身使用,不得用于其他商业用途(如 [转卖]进行直接盈利或[编辑后售卖]进行间接盈利)。
2、本站所有内容均由合作方或网友上传,本站不对文档的完整性、权威性及其观点立场正确性做任何保证或承诺!文档内容仅供研究参考,付费前请自行鉴别。
3、如文档内容存在违规,或者侵犯商业秘密、侵犯著作权等,请点击“违规举报”。

碎片内容

大钢模施工工艺在施工中的应用

雏圣文化+ 关注
实名认证
内容提供者

欢迎光临,大量办公文档供您挑选。

相关文档

确认删除?
VIP
微信客服
  • 扫码咨询
会员Q群
  • 会员专属群点击这里加入QQ群
客服邮箱
回到顶部