电脑桌面
添加小米粒文库到电脑桌面
安装后可以在桌面快捷访问

室外热力管道改造施工方案VIP专享

室外热力管道改造施工方案_第1页
1/6
室外热力管道改造施工方案_第2页
2/6
室外热力管道改造施工方案_第3页
3/6
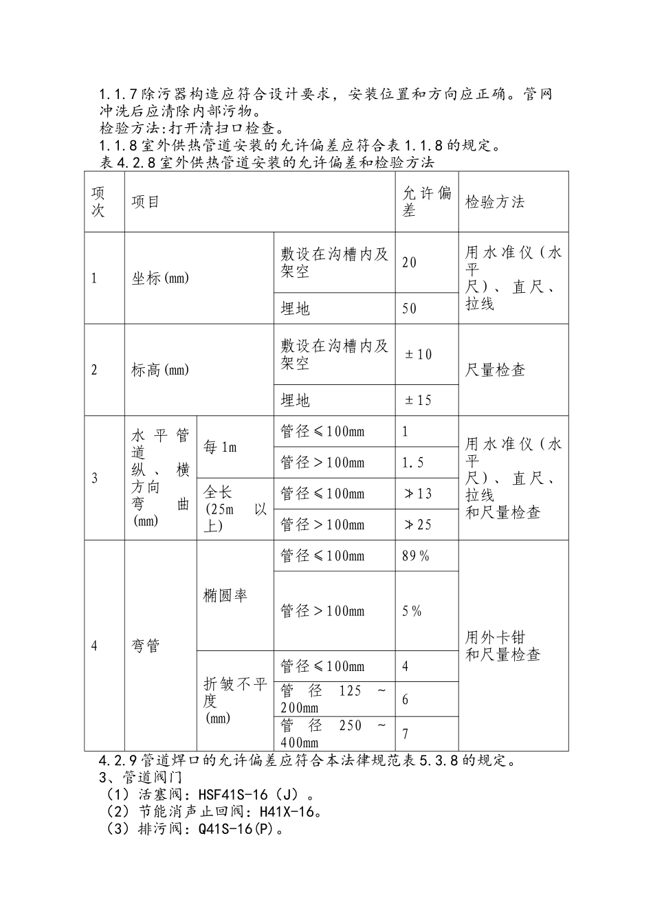
室外热力管道改造施工方案一、 编制依据1.1《建筑给水排水及采暖工程施工质量验收法律规范》(GB50242-2025)1.2《建筑工程施工质量验收统一标准》(GB50300-2001)1.3《城镇直埋供热管道工程技术规程》(CJJ/T81-98)1.4《砌体工程施工质量验收法律规范》(GB50203-2025)1.5 《 现 场 设 备 、 工 业 管 道 焊 接 工 程 施 工 及 验 收 法 律 规 范 》(GB50236-98)1.6《给水排水管道工程施工及验收法律规范》(GB50268-97)1.7《工业金属管道工程施工验收法律规范》(GB50235-97)1.8《城镇供热管网工程施工及验收法律规范》(CJJ28-2025)1.9 根据施工现场实地考察情况,施工单位实力和材料供应情况符合要求二、工程概述1 、工程地址:咸阳市文林路新运花园 12#住宅楼2、管道连接方式及配件安装:(1)DN<40 的热力管道采纳普通焊接钢管,(GB3092-82)法兰或焊接连接;(2)DN≥40 的热力管道采纳热轧无缝钢管,(GB8163-87)法兰或焊接连接。主控项目1.1.1 平衡阀及调节阀型号、规格及公称压力应符合设计要求。安装后应根据系统要求进行调试,并作出标志。3zaLAqt。Unfrtj5。检验方法:对比设计图纸及产品合格证,并现场观察调试结果。1.1.2 直埋无补偿供热管道预热伸长及三通加固应符合设计要求。回填前应注意检查预制保温层外壳及接口的完好性。回填应按设计要求进行。jsSRZnL。wGkJEN7。检验方法:回填前现场验核和观察。1.1.3 补偿器的位置必须符合设计要求,并应按设计要求或产品说明书进行预拉伸。管道固定支架的位置和构造必须符合设计要求 。qlf3RSI。ZWZwahE。检验方法:对比图纸,并查验预拉伸记录。1.1.4 检查井室、用户入口处管道布置应便于操作及维修,支、吊、托架稳固,并满足设计要求。检验方法:对比图纸,观察检查。1.1.5 直埋管道的保温应符合设计要求,接口在现场发泡时,接头处厚度应与管道保温层厚度一致,接头处保护层必须与管道保护层成一体,符合防潮防水要求。zz1eN2M。Anv7tOi。检验方法:对比图纸,观察检查。一般项目1.1.6 管道水平敷设其坡度应符合设计要求。检验方法:对比图纸,用水准仪(水平尺)、拉线和尺量检查。1.1.7 除污器构造应符合设计要求,安装位置和方向应正确。管网冲洗后应清除内部污物。检验方法:打开清扫口检查。1.1.8 室外供热管道安装的允许偏差应符合表 1.1.8 的规定。表 4.2.8 室外供热管道安装的允许偏差和检验方法项次项目允 许 偏差检验方法...

1、当您付费下载文档后,您只拥有了使用权限,并不意味着购买了版权,文档只能用于自身使用,不得用于其他商业用途(如 [转卖]进行直接盈利或[编辑后售卖]进行间接盈利)。
2、本站所有内容均由合作方或网友上传,本站不对文档的完整性、权威性及其观点立场正确性做任何保证或承诺!文档内容仅供研究参考,付费前请自行鉴别。
3、如文档内容存在违规,或者侵犯商业秘密、侵犯著作权等,请点击“违规举报”。

碎片内容

室外热力管道改造施工方案

确认删除?
VIP
微信客服
  • 扫码咨询
会员Q群
  • 会员专属群点击这里加入QQ群
客服邮箱
回到顶部