电脑桌面
添加小米粒文库到电脑桌面
安装后可以在桌面快捷访问

施工部署方案4

施工部署方案4_第1页
1/15
施工部署方案4_第2页
2/15
施工部署方案4_第3页
3/15
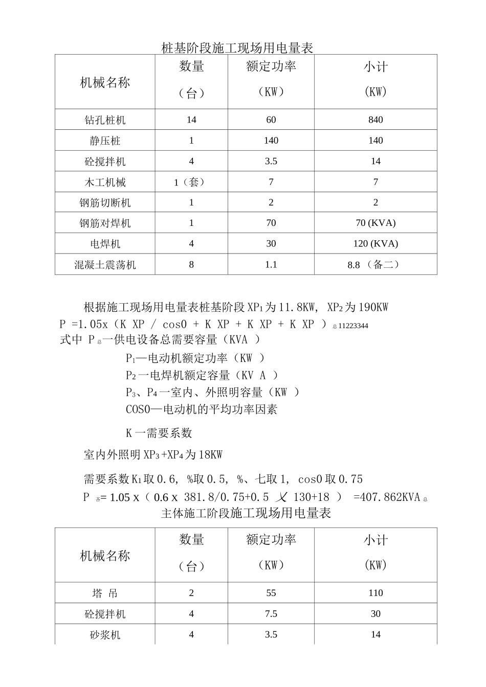
施工部署第一节、施工准备工作计划:1、定位测量:本工程一旦确定由我公司中标承建,施工人员马上进场根据晨沐花园总平面图及总体建筑间距及定位图的要求定出建筑红线、角桩及轴线位置,并在场内选择合适的位置设置控制主轴线基准线,(控制点的位置应不受地下室施工影响),设置控制标高的水准点,数量不少于 4 个,该水准点在整个施工过程中予以保护,不受损坏。2、图纸会审:本工程一旦中标确定由我公司承建,并签订工程合同领取工程设计图纸后,立即组织有关施工管理人员仔细熟悉图纸,在此基础上组织图纸自审,并根据建设单位的安排参加图纸会审。3、修建临时道路:现场地面将做混凝土硬地面。根据施工场布的要求及结合总图布局,在尽可能利用总图设计道路的情况下做好路基,面层混凝土待总图施工时浇捣,并应符合《文明施工、安全生产技术措施》中的有关要求。4、敷设施工临时用电线路:1)施工现场用电量计算根据该工程的特点,施工现场用量应以主体施工阶段为主,故按主体施工阶段的量为依据进行计算。桩基阶段施工现场用电量表机械名称数量(台)额定功率(KW)小计(KW)钻孔桩机1460840静压桩1140140砼搅拌机43.514木工机械1(套)77钢筋切断机122钢筋对焊机17070 (KVA)电焊机430120 (KVA)混凝土震荡机81.18.8 (备二)根据施工现场用电量表桩基阶段 XP1为 11.8KW, XP2为 190KWP =1.05x(K XP / cos0 + K XP + K XP + K XP )总11223344式中 P 总一供电设备总需要容量(KVA )P1—电动机额定功率(KW )P2 一电焊机额定容量(KV A )P3、P4 一室内、外照明容量(KW )COS0—电动机的平均功率因素K 一需要系数室内外照明 XP3 +XP4为 18KW需要系数 K1取 0.6, %取 0.5, %、七取 1, cos0 取 0.75P 吝= 1.05 X ( 0.6 X 381.8/0.75+0.5 乂 130+18 ) =407.862KVA 总主体施工阶段施工现场用电量表机械名称数量(台)额定功率(KW)小计(KW)塔 吊255110砼搅拌机47.530砂浆机43.514木工机械2 (套)714钢筋切断机224钢筋弯曲机236钢筋调直机25.511高压水泵87.515井架47.530人货两用电梯41560振动机101.111 (备二)平板振动机428(备二)钢筋对焊机270140 (KVA)电焊机430120 (KVA)电渣压力焊机430120 (KVA)根据施工现场用电量表主体施 H2P]为 313KW,XP2为 380KW 主体施工阶段施工现场用电量计算。P 总= 1.05 X ( 0.6 X 313/0.75+0.5 次 380+58 )= 523.32KVA根...

1、当您付费下载文档后,您只拥有了使用权限,并不意味着购买了版权,文档只能用于自身使用,不得用于其他商业用途(如 [转卖]进行直接盈利或[编辑后售卖]进行间接盈利)。
2、本站所有内容均由合作方或网友上传,本站不对文档的完整性、权威性及其观点立场正确性做任何保证或承诺!文档内容仅供研究参考,付费前请自行鉴别。
3、如文档内容存在违规,或者侵犯商业秘密、侵犯著作权等,请点击“违规举报”。

碎片内容

施工部署方案4

您可能关注的文档

确认删除?
VIP
微信客服
  • 扫码咨询
会员Q群
  • 会员专属群点击这里加入QQ群
客服邮箱
回到顶部