电脑桌面
添加小米粒文库到电脑桌面
安装后可以在桌面快捷访问

电力沟深基坑专项施工方案

电力沟深基坑专项施工方案_第1页
1/12
电力沟深基坑专项施工方案_第2页
2/12
电力沟深基坑专项施工方案_第3页
3/12
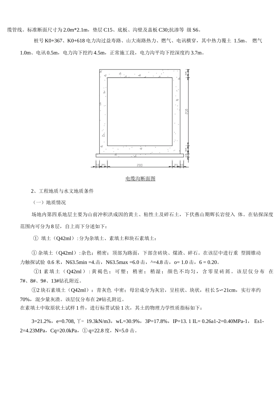
电力沟深沟槽支护专项施工方案一、编制依据1、济南电力设计院为本工程提供的设计图纸。2、济南市勘察测绘讨论院为本工程提供的地质勘察报告。3、建设部及交通部颁布的设计法律规范、市政施工技术法律规范、质量验收评定标准,国家及有关部 委颁发的标准、法律规范、规程、法规及政策。4、现场调查所获得的有关资料。5、适用的标准:序号类别标准法律规范名称编号1国家《建筑地基基础工程施工质量验收法律规范》GB50202-222国家《钢筋混凝土结构工程施工及验收法律规范》GB50204 - 223国家《工程测量基本术语标准》GB/T50228-964国家《建筑沟槽围护技术规程》GB50205-215国家《建筑沟槽工程监测技术法律规范》GB50497-296行业《建筑地基处理技术法律规范》JGJ79-227行业《施工机械临时用电安全技术法律规范》JGJ46-258行业《建筑机械使用安全技术规程》JGJ33-219行业沟槽支护法律规范JGJ120-99、参建单位建设单位:项目管理单位:设计计单位:监理单位:施工单位:三、工程概况1、工程概况山大路北段电力沟中心线距离西侧缘石 6.3 米,长度 694m。电力沟断面形式为一室钢筋砼箱 涵结构,沟内敷设电缆管线。标准断面尺寸为 2.0m*2.1m,垫层 C15、底板、沟壁及盖板 C30;抗渗等 级 S6。桩号 K0+367、K0+618 电力沟过益寿路、山大南路热力、燃气、电讯横穿,其中热力覆土 1.5m、 燃气1.0m、电讯 0.5m,电力沟下挖约 4.5m,正常施工段,电力沟平均下挖深度约 3.7m。电缆沟断面图2、工程地质与水文地质条件(一)地质情况场地内第四系地层主要为山前冲积洪成因的黄土、粘性土及碎石土,下伏燕山期辉长岩侵入 体。在钻探深度范围内可分为 8 层,自上而下分述如下:① 填土(Q42ml):分为杂填土、素填土和块石素填土:① 杂填土(Q42ml):杂色;稍密;顶部为路面,下部含砖块、煤渣、碎石。在该层中进行重 型圆锥动力触探试验 0.6 米,N63.5min =4.击,N63.5max =6.0 击,^=4.8 击,o= 1.0 击,6 = 0.20。①1 素填土(Q42ml):黄褐色;可塑;稍密;稍湿;颜色不均匀,含零星砖屑。该层仅分布 在7#、8#、9#、13#钻孔附近。①2 块石素填土(Q42ml):青灰色 中密;母岩成分为灰岩,呈柱状、块状,柱长 5〜21cm,实行率约70%,混少量灰渣。该层仅分布在 2#钻孔附近。在素填土中取原状土试样 1 件,进行标贯试验 1 次,其土的物理力学性质指标如下:3=21.2%,e=0.708, 丫= 19.3kN/m3,wL=30.9%,3P=17.8%,IP=13...

1、当您付费下载文档后,您只拥有了使用权限,并不意味着购买了版权,文档只能用于自身使用,不得用于其他商业用途(如 [转卖]进行直接盈利或[编辑后售卖]进行间接盈利)。
2、本站所有内容均由合作方或网友上传,本站不对文档的完整性、权威性及其观点立场正确性做任何保证或承诺!文档内容仅供研究参考,付费前请自行鉴别。
3、如文档内容存在违规,或者侵犯商业秘密、侵犯著作权等,请点击“违规举报”。

碎片内容

电力沟深基坑专项施工方案

确认删除?
VIP
微信客服
  • 扫码咨询
会员Q群
  • 会员专属群点击这里加入QQ群
客服邮箱
回到顶部