电脑桌面
添加小米粒文库到电脑桌面
安装后可以在桌面快捷访问

砌体工程监理实施细则

砌体工程监理实施细则_第1页
1/12
砌体工程监理实施细则_第2页
2/12
砌体工程监理实施细则_第3页
3/12
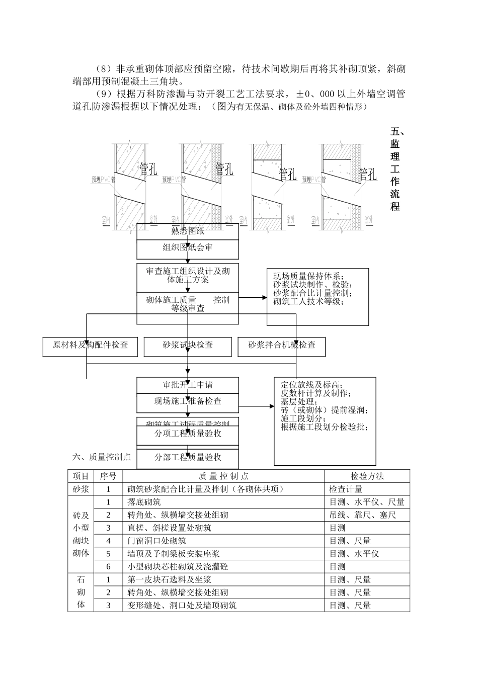
目 录一、工程概况2二、编制依据2三、分项工程质量目标2四、工程特点及监理工作重点3五、监理工作流程4六、质量控制点5七、工程质量过程控制要点6八、工程质量检验与验收15九、施工安全监理要点17十、旁站监理17一、工程概况项目名称:中航两江体育公园项目 E16-01/01 地块 建设单位:重庆航悦置业有限公司 设计单位:重庆长夏安基建筑设计有限公司 勘察单位:重庆市高新工程勘察设计院有限公司监理单位:深圳市中行建设监理有限公司施工单位:中国航天技术国际工程有限公司 中航两江体育公园项目 E16-01/01 地块,,位于重庆市两江新区东部,属于龙盛片区,东邻龙兴古镇,西邻铜锣山,南接绕城高速,北联中韩产业园。东距龙盛中心区 4 公里,西距江北机场 12 公里,距观音桥 27 公里。整个地块由住宅及商业产品组成,由 7 层、8 层得住宅及商业组成。总建筑面积为83431、79㎡,其中地上建筑面积 60570、21㎡,地下建筑面积 22861、58㎡,总户数为 533 户,总停车位 601 个,地下停车 601 个,地面 0 个。工程结构形式为框架剪力墙结构。基础采纳机械旋挖钻孔桩、柱下独立柱基。抗震设防烈度:六度,主要结构类型:框架剪力墙结构、车库为框架结构、抗震等级:框架为4 级,剪力墙为 3 级。建筑结构使用年限:50 年。建筑安全等级为二级。二、编制依据1、本工程项目得监理规划;2、监理合同及其她建设合同;3、批准得工程建设文件;4、项目施工图设计图纸及设计变更、图纸会审等资料;5、砌体结构工程施工质量验收法律规范(GB50203-2025)砌筑砂浆配合比设计规程(JGJ98-2025)万科住宅建筑构造图集(一)(10VKJ-101)三、分项工程质量目标严格控制强制性条文得执行,确保检验批、分项工程、分部(子分部)工程质量验收合格,并符合合同规定,其工程质量目标如下:1、主控项目与一般项目得质量经抽样检验合格;2、分项工程所含得检验批均符合合格质量得规定;3、分部(子分部)工程所含分项工程得质量均验收合格;4、质量控制资料完整;5、分部工程有关安全及功能得检验与抽样检测结果符合有关规定;6、观感质量验收符合要求;7、确保工程质量验收符合合同规定。四、工程特点及监理工作重点 1、工程特点及要点本工程一层及以上墙体、外墙、分户墙采纳 200 厚烧结页岩空心砖;内墙采纳 100、200 厚烧结页岩空心砖 (12 孔以上)。于墙脚低于首层室内地面标高 0、06 处设防潮层,选用 20 厚防水砂浆三层防潮...

1、当您付费下载文档后,您只拥有了使用权限,并不意味着购买了版权,文档只能用于自身使用,不得用于其他商业用途(如 [转卖]进行直接盈利或[编辑后售卖]进行间接盈利)。
2、本站所有内容均由合作方或网友上传,本站不对文档的完整性、权威性及其观点立场正确性做任何保证或承诺!文档内容仅供研究参考,付费前请自行鉴别。
3、如文档内容存在违规,或者侵犯商业秘密、侵犯著作权等,请点击“违规举报”。

碎片内容

砌体工程监理实施细则

您可能关注的文档

确认删除?
VIP
微信客服
  • 扫码咨询
会员Q群
  • 会员专属群点击这里加入QQ群
客服邮箱
回到顶部