电脑桌面
添加小米粒文库到电脑桌面
安装后可以在桌面快捷访问

长城杯金奖混凝土施工方案

长城杯金奖混凝土施工方案_第1页
1/29
长城杯金奖混凝土施工方案_第2页
2/29
长城杯金奖混凝土施工方案_第3页
3/29
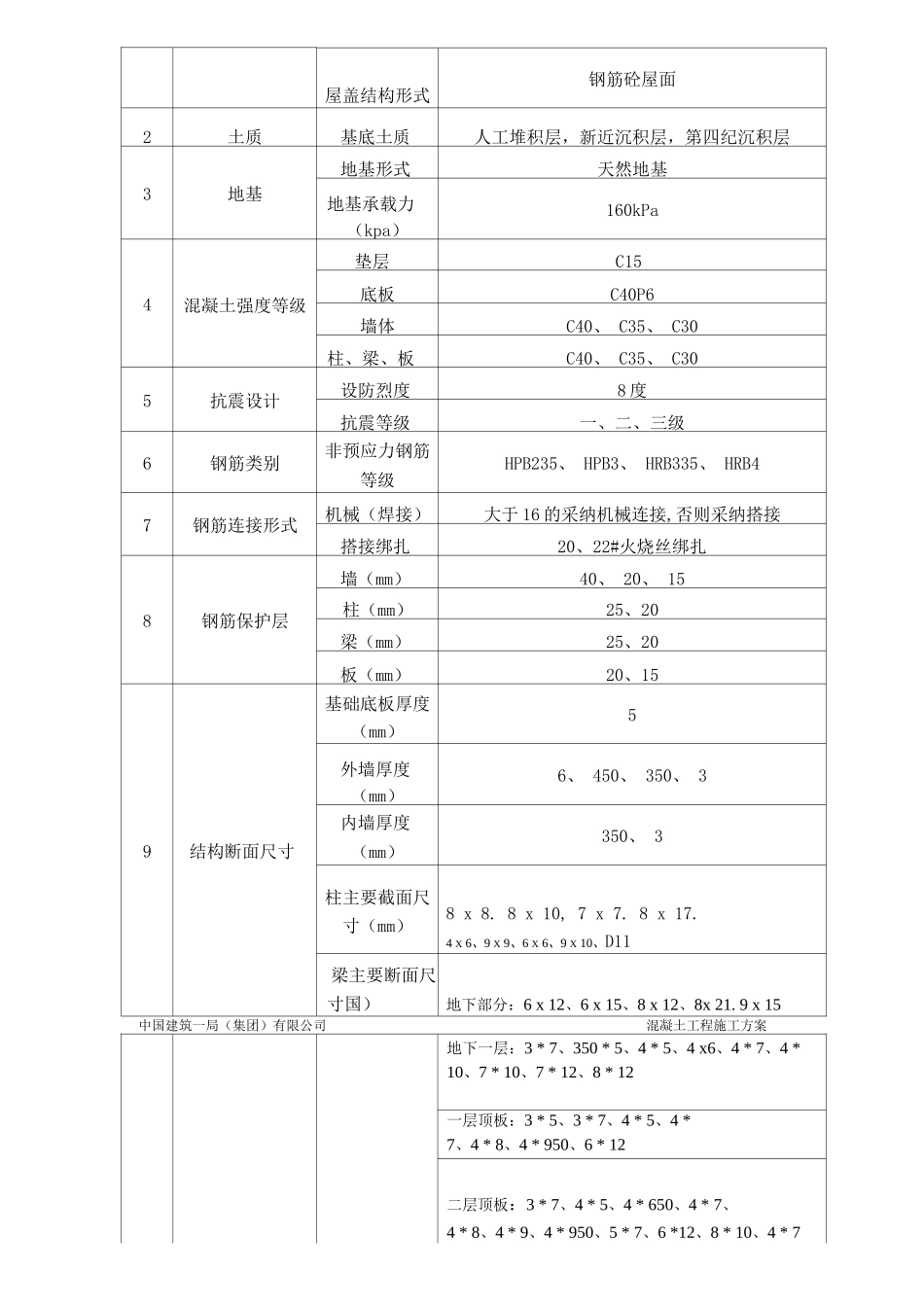
中国建筑一局(集团)有限公司目 录一、编制依据2二、工程概况2三、施工安排4四、施工准6五、施工方法8六、质量要求20七、安全文明施工27八、成品保护29九、主要管理措施30十、附图35一、编制依据表 1-1序号名 称编号混凝土工程施工方案1石化工程科研成果中试及转化中心等 6 项工程施工图2石化工程科研成果中试及转化中心等 6 项工程《施工组织设计》3《混凝土结构工程施工质量验收法律规范》GB50204—22《混凝土结构设计法律规范》GB510-2025《普通混凝土配合比设计规程》JGJ55-21《地下防水工程质量验收法律规范》GB50208-2025《混凝土泵送施工技术规程》JGJ/T 10—2025《北京建筑资料管理规程》DB11-T695 — 29《混凝土外加剂应用技术规程》GB50325 — 2025《建筑工程施工质量验收统一标准》GB503-214《建筑工程冬期施工规程》JGJ104-2025《混凝土碱含量限制标准》CECS53—93、工程概况表 2-1序号项 目内容1建筑面积总占地面积114884总建筑面积81280地下建筑面积197地上建筑面积615802建筑层数地下1 层地上4 层3建筑层高地下部分层高5.1m1 层地上部分层高5。1m4 层(A、D 区)10.2m2 层(B、C 区)4建筑高度±0o 绝对标高45. 1m室内外高差一 0。3m基底标高—9。m最大基坑深度-9m檐高度22. 2建筑总高23。55抗渗等级地下部分P6表 2 — 2序项 目内容第 2 页1结构形式基础形式梁板式筏型基础、柱下条形基础主体结构形式框架剪力墙、框架结构中国建筑一局(集团)有限公司混凝土工程施工方案屋盖结构形式钢筋砼屋面2土质基底土质人工堆积层,新近沉积层,第四纪沉积层3地基地基形式天然地基地基承载力(kpa)160kPa4混凝土强度等级垫层C15底板C40P6墙体C40、 C35、 C30柱、梁、板C40、 C35、 C305抗震设计设防烈度8 度抗震等级一、二、三级6钢筋类别非预应力钢筋等级HPB235、 HPB3、 HRB335、 HRB47钢筋连接形式机械(焊接)大于 16 的采纳机械连接,否则采纳搭接搭接绑扎20、22#火烧丝绑扎8钢筋保护层墙(mm)40、 20、 15柱(mm)25、20梁(mm)25、20板(mm)20、159结构断面尺寸基础底板厚度(mm)5外墙厚度(mm)6、 450、 350、 3内墙厚度(mm)350、 3柱主要截面尺寸(mm)8 x 8. 8 x 10, 7 x 7. 8 x 17.4 X 6、9 X 9、6 X 6、9 X 10、D11梁主要断面尺寸国)地下部分:6 x 12、6 x 15、8 x 12、8x 21. 9 x 15地下一层:3 * 7、350 * 5、4 * 5、4 x6、4 *...

1、当您付费下载文档后,您只拥有了使用权限,并不意味着购买了版权,文档只能用于自身使用,不得用于其他商业用途(如 [转卖]进行直接盈利或[编辑后售卖]进行间接盈利)。
2、本站所有内容均由合作方或网友上传,本站不对文档的完整性、权威性及其观点立场正确性做任何保证或承诺!文档内容仅供研究参考,付费前请自行鉴别。
3、如文档内容存在违规,或者侵犯商业秘密、侵犯著作权等,请点击“违规举报”。

碎片内容

长城杯金奖混凝土施工方案

一二三四传媒+ 关注
实名认证
内容提供者

大量资料供您选择,没有合适的可以联系小二。

确认删除?
VIP
微信客服
  • 扫码咨询
会员Q群
  • 会员专属群点击这里加入QQ群
客服邮箱
回到顶部