电脑桌面
添加小米粒文库到电脑桌面
安装后可以在桌面快捷访问

阜阳市天筑逸景3-5楼施工临时用电施工方案

阜阳市天筑逸景3-5楼施工临时用电施工方案_第1页
1/9
阜阳市天筑逸景3-5楼施工临时用电施工方案_第2页
2/9
阜阳市天筑逸景3-5楼施工临时用电施工方案_第3页
3/9
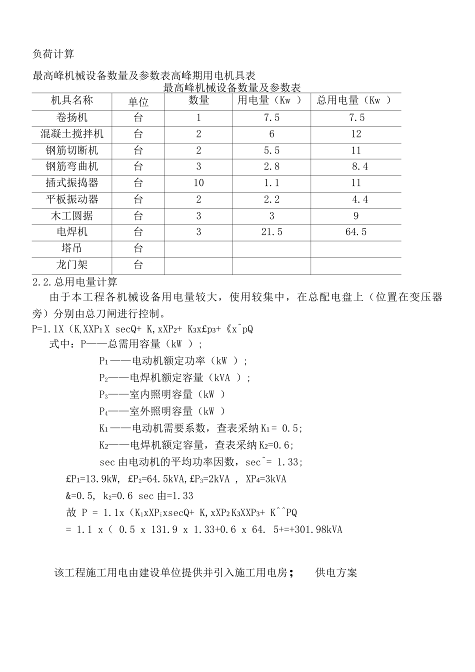
临时用电组织设计1 工程概况安徽人人家食品有限公司 1#、2#厂房工程,建筑平面布置为长方形,1#厂房长 82.05m、宽 36.06m,建筑高度 8m,2#厂房长 104.05m、宽 40.06m,建筑高度 8m, 建筑等级三级,设计使用年限为 50 年,建筑耐火等级二级,抗震设防烈度七度。本工程临时施工用电采纳 TN-S 系统配电。2 现场临时用电设施现场临时供电按《工业与民用供电系统设计法律规范》和《施工现场临时用电安全 技术法律规范》设计并组织施工,供配电采纳 TN-S 接零保护系统,按三级配电两级保护 设计施工,PE 线与 N 线严格分开使用。接地电阻不大于 4。,施工现场所有防雷装 置冲击接地电阻不大于 30Q。开关箱内漏电保护器额定漏电动作电流不大于 30mA , 额定漏电动作时间不大于 0.1s2.1 编制目的安徽人人家食品有限公司 1#、2#厂房工程即将开始施工,为了提供基础施工过程 及后期安装、装修工程用电,特编制此方案。此用电方案对土建、安装、装修等整个 施工过程用电进行整体规划,充分考虑了各施工阶段用电机具的用电量,能够满足安 徽人人家食品有限公司 1#、2#厂房工程整个施工过程的用电要求。2.2 临时用电计算负荷计算最高峰机械设备数量及参数表高峰期用电机具表最高峰机械设备数量及参数表机具名称单位数量用电量(Kw )总用电量(Kw )卷扬机台17.57.5混凝土搅拌机台2612钢筋切断机台25.511钢筋弯曲机台32.88.4插式振捣器台101.111平板振动器台22.24.4木工圆据台339电焊机台321.564.5塔吊台龙门架台2.2.总用电量计算由于本工程各机械设备用电量较大,使用较集中,在总配电盘上(位置在变压器 旁)分别由总刀闸进行控制。P=1.1X(K, XXP1 X secQ+ K,xXP2+ K3x£p3+《x^pQ式中:P——总需用容量(kW );P1 ——电动机额定功率(kW );P2——电焊机额定容量(kVA );P3——室内照明容量(kW )P4——室外照明容量(kW )K1 ——电动机需要系数,查表采纳 K1 = 0.5;K2——电焊机额定容量,查表采纳 K2=0.6;sec 由电动机的平均功率因数,sec^= 1.33;£P1=13.9kW, £P2=64.5kVA,£P3=2kVA , XP4=3kVA&=0.5, k2=0.6 sec 由=1.33故 P = 1.1x(K1xXPixsecQ+ K,xXP2 K3XXP3+ K^^PQ= 1.1 x( 0.5 x 131.9 x 1.33+0.6 x 64. 5+=+301.98kVA该工程施工用电由建设单位提供并引入施工用电房; 供电方案该施工现场 380/220V 低压配电线路采纳树干式配线。供电方案示意图2.2.基本...

1、当您付费下载文档后,您只拥有了使用权限,并不意味着购买了版权,文档只能用于自身使用,不得用于其他商业用途(如 [转卖]进行直接盈利或[编辑后售卖]进行间接盈利)。
2、本站所有内容均由合作方或网友上传,本站不对文档的完整性、权威性及其观点立场正确性做任何保证或承诺!文档内容仅供研究参考,付费前请自行鉴别。
3、如文档内容存在违规,或者侵犯商业秘密、侵犯著作权等,请点击“违规举报”。

碎片内容

阜阳市天筑逸景3-5楼施工临时用电施工方案

确认删除?
VIP
微信客服
  • 扫码咨询
会员Q群
  • 会员专属群点击这里加入QQ群
客服邮箱
回到顶部