电脑桌面
添加小米粒文库到电脑桌面
安装后可以在桌面快捷访问

阿特拉斯空压机操作说明

阿特拉斯空压机操作说明_第1页
1/29
阿特拉斯空压机操作说明_第2页
2/29
阿特拉斯空压机操作说明_第3页
3/29
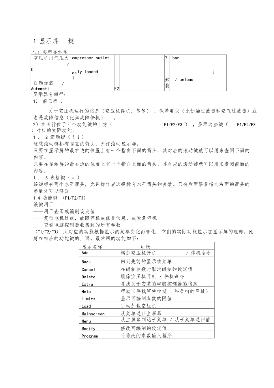
Atlas Copco 阿特拉斯科普柯固定式螺杆空气压缩机电脑控制器操作方法控制面板功能:1, I : 开机按钮。按该按钮让空压机开机,自动运行指示灯点亮时表示电脑控制器有效运行(自动运行状态)。2, O :停机按钮。按该按钮让空压机停机,自动运行指示灯熄灭。3,液晶显示器:显示关于空压机运行状态,保养要求或者故障信息。4, “↑”, “↓” :上下滚动键:该键用来翻阅显示屏。控制面板Elekt o’ nik onI开机机5, “ 〓 ”: 表格键:该键用来选择跟着水平箭头的参数。6, “ F1”, “ F2”, “ F3”:功能键:该键用于控制和编制空压机,参见后面的内容。7, “ 自动”•:自动运行指示灯:表示电脑控制器正自动控制空压机运行。8, “ 报警”•:总报警指示灯:通常熄灭,当有不正常情况出现时,该灯点亮或闪耀,参见后面的内容。9, “ 电源”•:电源指示灯:指示和上电源。10,:自动运行图标。11,!:报警图标。12,:有电图标。13,另外,空压机机体上有一只紧急停机按钮:有紧急情况出现时,按紧急急停按钮让空压机立刻停机,故障排除后,拔出按钮解除锁定,并按重新设置功能键F3 复位。1 显示屏 - 键1.1 典型显示图空压机出气压力/ C自动加载/ Automatiomcalpressor outletly loadedF27.卸载bar↓/ unload显示器有四行:1) 前三行 :——关于空压机运行的信息(空压机停机,等等) ,保养要求(比如油过滤器和空气过滤器)或者是故障信息(比如故障停机)。2)在四行位于三个功能键的上方(F1/F2/F3 ) ,显示这些键(F1/F2/F3 )对应的实际功能。1 . 2 滚动键(↑↓)这些滚动键标有垂直的箭头,允许滚动显示屏。只要在显示屏的最右边的位置上有一个指向下面的箭头,其对应的滚动键就可以用来查阅下面的内容。只要在显示屏的最右边的位置上有一个指向上面的箭头,其对应的滚动键就可以用来查阅前面的内容。1 . 3 表格键( = )该键标有两个水平箭头,允许操作者选择标有水平箭头的参数。只有后面跟着指向右面的箭头的参数才可以修改。1.4 功能键 (F1/F2/F3)该键用于:——用于查阅或编制设定值——复位电机过载,故障停机或保养信息,或紧急停机——查看电脑控制器收集到的所有参数(F1/F2/F3) 所对应的功能根据显示的菜单变化而变化,它们的实际功能显示在显示屏的底部,刚好在相应的功能键的上面。最常用的功能如下:显示名称功能Add增加空压机开机/ 停机命令(...

1、当您付费下载文档后,您只拥有了使用权限,并不意味着购买了版权,文档只能用于自身使用,不得用于其他商业用途(如 [转卖]进行直接盈利或[编辑后售卖]进行间接盈利)。
2、本站所有内容均由合作方或网友上传,本站不对文档的完整性、权威性及其观点立场正确性做任何保证或承诺!文档内容仅供研究参考,付费前请自行鉴别。
3、如文档内容存在违规,或者侵犯商业秘密、侵犯著作权等,请点击“违规举报”。

碎片内容

阿特拉斯空压机操作说明

您可能关注的文档

确认删除?
VIP
微信客服
  • 扫码咨询
会员Q群
  • 会员专属群点击这里加入QQ群
客服邮箱
回到顶部