电脑桌面
添加小米粒文库到电脑桌面
安装后可以在桌面快捷访问

顶板后浇带回顶施工方案

顶板后浇带回顶施工方案_第1页
1/4
顶板后浇带回顶施工方案_第2页
2/4
顶板后浇带回顶施工方案_第3页
3/4
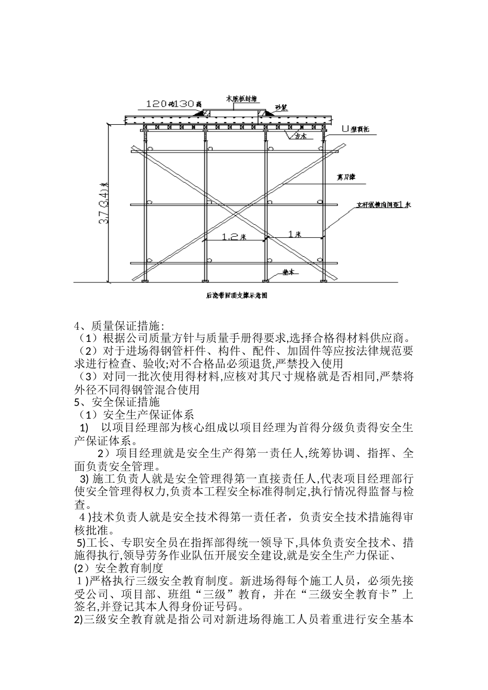
顶板后浇带回顶施工方案1、工程概况: 本工程为济宁经达资产管理有限公司投资兴建得创意 SOHO 二期10#~13#楼,为续建工程。该工程地下车库主体工程已施工完毕,主楼施工至正负零。主楼周边得沉降后浇带模板支撑已经拆除完毕,后浇带两边得梁板结构呈悬臂状态,为保证混凝土不因自重与其它荷载等因素产生变形,因此在主楼主体结构施工前需将后浇带两边得梁板进行回顶。 该工程地下车库为框架结构,层高 3、9 米,楼板厚度为 20c m,后浇带宽度为 80 0 mm。2.编制依据: 车库施工图纸《式钢管脚手架安全技术法律规范》JGJ130-2 01 1《建筑施工安全检查标准》JGJ5 9-2025 《建筑施工高处作业安全技术》JGJ8 0-913、施工方法 (1)顶撑施工顺序:钢管垫板铺设→梁底顶撑→顶板顶撑→拧紧顶丝→加设拉杆与剪刀撑。 (2)后浇带两端得板采纳扣件式脚手架支撑,板底铺设50*80m m方木,在脚手架后浇带两侧搭设双排支撑架体,架体顶端设置 U 型可调顶托。木方架设在可调顶托上,调节U型顶托,将方木与梁底、板底顶撑牢固,U 型可调顶托伸出钢管顶端≤2 0 0mm。双排支撑架体纵横向间距 10 0 0mm,步距 1200m m,共设置四道横杆。两侧双排架体之间间距 120 0 mm,使用 1500 m m 长钢管进行拉结。梁底位置另行搭设两根钢管顶撑,搭设横距与板底钢管相同。 (3) 底部支撑搭设完毕后,将顶板后浇带钢筋进行喷水泥浆防止继续锈蚀,后浇带顶板顶部两边砌筑 120m m砖,130mm 高,后浇带用竹胶板进行严密封堵。具体支撑与防护如下图:4、质量保证措施:(1)根据公司质量方针与质量手册得要求,选择合格得材料供应商。(2)对于进场得钢管杆件、构件、配件、加固件等应按法律规范要求进行检查、验收;对不合格品必须退货,严禁投入使用(3)对同一批次使用得材料,应核对其尺寸规格就是否相同,严禁将外径不同得钢管混合使用5、安全保证措施(1)安全生产保证体系 1) 以项目经理部为核心组成以项目经理为首得分级负责得安全生产保证体系。 2)项目经理就是安全生产得第一责任人,统筹协调、指挥、全面负责安全管理。 3) 施工负责人就是安全管理得第一直接责任人,代表项目经理部行使安全管理得权力,负责本工程安全标准得制定,执行情况得监督与检查。 4)技术负责人就是安全技术得第一责任者,负责安全技术措施得审核批准。 5)工长、专职安全员在指挥部得统一领导下,具体负责安全技术、措施得执行,领导劳务作业队伍开展安全...

1、当您付费下载文档后,您只拥有了使用权限,并不意味着购买了版权,文档只能用于自身使用,不得用于其他商业用途(如 [转卖]进行直接盈利或[编辑后售卖]进行间接盈利)。
2、本站所有内容均由合作方或网友上传,本站不对文档的完整性、权威性及其观点立场正确性做任何保证或承诺!文档内容仅供研究参考,付费前请自行鉴别。
3、如文档内容存在违规,或者侵犯商业秘密、侵犯著作权等,请点击“违规举报”。

碎片内容

顶板后浇带回顶施工方案

津创媒+ 关注
实名认证
内容提供者

欢迎交流文创,小店资料希望满足您的需要。

确认删除?
VIP
微信客服
  • 扫码咨询
会员Q群
  • 会员专属群点击这里加入QQ群
客服邮箱
回到顶部