电脑桌面
添加小米粒文库到电脑桌面
安装后可以在桌面快捷访问

住宅楼工程监理规划88

住宅楼工程监理规划88_第1页
1/7
住宅楼工程监理规划88_第2页
2/7
住宅楼工程监理规划88_第3页
3/7
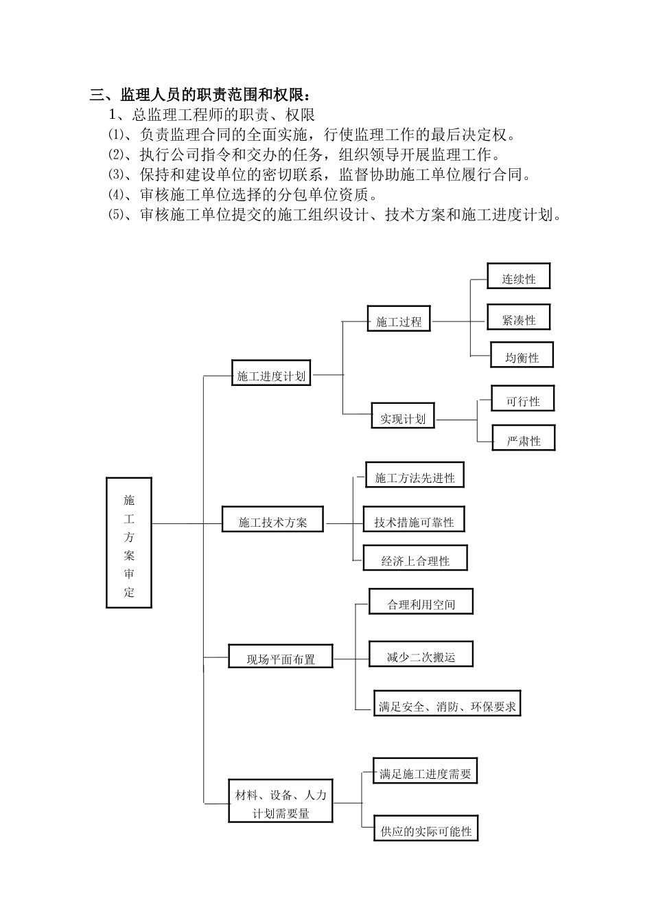
邯郸市鑫祥房地产开发公司南国风光 11、13、115、17#住宅楼监理规划一、工程概况: 南国风光小区位于中华南大街吴庄村西侧,本工程由鑫祥房地产开发公司建设,邯郸市怀特建筑设计有限公司设计,爱民建筑安装公司施工。 本工程为六层住宅、坡屋顶,建筑高度 20.1M。基础为条型砼,墙体采纳 MU10 非粘土烧结砖 M50 混合砂浆,外墙粘贴 50 厚阻燃型聚苯板,饰面为硅胶,弹性底漆及柔性耐水腻子,面层为涂料。屋面为三级防水,保温层为 60 厚挤塑板、防水材料为高聚物改性沥青卷材。门窗采纳塑钢窗中空双玻,内门为木门扇露白色,低温地板辐射采暖。 二、监理组织机构根据本项目的工程特征,组织如下简历班子,并根据工程进度的实际进展情况,将进行适当的补充和调整。驻地监理人员构成:总监理工程师:土建工程师:水暖工程师:电气工程师: 合同管理及投资控制组水暖监理组监理公司总监理工程师土建结构组兼材料检测电气监理组 三、监理人员的职责范围和权限:1、总监理工程师的职责、权限⑴、负责监理合同的全面实施,行使监理工作的最后决定权。⑵、执行公司指令和交办的任务,组织领导开展监理工作。⑶、保持和建设单位的密切联系,监督协助施工单位履行合同。⑷、审核施工单位选择的分包单位资质。⑸、审核施工单位提交的施工组织设计、技术方案和施工进度计划。连续性施工过程紧凑性均衡性施工进度计划可行性实现计划严肃性施工方法先进性施工方案审定技术措施可靠性施工技术方案经济上合理性合理利用空间减少二次搬运满足安全、消防、环保要求现场平面布置满足施工进度需要材料、设备、人力计划需要量供应的实际可能性⑹、检查施工前准备工作、审签开工报告。⑺、参加设计单位向施工单位的设计技术交底会议。⑻、参加新建项目有关技术安全、质量、进度等有关会议。⑼、签发返工、停工命令,审签往来函件及有关报表。⑽、审核签署验工计价汇总表。⑾、检查施工场地监理人员对隐蔽工程验收的执行情况。⑿、参加竣工验收、检查工程初验情况。⒀、督促整理各种技术档案材料。⒁、定期不定期向公司和建设单位报告工作,分析监理工作状况,不断总结经验。2、专业监理工程师职责、权限:⑴、负责施工现场的质量监督检查,对所管工程进行监理。⑵、执行总监理指令和交办的各项任务。⑶、依据施工法律规范和验收标准,检查工程质量情况,发现质量问题,提出限期改进意见。⑷、讨论建立本项目监理工作,审核变更设计,提出审查意见。⑸、...

1、当您付费下载文档后,您只拥有了使用权限,并不意味着购买了版权,文档只能用于自身使用,不得用于其他商业用途(如 [转卖]进行直接盈利或[编辑后售卖]进行间接盈利)。
2、本站所有内容均由合作方或网友上传,本站不对文档的完整性、权威性及其观点立场正确性做任何保证或承诺!文档内容仅供研究参考,付费前请自行鉴别。
3、如文档内容存在违规,或者侵犯商业秘密、侵犯著作权等,请点击“违规举报”。

碎片内容

住宅楼工程监理规划88

您可能关注的文档

确认删除?
VIP
微信客服
  • 扫码咨询
会员Q群
  • 会员专属群点击这里加入QQ群
客服邮箱
回到顶部