电脑桌面
添加小米粒文库到电脑桌面
安装后可以在桌面快捷访问

召良村创业园厂房工程监理规划

召良村创业园厂房工程监理规划_第1页
1/16
召良村创业园厂房工程监理规划_第2页
2/16
召良村创业园厂房工程监理规划_第3页
3/16
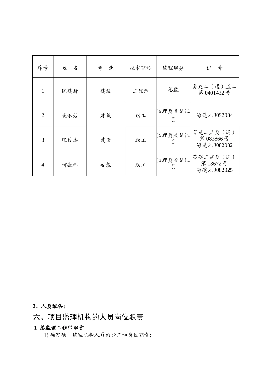
监理规划一、工程概况 1、工程名称:召良村创业园厂房工程2、工程地点:召良村3、工程建筑面积:5400 平法米 4、工程类别:二类5、工程等级:三等6、工程结构特征:框架7、工程计划投资:约 400 万元8、工程项目计划工期:2009 年 08 月 31 日—2010 年 2 月 28 日9、建设单位:召良村创业园区10、设计单位:海门华夏建筑设计11、施工单位:上海大众建筑有限公司二、监理工作范围A、地基与基础、主体结构、建筑装饰装修、建筑屋面、建筑给排水、建筑电气、室外道路、绿化等。B、质量控制、进度控制、合同管理和安全管理。三、监理工作内容1、参加或组织设计图纸会审及设计交底。2、审查承包单位资质和安全生产许可证,三类人员及特别工种的执业资格证书或操作证,组织机构及质量保证体系和安全生产保证体系。审查确认分包单位。3、审查承包单位编制的施工组织设计、施工技术方案、专项施工方案、住宅工程质量通病控制方案和施工措施住宅工程质量通病控制方案和施工措施、施工进度计划等,并监督其实施。4、审查承包单位或业主提供的材料清单是否符合设计文件及标书确定的厂家、规格、质量标准,不符合要求的不得使用在工程中。5、对用于工程的主要材料、构件的出厂合格证、材质化验单等进行审核,见证材料取样和试块、试件制作,要求送检的应及时送检,严禁不合格材料或构件用于工程。6、进行工程环境及管理环境的监督。7、测设标桩的审核与检查。8、审核工程的开工及复工申请报告。9、实行旁站、巡视、验收、文件等方法,利用各种有效的检测手段,督促检查承包单位严格执行合同和严格根据国家的有关技术法律规范、规程、标准及设计图纸进行施工活动, 严格控制工程质量。各道工序未经验收合格,承包单位不得进行下道工序施工。当发生必须停止施工的紧急事件时,总监理工程师应及时签发工程暂停令。10、设计变更必须有设计方的正式变更通知书。重大设计变更应提出监理意见,并要求报原政府审批机关审核批准。11、根据《建筑安装工程承包合同》规定的工期及承包单位提交的施工进度计划,检查工程的施工进度,并及时向业主汇报对工程情况的意见,应每月向业主提交《监理月报》。12、监理人员常驻现场,实行全过程、全方位监理,发现问题及时解决。把质量控制、进度控制、投资控制及合同管理、安全生产管理、现场文明施工等措施落到实处,把握好质量、进度、投资三者之间的关系。按时召开监理例会,及时组织召开专题会议。13、审查施工...

1、当您付费下载文档后,您只拥有了使用权限,并不意味着购买了版权,文档只能用于自身使用,不得用于其他商业用途(如 [转卖]进行直接盈利或[编辑后售卖]进行间接盈利)。
2、本站所有内容均由合作方或网友上传,本站不对文档的完整性、权威性及其观点立场正确性做任何保证或承诺!文档内容仅供研究参考,付费前请自行鉴别。
3、如文档内容存在违规,或者侵犯商业秘密、侵犯著作权等,请点击“违规举报”。

碎片内容

召良村创业园厂房工程监理规划

确认删除?
VIP
微信客服
  • 扫码咨询
会员Q群
  • 会员专属群点击这里加入QQ群
客服邮箱
回到顶部