电脑桌面
添加小米粒文库到电脑桌面
安装后可以在桌面快捷访问

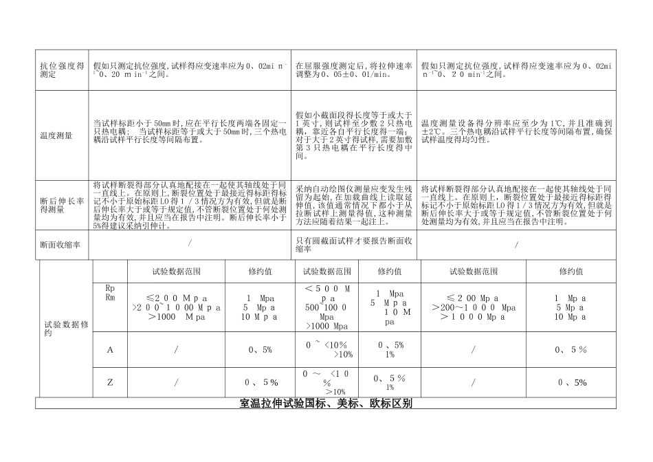
国标、美标、欧标区别

国标、美标、欧标区别_第1页
1/5
国标、美标、欧标区别_第2页
2/5
国标、美标、欧标区别_第3页
3/5
高温拉伸试验国标、美标、欧标区别标准序号国家标准GB/T 4 3 38-2025美国标准A S TM E 21-92欧洲标准EN10 00 2-5:1 9 92符号原始标距: LO断后标距 L u引伸标距:Le伸长率:A断面收缩率:Z最大力:Fm抗拉强度:R m屈服强度:规定非比例延伸强度:Rp上屈服强度:Re H下屈服强度: R eL原始截面积: S 0断后截面积:S U原始标距:LO断后标距:引伸标距:伸长率: El t断面收缩率:最大力:F抗拉强度: S U屈服强度:YP规定非比例延伸强度: Y S上屈服强度:U Y S下屈服强度:LYS原始截面积: A 0断后截面积:原始标距: LO断后标距 Lu引伸标距:Le伸长率:A断面收缩率:Z最大力:F m抗拉强度:Rm屈服强度:规定非比例延伸强度:R p上屈服强度:R e H下屈服强度: ReL原始截面积: S 0断后截面积:SU试样尺寸Ф3m m Ф5mm Ф6mm Ф8m m Ф10mm Ф15m m Ф 20 mm Ф25 mmФ2.5 m m Ф 4 m m Ф6mm Ф9mm Ф12.5mmФ5mm Ф1 0 m m Ф 20 mm原始标距原始标距 5d原始标距 5d原始标距 5d试验温度试样加热装置应使试样可以加热至所规定得温度 θ。所规定得温度 θ 与所指示得温度 θi 间允许得偏差为:θ≤ 6 00℃ :±3℃600℃<θ≤ 80 0℃ :±4℃800℃<θ≤1 00 0℃ :±5℃试样加热装置应使试样可以加热至所规定得温度 θ。所规定得温度 θ 与所指示得温度 θi 间允许得偏差为:θ≤ 1 00 0℃ :±3℃θ>100 0℃ :±6℃试样加热装置应使试样可以加热至所规定得温度 θ。所规定得温度 θ 与所指示得温度 θi 间允许得偏差为:θ≤ 600℃ :±3℃600℃<θ≤ 80 0℃ :±4℃80 0℃<θ≤10 0 0℃ :±5℃保温时间试样加热至所规定得温度 θ,并且应在加载前在此温度至少维持 10min试样加热至所规定得温度 θ,并且应在加载前在此温度至少维持20 m in试样加热至所规定得温度 θ,并且应在加载前在此温度至少维持1 0 mi n屈 服 强 度( 上 屈 服 强度与下屈服强 度 ) 与 规定非比例延伸强度得测定从试验开始至测定屈服应力,试样得应变速率应为0、001 min-1~0、005 mi n-1。任何情况下弹性范围内得应力速率都不得超过3 0 0 N/m m 2 m i n-1。当实施测定屈服性能得试验时,将试样均匀截面上得变形率保持在 0、0 05±0、002/mi n。从试验开始至测定屈服应...

1、当您付费下载文档后,您只拥有了使用权限,并不意味着购买了版权,文档只能用于自身使用,不得用于其他商业用途(如 [转卖]进行直接盈利或[编辑后售卖]进行间接盈利)。
2、本站所有内容均由合作方或网友上传,本站不对文档的完整性、权威性及其观点立场正确性做任何保证或承诺!文档内容仅供研究参考,付费前请自行鉴别。
3、如文档内容存在违规,或者侵犯商业秘密、侵犯著作权等,请点击“违规举报”。

碎片内容

国标、美标、欧标区别

确认删除?
VIP
微信客服
  • 扫码咨询
会员Q群
  • 会员专属群点击这里加入QQ群
客服邮箱
回到顶部