电脑桌面
添加小米粒文库到电脑桌面
安装后可以在桌面快捷访问

地下防水工程监理实施细则

地下防水工程监理实施细则_第1页
1/9
地下防水工程监理实施细则_第2页
2/9
地下防水工程监理实施细则_第3页
3/9
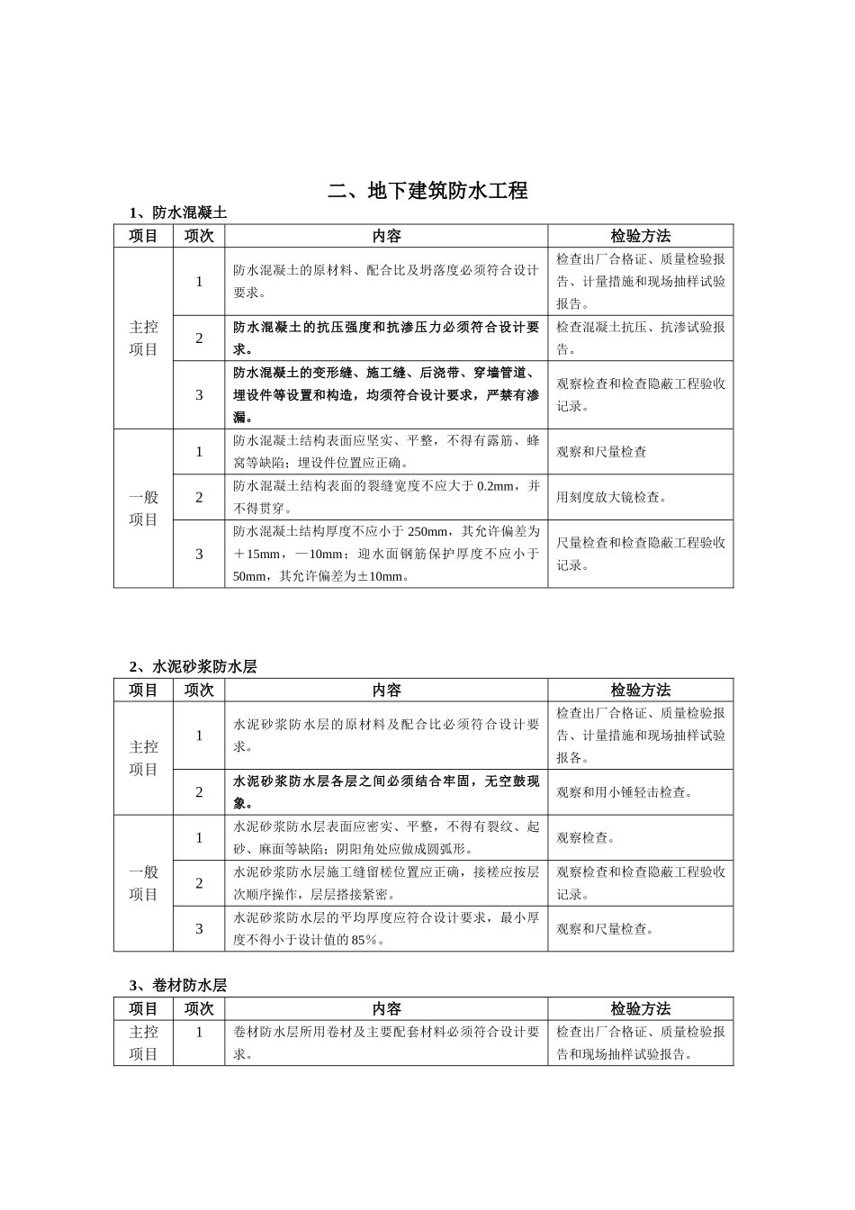
世纪花园 B2 组团地下防水工程监理实施细则编制:审批:地下防水工程监理实施细则一、基本规定1、 地下工程的防水等级分为 4 级,各级标准应符合下表的规定。本工程配电室为 1 级,地下车库为 2 级。 地下工程防水等级标准 (GB50208-2025 法律规范表 3.0.1)防水等级标 准1 级不允许渗水,结构表面无湿渍2 级不允许漏水,结构表面可有少量湿渍工业与民用建筑:湿渍总面积不大于总防水面积的 1‰,单个湿渍面积不大于 0.1m2,任意 100 m2防水面积不超过 1 处其他地下工程:湿渍总面积不大于总防水面积的 61‰,单个湿渍面积不大于 0.2 m2,任意 100 m2防水面积下超过 4 处3 级有少量漏水点,不得有线流和漏泥砂单个湿渍面积不大于 0.3 m2,单个漏水点的漏水量不大于 2.5L/d,任意 100 防水面积不超过 7 处4 级有漏水点,不得有线流和漏泥砂整个工程平均漏水量不大于 2 L/ m2•d,任意 100 m2防水面积的平均漏水量不大于 4 L/ m2•d2、 地下防水工程施工前,施工单位应进行图纸会审,掌握工程主体及细部构造的防水技术要求,并编制防水工程的施工方案。3、 地下防水工程必须由相应资质的专业防水队伍进行施工;主要施工人员应持有建设行政主管部门或其指定单位颁发的执业资格证书。4、 地下防水工程所使用的防水材料,应有产品的合格证书各性能检测报告,材料的品种、规格、性能等应符合现行国家产品标准和设计要求。对进场的防水材料应按 GB50208-2025 法律规范附录 A 和附录 B 的规定抽样复验,并提出试验报告;不合格的材料不得在工程中使用。5、 地下防水工程施工期间,必须保持地下水位稳定在基底 0.5m 以下,必要时应实行降水措施。6、 地下防水工程的防水层,严禁在雨天、雪天和五级风及其以上时施工,其施工环境气温条件宜符合下表的规定。防水层施工环境气温条件 (GB50208-2025 法律规范表 3.0.8)防水层材料施工环境气温高聚物改性沥青防水卷材冷粘法不低于 5℃,热熔法不低于-10℃合成高分子防水卷材冷粘法不低于 5℃,热风焊接法不低于-10℃有机防水涂料溶剂型-5~35℃,水溶性 5~35℃无机防水涂料5~35℃防水混凝土、水泥砂浆5~35℃二、地下建筑防水工程1、防水混凝土项目项次内容检验方法主控项目1防水混凝土的原材料、配合比及坍落度必须符合设计要求。检查出厂合格证、质量检验报告、计量措施和现场抽样试验报告。2防水混凝土的抗压强度和抗渗压力必须...

1、当您付费下载文档后,您只拥有了使用权限,并不意味着购买了版权,文档只能用于自身使用,不得用于其他商业用途(如 [转卖]进行直接盈利或[编辑后售卖]进行间接盈利)。
2、本站所有内容均由合作方或网友上传,本站不对文档的完整性、权威性及其观点立场正确性做任何保证或承诺!文档内容仅供研究参考,付费前请自行鉴别。
3、如文档内容存在违规,或者侵犯商业秘密、侵犯著作权等,请点击“违规举报”。

碎片内容

地下防水工程监理实施细则

您可能关注的文档

确认删除?
VIP
微信客服
  • 扫码咨询
会员Q群
  • 会员专属群点击这里加入QQ群
客服邮箱
回到顶部