电脑桌面
添加小米粒文库到电脑桌面
安装后可以在桌面快捷访问

塑料线槽配线工艺标准

塑料线槽配线工艺标准_第1页
1/5
塑料线槽配线工艺标准_第2页
2/5
塑料线槽配线工艺标准_第3页
3/5
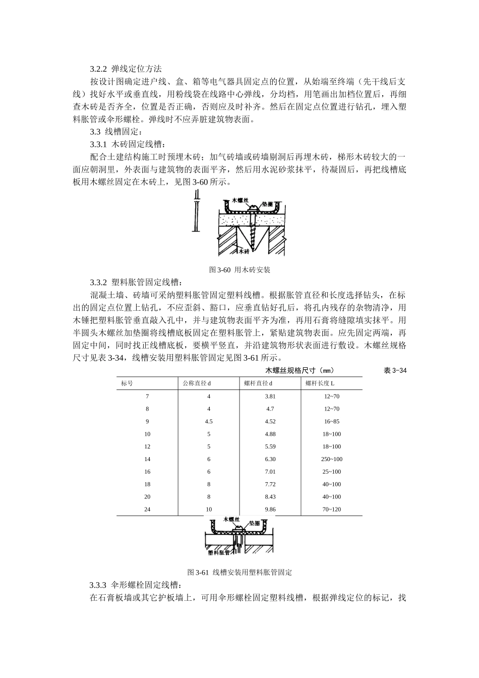
塑料线槽配线工艺标准 1 范围本工艺标准适用于干燥室内的电气照明明配线工程。2 施工准备2.1 材料要求:2.1.1 塑料线槽:由槽底、槽盖及附件组成,它是由难燃型硬聚氯乙烯工程塑料挤压成型,严禁使用非难燃型材料加工。选用塑料线槽时,应根据设计要求选择型号、规格相应的定型产品。其敷设场所的环境温度不得低于-15℃,其氧指数不应低于 27%。以上线槽内外应光滑无棱刺,不应有扭曲、翘边等变形现象。并有产品合格证。2.1.2 绝缘导线:导线的型号、规格必须符合设计要求,线槽内敷设导线的线芯最小允许截面:铜导线为 1.0mm2;铝导线为 2.5 mm2。2.1.3 螺旋接线钮:应根据导线截面和导线根数,选择相应型号的加强型绝缘钢壳螺旋接线钮。2.1.4 LC 安全型压线帽请见 3—8、2.1.5 有关内容。2.1.5 套管:套管有铜套管、铝套管及铜过渡套管三种,选用时应采纳与导线规格相应的同材质套管。2.1.6 接线端子(接线鼻子):选用时应根据导线的根数和总截面,选用相应规格的接线端子。2.1.7 木砖:用木材制成梯形,使用时应做防腐处理。2.1.8 塑料胀管:选用时,其规格应与被紧固的电气器具荷重相对应,并选择相同型号的圆头机螺丝与垫圈配合使用。2.1.9 镀锌材料:选择金属材料时,应选用经过镀锌处理的圆钢、扁钢、角钢、螺丝、螺栓、螺母、垫圈、弹簧垫圈等。非镀锌金属材料需进行除锈和防腐处理。2.1.10 辅助材料:钻头、焊锡、焊剂、电焊条、氧气、乙炔气、调合漆、防锈漆、橡胶绝缘带或粘塑料绝缘带、黑胶布、石膏等。2.2 主要机具:2.2.1 铅笔、卷尺、线坠、粉线袋、电工常用工具、活板子、手锤、錾子。2.2.2 钢锯、钢锯条、喷灯、锡锅、锡勺、焊锡、焊剂。2.2.3 手电钻、电锤、万用表、兆欧表、工具袋、工具箱、高凳等。2.3 作业条件:2.3.1 配合土建结构施工预埋保护管、木砖及预留孔洞。2.3.2 屋顶、墙面及地面、油漆、浆活全部完成。3 操作工艺3.1 工艺流程: 3.2 弹线定位:3.2.1 弹线定位应符合以下规定:3.2.1.1 线槽配线在穿过楼板或墙壁时,应用保护管,而且穿楼板处必须用钢管保护,其保护高度距地面不应低于 1.8m;装设开关的地方可引至开关的位置。3.2.1.2 过变形缝时应做补偿处理。3.2.2 弹线定位方法按设计图确定进户线、盒、箱等电气器具固定点的位置,从始端至终端(先干线后支线)找好水平或垂直线,用粉线袋在线路中心弹线,分均档,用笔画出加档位置后,再细查木砖是否齐全,位置是否正...

1、当您付费下载文档后,您只拥有了使用权限,并不意味着购买了版权,文档只能用于自身使用,不得用于其他商业用途(如 [转卖]进行直接盈利或[编辑后售卖]进行间接盈利)。
2、本站所有内容均由合作方或网友上传,本站不对文档的完整性、权威性及其观点立场正确性做任何保证或承诺!文档内容仅供研究参考,付费前请自行鉴别。
3、如文档内容存在违规,或者侵犯商业秘密、侵犯著作权等,请点击“违规举报”。

碎片内容

塑料线槽配线工艺标准

确认删除?
VIP
微信客服
  • 扫码咨询
会员Q群
  • 会员专属群点击这里加入QQ群
客服邮箱
回到顶部