电脑桌面
添加小米粒文库到电脑桌面
安装后可以在桌面快捷访问

塔吊附墙施工方案

塔吊附墙施工方案_第1页
1/41
塔吊附墙施工方案_第2页
2/41
塔吊附墙施工方案_第3页
3/41
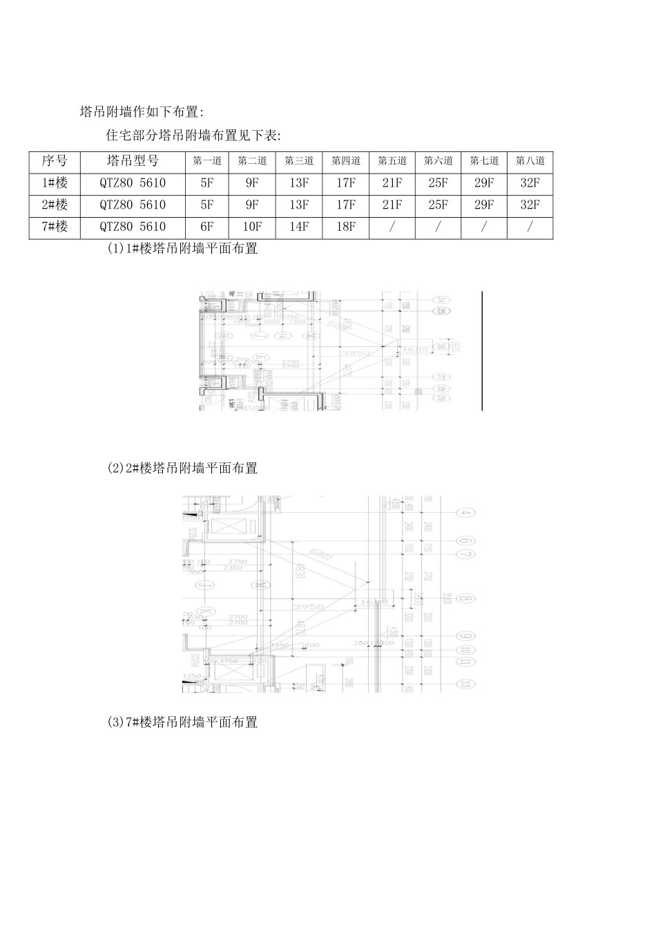
兴平碧桂园·中央公园一期塔吊附墙施工方案编制人: 审核人: 审批人: 广东龙越建筑工程有限公司2025 年 4 月 21 日目录一、工程概况............................................................................................................................3二、编制依据............................................................................................................................4三、住宅塔吊附墙布置............................................................................................................4四、施工方法............................................................................................................................9五、附着设计与施工得注意事项..........................................................................................11六、塔吊得附着得安装..........................................................................................................12七、安全保证措施..................................................................................................................12附计算书一、工程概况兴平碧桂园中央公园一期一标段位于兴平市广电路西侧,兴业路东段南侧,交通较为便利。我司施工范围内包括 1#楼(32F)、2#楼(32F)、7 号楼(18F)、8#楼(10F)、地下车库组成。由广东博意建筑设计院有限公司规划设计、广东龙越建筑工程有限公司总承包施工,陕西中基建设监理咨询有限公司,机械工业勘察设计讨论院有限公司勘察。总建筑面积 12、79 万 m2。本方案为高层塔吊附着施工方案,本工程塔吊平面布置图,见下图:二、编制依据1、兴平碧桂园中央公园一期一标段结构图2、兴平碧桂园中央公园一期一标段建筑图3、本工程塔吊基础施工方案4、塔吊平面布置图5、《建筑起重机械安全监督管理规定》(建设部 166 号令);6、《塔式起重机安全规程》(GB5144-2025);7、《建筑施工塔式机安装、使用、拆卸安全技术规程》(JGJ1962025);8、《建筑机械使用安全技术规程》(JGJ332025);9、《施工现场机械设备检查技术规程》(JGJ1602025);10、《建设工程安全生产管理条例》(国务院令第 393 号) ;11、《施工现场临时用电安全技术法律规范》JGJ46—202512、《建筑施工高处作业安全技术法律规范》JGJ80—202513、《建筑结构荷载法律...

1、当您付费下载文档后,您只拥有了使用权限,并不意味着购买了版权,文档只能用于自身使用,不得用于其他商业用途(如 [转卖]进行直接盈利或[编辑后售卖]进行间接盈利)。
2、本站所有内容均由合作方或网友上传,本站不对文档的完整性、权威性及其观点立场正确性做任何保证或承诺!文档内容仅供研究参考,付费前请自行鉴别。
3、如文档内容存在违规,或者侵犯商业秘密、侵犯著作权等,请点击“违规举报”。

碎片内容

塔吊附墙施工方案

确认删除?
VIP
微信客服
  • 扫码咨询
会员Q群
  • 会员专属群点击这里加入QQ群
客服邮箱
回到顶部