电脑桌面
添加小米粒文库到电脑桌面
安装后可以在桌面快捷访问

多层住宅小区工程监理规划

多层住宅小区工程监理规划_第1页
1/31
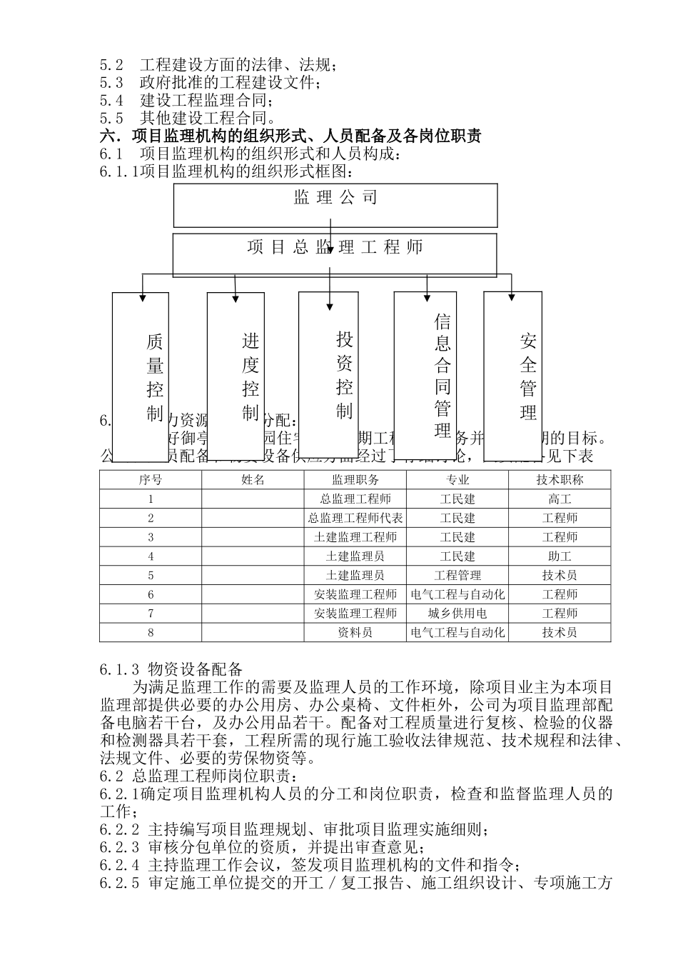
多层住宅小区工程监理规划_第2页
2/31
多层住宅小区工程监理规划_第3页
3/31
一、 前言小区一期工程,是由房产开发有限公司开发的多层住宅小区。非常感谢业主对我们的信任,使我们能参加本工程的监理工作、为花园住宅小区工作贡献。我们将严格根据公司的宗旨和理念去做好每一件事情,以“守法、诚信、公正、科学”的执业准则,积极做好本工程建设的过程控制。着力实践江泽民同志“三个代表”的重要思想。工程项目概况2.1 工程名称: 2.2 工程地点、工程环境及地质条件2.2.1 工程地点:2.2.2 工程环境:一期工程,东侧为望亭鹤溪路,北侧为御亭公园,园内绿化秀丽,小桥流水;场区施工用水、用电由业主提供接口,现场场地平坦,道路畅通,材料进出场方便。2.2.3 地质条件:本工程所处地段场地类别为Ⅲ类,地基采纳天然地基,基础持力层分部在1粘土层,建筑地基基础设计等级为丙级,建筑结构安全等级为二级。2.3 结构设计情况 住宅结构五层带阁楼,砖混结构,条形基础,抗震设防烈度 6 度,建筑结构安全等级为 2 级,设计使用年限 50 年。建筑物基础埋深-1.50-2.10 米,地基承载力特征值 Fak=140KPa,在-0.29 米处设有地圈梁一道。砼设计强度等级垫层 C15,其余设计强度等级均为 C25。在-0.03 米以下墙体为 MU15 实心标准砖,M10 水泥砂浆;-0.03 米-10.860 米墙体为 MU10 KP1多孔砖,M10 混合砂浆;10.860 米-屋顶墙体为 MU7.5 KP1 多孔砖,M7.5混合砂浆。 会所结构三层,框架结构,独立基础,抗震设防烈度6度,建筑结构安全等级为2级,设计使用年限50年。建筑物基础埋深-1.80米,地基承载力特征值Fak=140KPa。砼设计强度等级垫层C15,其余设计强度等级均为C30。在±0.000米以下墙体为MU15实心标准砖,M10水泥砂浆;在±0.000米以上墙体为MU5 240大三孔砼空心砌块,M10混合砂浆;10.860米-屋顶墙体为MU7.5 KP1多孔砖,M5混合砂浆。三、监理工作范围3.1 阶段范围:根据建设工程委托监理合同要求为:施工阶段监理3.2 类别范围:土建、水电设备安装四、监理工作内容4.1 施工准备阶段建设监理工作的主要内容4.1.1审查施工单位选择的分包单位的资质;4.1.2监督检查施工单位质量保证体系及安全技术措施,完善质量管理程序与制度;4.1.3参加设计单位向施工单位的技术交底;4.1.4审查施工单位上报的实施性施工组织设计,重点对施工方案、劳动力、材料、机械设备的组织及保证工程质量、安全、工期和控制造价等方面的措施进行监督,并向业主提出监理意见;4.1.5在单位工程开工前检查施工单位的复...

1、当您付费下载文档后,您只拥有了使用权限,并不意味着购买了版权,文档只能用于自身使用,不得用于其他商业用途(如 [转卖]进行直接盈利或[编辑后售卖]进行间接盈利)。
2、本站所有内容均由合作方或网友上传,本站不对文档的完整性、权威性及其观点立场正确性做任何保证或承诺!文档内容仅供研究参考,付费前请自行鉴别。
3、如文档内容存在违规,或者侵犯商业秘密、侵犯著作权等,请点击“违规举报”。

碎片内容

多层住宅小区工程监理规划

您可能关注的文档

确认删除?
VIP
微信客服
  • 扫码咨询
会员Q群
  • 会员专属群点击这里加入QQ群
客服邮箱
回到顶部