电脑桌面
添加小米粒文库到电脑桌面
安装后可以在桌面快捷访问

市政道路工程监理细则ee

市政道路工程监理细则ee_第1页
1/15
市政道路工程监理细则ee_第2页
2/15
市政道路工程监理细则ee_第3页
3/15
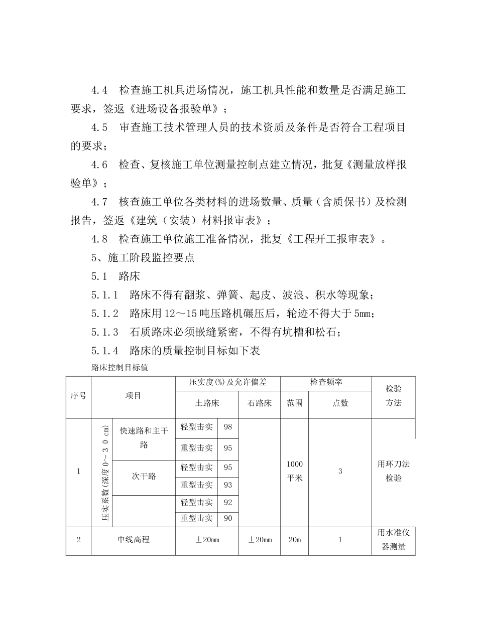
1、适用范围本细则适用于漳州开发区卓歧路(延伸段)市政道路工程路基、基层、砼面层及附属构造物工程的施工及验收的监督管理。2、编制依据: 2.1 《工程建设监理规划》(XS-QI-PS-02);2.2 《水泥砼路面施工及验收法律规范》(GBJ97-87);2.3 《市政道路工程质量检验评定标准》(CJJ1-90);2.4 《公路工程质量检验评定标准》(JTJ-071-94);2.5 《公路路面基层施工技术法律规范》(JTJ-037-93);2.6 《砼强度检验评定标准》(GBJ107-87)。3、施工工艺及监理工作流程3.1 施工工艺3.2 监理工作流程施工放样路床整形碾压基层施工路面砼施工人行道及附属构造物施工竣工验收监理单位编制监理大纲监 理 单 位 投 标建设单位选择监理单位监理单位与建设单位签订监理合同项目监理机构进驻编写监理规划及细则项 目 监 理 实 施进度管理投资控制质量控制合同管理信息管理对投入品的质量控制施工及安装工艺过程的质量控制对产品的质量控制监理合同结束合同评审4、准备工作监控要点4.1 熟悉合同文件、设计文件及有关技术资料,组织或协助业主组织图纸会审和设计技术交底;4.2 审批施工单位的施工组织设计,审核、检查进度计划及质量目标控制计划,签返《施工组织设计(方案)报审表》;4.3 检查施工单位质量保证体系的建立情况,检查、核实施工技术管理人员到位及劳力进场情况;4.4 检查施工机具进场情况,施工机具性能和数量是否满足施工要求,签返《进场设备报验单》;4.5 审查施工技术管理人员的技术资质及条件是否符合工程项目的要求;4.6 检查、复核施工单位测量控制点建立情况,批复《测量放样报验单》;4.7 核查施工单位各类材料的进场数量、质量(含质保书)及检测报告,签返《建筑(安装)材料报审表》;4.8 检查施工单位施工准备情况,批复《工程开工报审表》。5、施工阶段监控要点5.1 路床5.1.1 路床不得有翻浆、弹簧、起皮、波浪、积水等现象;5.1.2 路床用 12~15 吨压路机碾压后,轮迹不得大于 5mm;5.1.3 石质路床必须嵌缝紧密,不得有坑槽和松石;5.1.4 路床的质量控制目标如下表路床控制目标值序号项目压实度(%)及允许偏差检查频率检验方法土路床石路床范围点数1压实系数(深度 0~30 cm)快速路和主干路轻型击实981000平米3用环刀法检验重型击实95次干路轻型击实95重型击实93轻型击实92重型击实902中线高程±20mm±20mm20m1用水准仪器测量3平整度20mm30mm20m路宽<91用 3m 直尺量取最大值9~152...

1、当您付费下载文档后,您只拥有了使用权限,并不意味着购买了版权,文档只能用于自身使用,不得用于其他商业用途(如 [转卖]进行直接盈利或[编辑后售卖]进行间接盈利)。
2、本站所有内容均由合作方或网友上传,本站不对文档的完整性、权威性及其观点立场正确性做任何保证或承诺!文档内容仅供研究参考,付费前请自行鉴别。
3、如文档内容存在违规,或者侵犯商业秘密、侵犯著作权等,请点击“违规举报”。

碎片内容

市政道路工程监理细则ee

确认删除?
VIP
微信客服
  • 扫码咨询
会员Q群
  • 会员专属群点击这里加入QQ群
客服邮箱
回到顶部