电脑桌面
添加小米粒文库到电脑桌面
安装后可以在桌面快捷访问

打桩施工临时用电方1

打桩施工临时用电方1_第1页
1/15
打桩施工临时用电方1_第2页
2/15
打桩施工临时用电方1_第3页
3/15
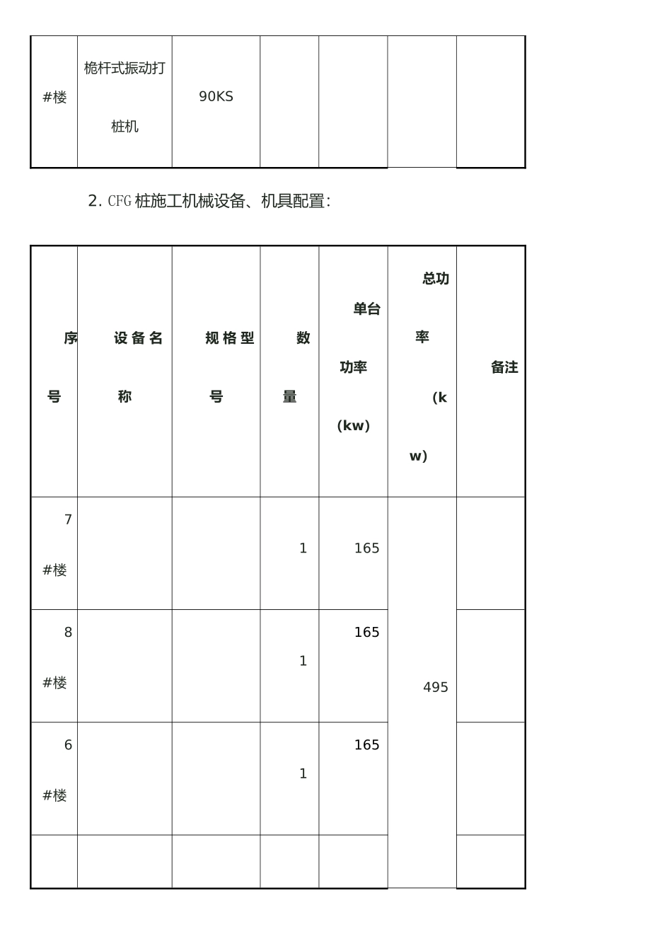
地基打桩工程施工临时用电方案一、 工程概况1. 现阶段为地基打桩施工阶段,主要施工用电为桩机和照明。2. 施工场地东侧有一个甲方提供的 1000KVA 的箱式变压器作为配电室。北面有甲方提供的两个 250KVA 的箱式变压器为一级配电箱。按现场施工用电量需求在 3#楼、4#楼南面中间走道处设两个 600A 的二级配电箱。7#楼北面设 2 个 600A 的二级配电箱。(详见施工临时用电图)。二、 编制依据1.法律规范《JGJ46-2025》2.现场实际情况。三、 主要电动机械设备南屯苑小区地基打桩施工阶段主要施工用电电动机械设备配备用电见下表:1. 碎石桩施工机械设备、机具配置:序号设备名称规格型号数量单台功率(kw)总功率(kw)备注5#楼三点支撑桅杆式振动打桩机DZ-75KS11204803#楼三点支撑桅杆式振动打桩机DZ-90KS11202#楼三点支撑桅杆式振动打桩机DZ-75KS11208三点支撑DZ-1120#楼桅杆式振动打桩机90KS2. CFG 桩施工机械设备、机具配置:序号设 备 名 称规 格 型 号数量单台功率(kw)总功率(kw)备注7#楼11654958#楼11656#楼1165四、 用电负荷计算采纳需要系数法进行负荷计算,公式为P=1.1(K1∑P1 + K2∑P2+ K3∑P3)式中:P 为施工现场用电设备所需总容量(KW)∑P1 为施工现场振动沉桩机和螺旋钻孔桩机额定用电量之和(KW)∑P2 为施工现场室内照明设备额定用电量之和(KW)∑P3 为施工现场室外照明额定用电量之和(KW)1.10 为用电量不均匀系数K1 为全部施工用电设备同时使用系数,10 台以内取 0.75,10-30 台取 0.7,30 以上取 0.6。K2 为室内照明设备同时使用系数,一般取 0.8。K3 为室外照明同时使用系数,一般取 1.0。根据此式及上表得∑P1=975KW、∑P2=60KW、∑P3=80KWK1=0.75,K2=0.8,K3=1.0P=1.1(0.75×975+0.8×60+1.0×80)经计算结果 P=860.0KW。建设单位给现场提供的用电容量为 1500KVA。现场有两台 250KVA 的临时变压器,和一个1000KVA 的配电室,二级配电提供五个 600A 三相五线制的电源来满足打桩施工需求。根据现场实际情况,如不能满足所有桩机供电所用量时,初步设想以下两方面:A. 用电量最大的两台桩机错开使用时间,搭配其他功率较小的桩机使用,这样能基本解决。B. 万一由于条件限制,则配备柴油发电机。考虑到对环境影响,最好采纳第一种办法。五、 施工现场用电布置施工现场按“三级配电、两级保护”要求进行布置临时用电,采纳三相五线制进行输电,严禁将保护零线与工作...

1、当您付费下载文档后,您只拥有了使用权限,并不意味着购买了版权,文档只能用于自身使用,不得用于其他商业用途(如 [转卖]进行直接盈利或[编辑后售卖]进行间接盈利)。
2、本站所有内容均由合作方或网友上传,本站不对文档的完整性、权威性及其观点立场正确性做任何保证或承诺!文档内容仅供研究参考,付费前请自行鉴别。
3、如文档内容存在违规,或者侵犯商业秘密、侵犯著作权等,请点击“违规举报”。

碎片内容

打桩施工临时用电方1

确认删除?
VIP
微信客服
  • 扫码咨询
会员Q群
  • 会员专属群点击这里加入QQ群
客服邮箱
回到顶部