电脑桌面
添加小米粒文库到电脑桌面
安装后可以在桌面快捷访问

新村拆迁安置地块工程监理报告

新村拆迁安置地块工程监理报告_第1页
1/5
新村拆迁安置地块工程监理报告_第2页
2/5
新村拆迁安置地块工程监理报告_第3页
3/5
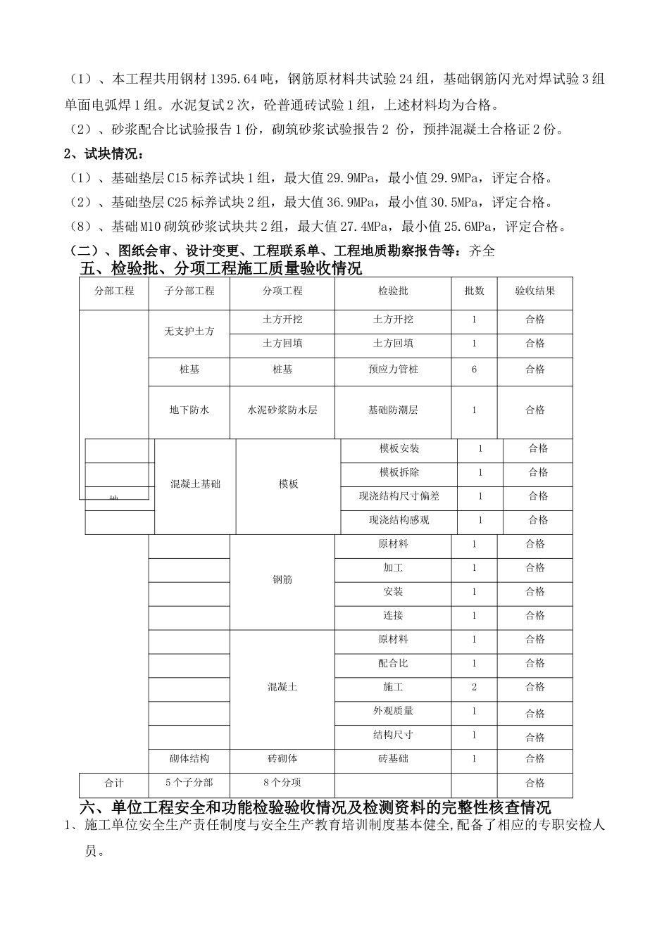
一、工程概况 1、工程名称:鄞州区高桥镇梁祝新村拆迁安置地块工程 13#楼2、建设单位:宁波市鄞州梁祝文化公园进展总公司3、代管单位:宁波华龙投资建设开发有限公司4、设计单位:宁波市华展讨论设计院有限公司5、监理单位: 宁波市天正工程咨询有限公司6、施工单位: 浙江万华建设有限公司7、开工日期: 2008 年 12 月 13 日8、建筑面积:2690.11㎡ 9、结构层次:框架五层 10、砼:垫层砼采纳 C13,基础砼采纳 C25 11、砌体:±0.000 以下采纳 M10 水泥砂浆二、本工程监理质保体系及运行情况高桥镇梁祝新村拆迁安置地块工程项目监理部以土建、水、电各专业配套的监理工程师和监理员组成,由本公司成国会同志担任总监,根据法律规范要求,项目监理部编制了监理规划,分阶段编制了监理细则。监理部依据监理委托合同、有关法律法规、法律规范和标准 、设计图纸、监理规划和细则、国家批准的建设文件,在业主的大力支持下,在质监站的监督下,在施工单位的配合下,完成了本工程基础结构的监理工作。监理部根据法律规范要求,严格程序控制,坚持例会制度,月报制度,旁站制度,资料管理制度,监理日记制度,见证取样制度,材料验收及隐检制度,技术复核制度,建立了比较完善的质量保证体系。实际操作中,我们坚持主动控制和被动控制相结合,对工程质量实施事前、事中、事后控制,进行全过程、全方位监理.对重点工序钢筋梁柱节点施工、砼浇捣实施旁站监理,对容易发生质量事故的工序事先提醒施工单位要做好技术交底,有效的控制了工序质量。除重点工序实施旁站及正常工作时间外,在夜间及节假日实行值班制度,以便随时处理施工场地上出现的问题,保证对工程质量进行有效及时的监管。安全和文明施工监理根据"安全生产法"、"安全生产管理条例"、施工场地标化等要求对施工单位进行监理,平常巡查、定期检查相结合,对发现的问题及时通知施工单位进行整改 ,较好的控制了工程的安全生产和文明施工。主要的具体控制工作有:1、工程规划控制红线及定位轴线、高程基准点由建设方组织交验,施工单位据此进行放线,经监理单位复核,基础轴线、标高,控制红线规划点的偏差,在法律规范允许范围内 ,符合设计及验收法律规范要求。2、桩机具备施工机械登记卡和产品合格证同意进场施工。3、工程桩施工完毕根据设计和法律规范要求进行试验检测,报告显示桩身完整承载力达到设计要求。4、地槽开挖后经建设、勘察、设计、施工、监理五方共同验收,其深度及土质均符合验收要求...

1、当您付费下载文档后,您只拥有了使用权限,并不意味着购买了版权,文档只能用于自身使用,不得用于其他商业用途(如 [转卖]进行直接盈利或[编辑后售卖]进行间接盈利)。
2、本站所有内容均由合作方或网友上传,本站不对文档的完整性、权威性及其观点立场正确性做任何保证或承诺!文档内容仅供研究参考,付费前请自行鉴别。
3、如文档内容存在违规,或者侵犯商业秘密、侵犯著作权等,请点击“违规举报”。

碎片内容

新村拆迁安置地块工程监理报告

您可能关注的文档

确认删除?
VIP
微信客服
  • 扫码咨询
会员Q群
  • 会员专属群点击这里加入QQ群
客服邮箱
回到顶部