电脑桌面
添加小米粒文库到电脑桌面
安装后可以在桌面快捷访问

昌平移动通信楼施工测量方案交底

昌平移动通信楼施工测量方案交底_第1页
1/7
昌平移动通信楼施工测量方案交底_第2页
2/7
昌平移动通信楼施工测量方案交底_第3页
3/7
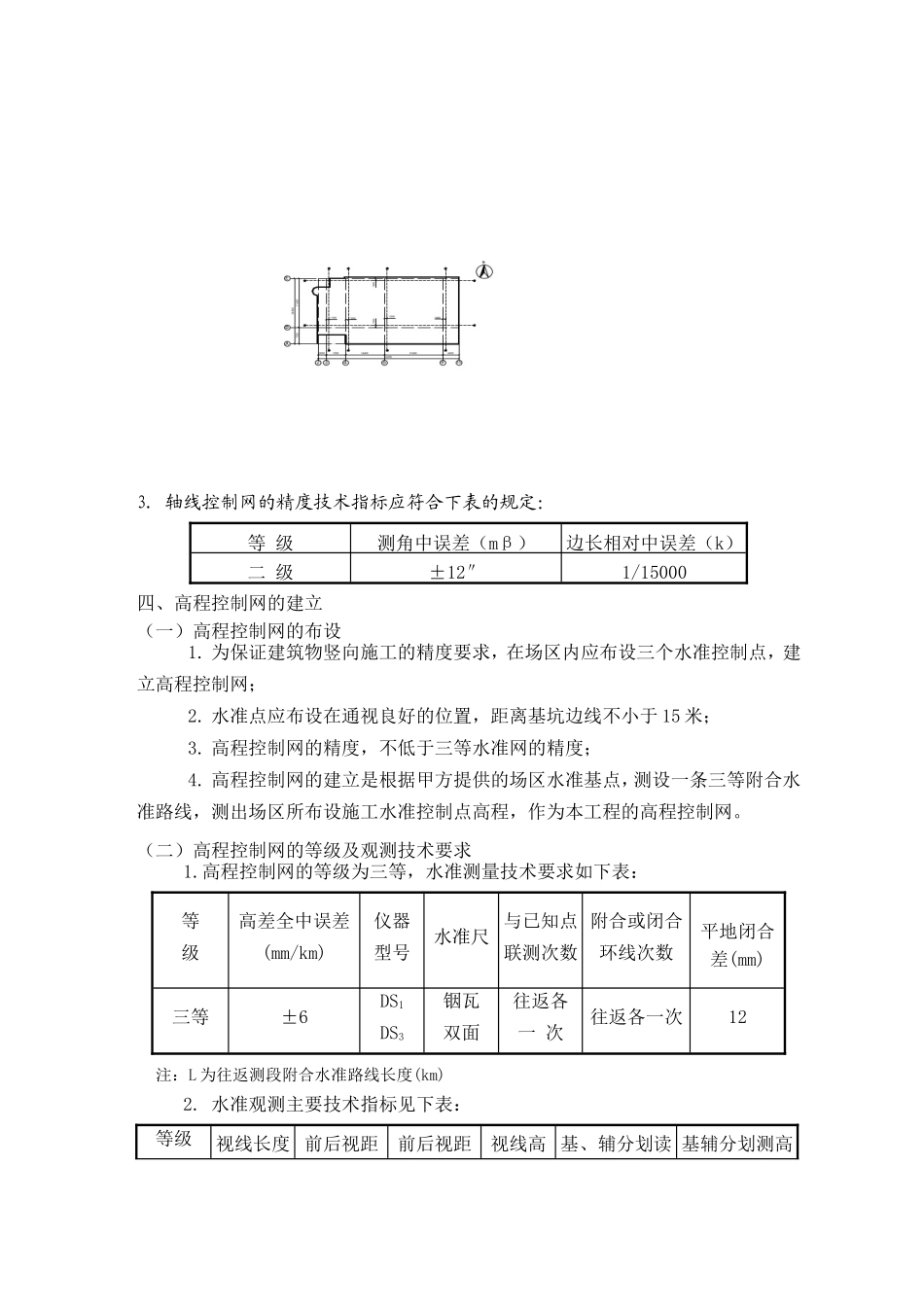
施工测量方案交底出席人员:交底地点:项目会议室 交底时间:2025 年 1 月 3 日一、工程概况业务用房及通讯机房工程位于昌平经济技术开发区南环东路南侧、兆恒嘉苑西侧。建设用地面积 5475.75m。本建筑物地下一层(含夹层)、地上十层,建筑高度45.45m;总建筑面积 14185.60m2,其中地上建筑面积 12521.60 m2、地下建筑面积(含人防)1664 m2;±0.000 绝对标高为 61.350m,结构形式为框架剪力墙结构。本工程为二类建筑,使用年限 50 年。耐火等级:一级;抗震设防烈度:8 度:人防等级:6 级。二、测量准备施工测量准备工作是保证施工测量全过程顺利进行的重要环节,包括图纸的审核,测量定位依据点的交接与校核,测量仪器的检定与校核,测量方案的编制与数据准备,施工场地测量等;(一) 检查各专业图的平面位置标高是否有矛盾,预留洞口是否有冲突,发现问题及时向有关人员反映,以便及时解决;(二) 对所有进场的仪器设备及人员进行初步调配,并对所有进场的仪器设备重新进行检定;(三) 复印预定人员的上岗证书,由主任工程师进行技术交底;(四) 图纸条件及工程内部结构特征确定轴线控制网形式。三、场区平面控制网的布设1.建筑物四角桩的校测根据业主提供的总平面布置图和京昌工程测量所所定建筑四角桩,我测量人员使用 TOPCON—601 全站仪,依据总平面布置图对建筑物四角桩进行角度、距离校核。然后将测量结果报知项目经理部及监理。2.轴线控制桩的测设测量人员依据结构平面图上有关柱、墙体、洞口详细位置关系确定建筑物须定位的主轴线,然后以建筑物四角桩为基准,采纳极坐标或直角坐标定位放样的方法定出建筑物主轴线的控制桩,并对轴线控制桩进行角度、距离校测。校核无误作为本工程建筑物的轴线控制网。轴线控制网示意图如下: 3. 轴线控制网的精度技术指标应符合下表的规定:等 级测角中误差(mβ)边长相对中误差(k)二 级±12″1/15000四、高程控制网的建立(一)高程控制网的布设1. 为保证建筑物竖向施工的精度要求,在场区内应布设三个水准控制点,建立高程控制网;2. 水准点应布设在通视良好的位置,距离基坑边线不小于 15 米;3. 高程控制网的精度,不低于三等水准网的精度;4. 高程控制网的建立是根据甲方提供的场区水准基点,测设一条三等附合水准路线,测出场区所布设施工水准控制点高程,作为本工程的高程控制网。(二)高程控制网的等级及观测技术要求1.高程控制网的等级为三等,...

1、当您付费下载文档后,您只拥有了使用权限,并不意味着购买了版权,文档只能用于自身使用,不得用于其他商业用途(如 [转卖]进行直接盈利或[编辑后售卖]进行间接盈利)。
2、本站所有内容均由合作方或网友上传,本站不对文档的完整性、权威性及其观点立场正确性做任何保证或承诺!文档内容仅供研究参考,付费前请自行鉴别。
3、如文档内容存在违规,或者侵犯商业秘密、侵犯著作权等,请点击“违规举报”。

碎片内容

昌平移动通信楼施工测量方案交底

文森传品+ 关注
实名认证
内容提供者

一家传播文化教育的小店,资料丰富,随意挑选。

确认删除?
VIP
微信客服
  • 扫码咨询
会员Q群
  • 会员专属群点击这里加入QQ群
客服邮箱
回到顶部