电脑桌面
添加小米粒文库到电脑桌面
安装后可以在桌面快捷访问

737CL发动机漏油标准

737CL发动机漏油标准_第1页
1/11
737CL发动机漏油标准_第2页
2/11
737CL发动机漏油标准_第3页
3/11
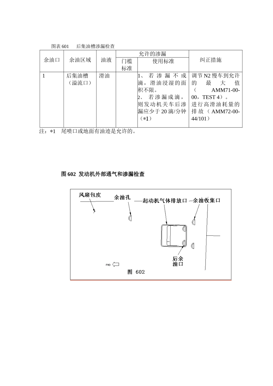
发动机漏油标准一.概述:(参照 MM71-71-00)1. 在下列表中均给出了发动机上不同漏油点的门槛标准值和可用标准值,这两个标准值适用于发动机停车或发动机运转在不同推力值的情况下。2. 假如渗漏率超过可用标准(serviceable limit),需要进行排故;3. 假如渗漏率低于门槛标准(threshold limit),无须做任何工作;4. 假如渗漏率高于门槛标准值,而低于可用标准值,建议进行发动机试车,以确定发动机运转时渗漏是否增加或减少,以及渗漏点;5. 假如发现渗漏,应估算渗漏的总量以便实行合适的行动;6. 下表中给出渗漏点的名称比标牌(在发动机包皮上)的更全,两者使用的编号是一致的。二.发动机的渗漏检查方法:1.目视检查发动机的油液渗漏1)在发动机停车后应立即检查后集油槽区域是否有明显的滑油渗漏 痕迹;(参看图 601)2)检查风扇整流罩的底部区域,在靠近前排放口和起动机空气排放口的附近是否有油迹:(参看图 602)a. 查看风扇整流罩底部的是否有油液聚集;b. 查看前排放口是否有油液滴下;c. 查看起动机空气排放口是否有漏油迹象;3)发现油液渗漏,打开风扇整流罩;4)看湿的余油管,以便确定渗漏源;(请参看图 603、605;) 5)假如你认为其中的余油管有渗漏,计算渗漏速率;6)将实际的渗漏率与各图表中允许的渗漏率进行比较:a. 若渗漏率介于 0 和门槛标准之间,无需做进一步工作;b. 若渗漏率超过可用标准,不能放行,需及时排故;c. 若渗漏率介于门槛标准和可用标准之间可放行,手册建议试车,以确定渗漏液的类型、渗漏源和准确的渗漏率。 *注:只要发动机滑油耗量在允许范围内,发动机排气区域的滑油油迹可以认为是正常的。2.试车检查发动机的油液渗漏: 注意:从维护经验上来讲,假如航前或长时间过站后发现发动机有油渗漏(可能在静态时渗漏不超标),此时假如直接试车检查,可能会出现漏油超标现象(可能成线),因为此时在包皮或集油槽内会有较多的油液聚集,引起试车检查结果不真实。一般要求将包皮与集油槽内的油液清洁洁净后再试车检查。1) 滑油渗漏(不包括从主滑油/燃油热交换器处的渗漏)*注: 假如证实滑油是从附件齿轮箱底座封严处渗漏,则不要按以下步骤检查,应根据 MM72-63-00/501 做 AGB 静态渗漏试验。a. 将塑料管与塑料瓶(或塑料袋)与怀疑漏油的余油管连起来(需密封),以便收集发动机运转时漏的油:b. 小心地关闭风扇整流罩,确保塑料管和瓶与余油管连接良好;c...

1、当您付费下载文档后,您只拥有了使用权限,并不意味着购买了版权,文档只能用于自身使用,不得用于其他商业用途(如 [转卖]进行直接盈利或[编辑后售卖]进行间接盈利)。
2、本站所有内容均由合作方或网友上传,本站不对文档的完整性、权威性及其观点立场正确性做任何保证或承诺!文档内容仅供研究参考,付费前请自行鉴别。
3、如文档内容存在违规,或者侵犯商业秘密、侵犯著作权等,请点击“违规举报”。

碎片内容

737CL发动机漏油标准

确认删除?
VIP
微信客服
  • 扫码咨询
会员Q群
  • 会员专属群点击这里加入QQ群
客服邮箱
回到顶部