电脑桌面
添加小米粒文库到电脑桌面
安装后可以在桌面快捷访问

cfg桩地基处理施工资料填写实例

cfg桩地基处理施工资料填写实例_第1页
1/20
cfg桩地基处理施工资料填写实例_第2页
2/20
cfg桩地基处理施工资料填写实例_第3页
3/20
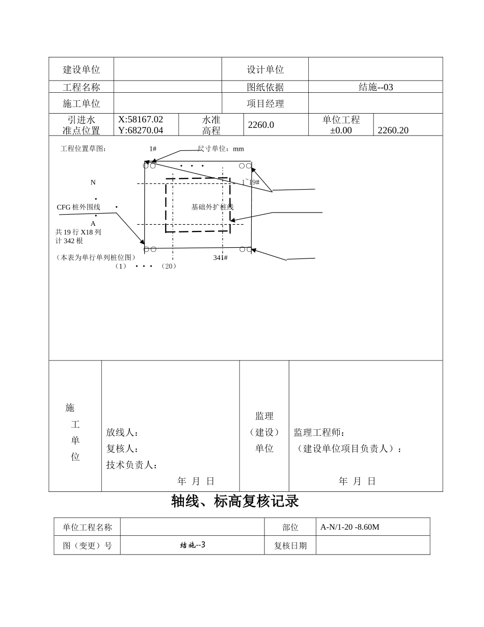
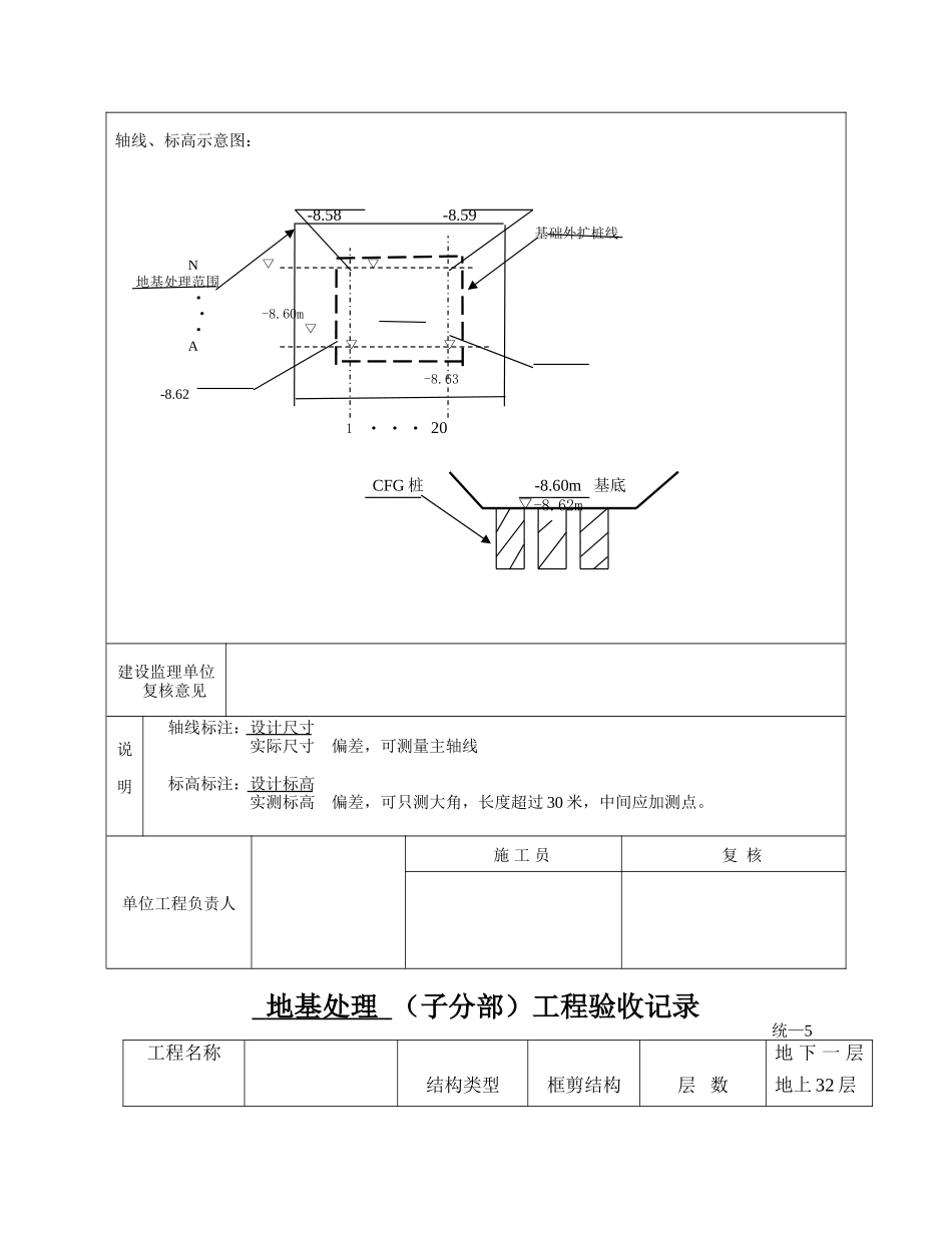
地 基 处 理 记 录C—24(2)工程名称 施工单位处理原因及部位地质情况较为复杂。为提高地基承载力,按设计要求,在筏板底部做水泥粉煤灰碎石混凝土桩处理。处理后的地基承载力应达到550KPa。处理方法按设计要求,做桩径为 Ф800 水泥粉煤灰碎石桩(CFG 桩),满堂布置并按一定间距组成复合地基。1#楼 CFG 桩身混凝土强度为 C35。桩顶部设 300mm 厚天然级配沙褥垫层。褥垫层压实系数 0.97。处理范围示意图CFG 桩及地基处理范围草图: 处理范围 2251.35 -9.05 ▽ 褥垫层 N -9.35 A ≥-13.35 800 1 ... 20 CFG 桩建设单位: 年 月 日 监理单位: 年 月 日 施工单位: 年 月 日 工程定位测量、复测记录 C—9建设单位设计单位工程名称图纸依据结施--03施工单位项目经理引进水准点位置X:58167.02Y:68270.04水准高程2260.0单位工程±0.002260.20工程位置草图: 1# 尺寸单位:mm ○○ · · · ○○ N 1~19# · CFG 桩外围线 · 基础外扩桩线 · A 共 19 行 X18 列 计 342 根 ○○ ○○(本表为单行单列桩位图) 341# (1) ··· (20) 施工单位放线人:复核人:技术负责人: 年 月 日监理(建设)单位监理工程师:(建设单位项目负责人): 年 月 日轴线、标高复核记录单位工程名称部位A-N/1-20 -8.60M图(变更)号结施--3复核日期轴线、标高示意图: -8.58 -8.59 基础外扩桩线 N ▽ ▽ 地基处理范围 · · -8.60m · ▽ A▽ ▽ -8.63 -8.621 · · · 20 CFG 桩-8.60m 基底▽-8.62m建设监理单位复核意见说明轴线标注:设计尺寸实际尺寸 偏差,可测量主轴线标高标注:设计标高实测标高 偏差,可只测大角,长度超过 30 米,中间应加测点。单位工程负责人施 工 员复 核 地基处理 (子分部)工程验收记录统—5工程名称结构类型框剪结构层 数地 下 一 层地上 32 层施工单位技术部门负责人质量部门负责人分包单位分包单位负责人分包技术负责人序号分项工程名称检验批数施工单位检验评定验收意见1地基处理记录 3 自检合格2水泥粉煤灰碎石桩复合地基 11自检合格3砂石褥垫层分项 1自检合格456质量控制资料齐全合格安全和功能检验(检测)报告 符合要求观感质量验收 验收意见分包单位 项目经理: 年 月 日施工单位月 项目经理: 年 月 日勘察单位项目负责人: 年 月 日设计单位项目负责人: 年 月 日监理(建设...

1、当您付费下载文档后,您只拥有了使用权限,并不意味着购买了版权,文档只能用于自身使用,不得用于其他商业用途(如 [转卖]进行直接盈利或[编辑后售卖]进行间接盈利)。
2、本站所有内容均由合作方或网友上传,本站不对文档的完整性、权威性及其观点立场正确性做任何保证或承诺!文档内容仅供研究参考,付费前请自行鉴别。
3、如文档内容存在违规,或者侵犯商业秘密、侵犯著作权等,请点击“违规举报”。

碎片内容

cfg桩地基处理施工资料填写实例

确认删除?
VIP
微信客服
  • 扫码咨询
会员Q群
  • 会员专属群点击这里加入QQ群
客服邮箱
回到顶部