电脑桌面
添加小米粒文库到电脑桌面
安装后可以在桌面快捷访问

NY-5086—2025-无公害食品-鲜食葡萄

NY-5086—2025-无公害食品-鲜食葡萄_第1页
1/4
NY-5086—2025-无公害食品-鲜食葡萄_第2页
2/4
NY-5086—2025-无公害食品-鲜食葡萄_第3页
3/4
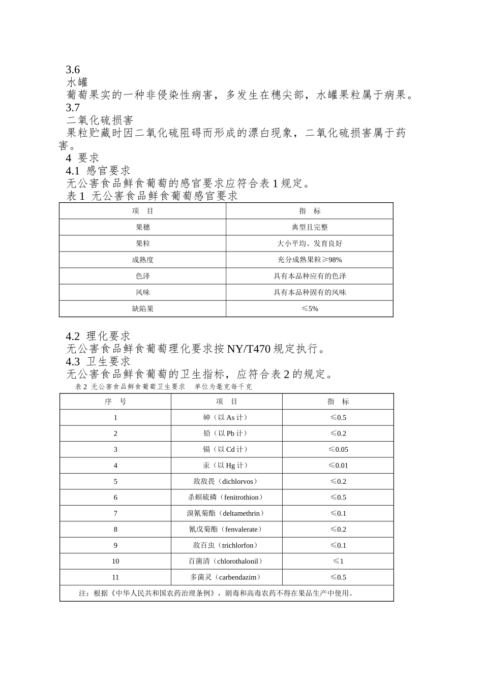
NY 5086—2025 无公害食品 鲜食葡萄1 范畴本标准规定了无公害食品鲜食葡萄的术语、定义、要求、检验方法、检验规则、标志、包装、运输和贮藏。本标准适合于无公害食品鲜食葡萄。2 法律规范性引用文件下列文件中的条款通过本标准的引用而成为本标准的条款。凡是注日期的引用文件,其随后所有的修改单(不包括勘误的内容)或修订版均不适用于本标准,然而,鼓舞根据本标准达成协议的各方讨论是否可使用这些文件的最新版本。凡是不注日期的引用文件,其最新版本适用于本标准。GB/T 5009.11 食品总砷的测定方法GB/T 5009.12 食品中铅的测定方法GB/T 5009.15 食品中镉的测定方法GB/T 5009.17 食品中总汞的测定方法GB/T 5009.20 食品中有机磷农药残留量的测定方法GB/T 6543 瓦楞纸箱GB 7718 食品中标签通用标准GB/T 8855 新奇水果和蔬菜的取样方法GB 9693 食品包装用聚丙烯树脂卫生标准GB 11680 食品包装用原纸卫生标准GB 14878 食品中百菌清残留量的测定方法GB/T 14929.4 食品中氯氰菊酯、氰戊菊酯和溴氰菊酯残留量测定方法NY/T 470 鲜食葡萄中华人民共和国农药治理条例3 术语和定义下列术语和定义适用于本标准。3.1外观葡萄果穗、果粒外观性状定义遵照 NY/T 470 标准规定。3.2风味果实的肉质、酸甜口感、香味、汁液多少等品质内容的综合评判。3.3成熟果粒进入成熟期,每隔两天测量一次可溶性固形物含量,当其含量不再增加时为成熟。3.4成熟度果料成熟达到该品种应有的色泽、芳香及糖酸比的程度。3.5缺陷果葡萄果粒出现各种缺陷,包括日灼、刺伤、碰伤、压伤、病虫危害、药害、小青粒、裂果、雹伤、破旧及药物、泥土污染。3.6水罐葡萄果实的一种非侵染性病害,多发生在穗尖部,水罐果粒属于病果。3.7二氧化硫损害果粒贮藏时因二氧化硫阻碍而形成的漂白现象,二氧化硫损害属于药害。4 要求4.1 感官要求无公害食品鲜食葡萄的感官要求应符合表 1 规定。表 1 无公害食品鲜食葡萄感官要求项 目指 标果穗典型且完整果粒大小平均、发育良好成熟度充分成熟果粒≥98%色泽具有本品种应有的色泽风味具有本品种固有的风味缺陷果≤5%4.2 理化要求无公害食品鲜食葡萄理化要求按 NY/T470 规定执行。4.3 卫生要求无公害食品鲜食葡萄的卫生指标,应符合表 2 的规定。表 2 无公害食品鲜食葡萄卫生要求单位为毫克每千克序 号项 目指 标1砷(以 As 计)≤0.52铅(以 Pb 计)≤0.23镉(以 Cd 计)≤0.054汞(以...

1、当您付费下载文档后,您只拥有了使用权限,并不意味着购买了版权,文档只能用于自身使用,不得用于其他商业用途(如 [转卖]进行直接盈利或[编辑后售卖]进行间接盈利)。
2、本站所有内容均由合作方或网友上传,本站不对文档的完整性、权威性及其观点立场正确性做任何保证或承诺!文档内容仅供研究参考,付费前请自行鉴别。
3、如文档内容存在违规,或者侵犯商业秘密、侵犯著作权等,请点击“违规举报”。

碎片内容

NY-5086—2025-无公害食品-鲜食葡萄

确认删除?
VIP
微信客服
  • 扫码咨询
会员Q群
  • 会员专属群点击这里加入QQ群
客服邮箱
回到顶部