电脑桌面
添加小米粒文库到电脑桌面
安装后可以在桌面快捷访问

pe管热熔焊接施工工法

pe管热熔焊接施工工法_第1页
1/4
pe管热熔焊接施工工法_第2页
2/4
pe管热熔焊接施工工法_第3页
3/4
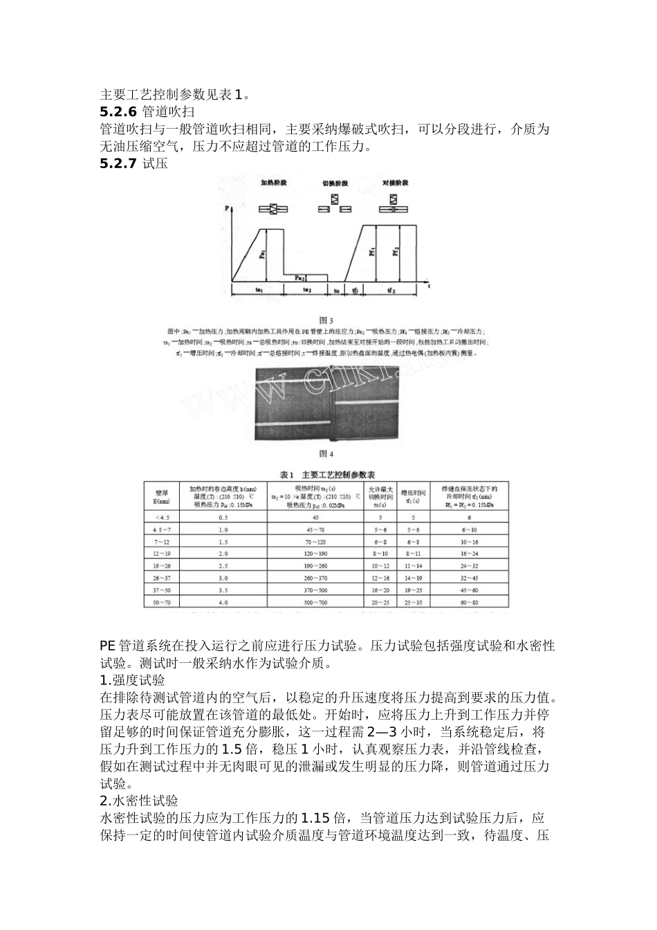
PE 管热熔焊接施工工法文章作者:刘建新 鲁久列1 概述PE 管材料属聚烯烃类高分子化合物,其分子由碳、氢元素组成,无有害元素,卫生可靠。在加工、使用及废弃过程中,不会对人体及环境造成不利影响,是绿色建材。PE 管材不仅韧性、挠性好,而且焊接性能极佳,管道连接过程中施焊效果可靠,造价低;同时具有良好的气密性、耐腐蚀性和良好的抵抗裂纹快速传递能力,因而广泛用于市政、石油、化工、燃气等建设领域。PE 管材的应用是 2025 年建设部科技成果推广项目。公司近年来开展对 PE 管热熔焊接技术进行讨论,讨论成果成功地用于珠三角地区的燃气工程,取得了较好的经济效益和社会效益。2 特点2.0.1 工艺流程先进,可实现全自动、半自动施工。2.0.2 接头连接牢固可靠。2.0.3 施工技术先进,设备操作简单,劳动强度低。2.0.4 施工过程中无需配备较多的施工机具,节约成本,机动灵活。3 适用范围本工法可用于市政建设给排水、燃气管道安装以及石油、化工、水处理等领域适用于管径大于 110mm ,小于 425mm 的管道施工(一般不允许不同材质的PE 管直接对接) 。4 工艺原理热熔焊焊接是利用加热工具将管道或管件端面加热到 210 ℃左右,在可控压力下持续一定时间,使两端面熔合为一体,形成符合质量要求的管道焊接接头。5 施工方法PE 管的焊接施工可以在管沟边进行也可以在管沟内进行,无论实行哪种方式都应将热熔焊机机架安置平稳。5.1 施工工艺流程管道、管件的验收→焊接准备→连接部位端部铣平和同轴度校对→测量拖拉力→在可控压力下焊接→管道吹扫→试压。5.2 施工方法5.2.1 管道、管件的验收管道、管件应根据施工要求选用配套的等径、异径弯头和三通等管件。热熔焊接宜采纳同种牌号、材质的管件,对性能相似的不同牌号、材质的管件之间的焊接应先做试验。主要依据:设计图纸、现行《燃气工程用埋地聚乙烯管材》GB/T15558.1、GB/T15558.2 技术标准;《聚乙烯燃气管道工程技术》CJJ63 技术标准。5.2.2 焊接准备1.检查焊接机状况是否满足工作要求,检查机具各个部位的紧固件有无脱落或松动。2.检查机电线路连接是否正确、可靠。3.检查液压箱内液压油是否充足。4.确认电源与机具输入要求是否相匹配。5.加热板是否符合要求(涂层是否损伤) 。6.铣刀和油泵开关是否正常等。5.2.3 连接部位端部铣平和同轴度校对1.用洁净的布清除两管端部的污物。将管材置于机架卡瓦内,使对接两端伸出的长度大致相等且在满足铣削和加热要...

1、当您付费下载文档后,您只拥有了使用权限,并不意味着购买了版权,文档只能用于自身使用,不得用于其他商业用途(如 [转卖]进行直接盈利或[编辑后售卖]进行间接盈利)。
2、本站所有内容均由合作方或网友上传,本站不对文档的完整性、权威性及其观点立场正确性做任何保证或承诺!文档内容仅供研究参考,付费前请自行鉴别。
3、如文档内容存在违规,或者侵犯商业秘密、侵犯著作权等,请点击“违规举报”。

碎片内容

pe管热熔焊接施工工法

确认删除?
VIP
微信客服
  • 扫码咨询
会员Q群
  • 会员专属群点击这里加入QQ群
客服邮箱
回到顶部